GM Service Manual Online
For 1990-2009 cars only
Makes
🢒
Pontiac
🢒
2007
🢒
Torrent
🢒
Diagnostic Navigation
🢒
Vehicle Diagnostic Information
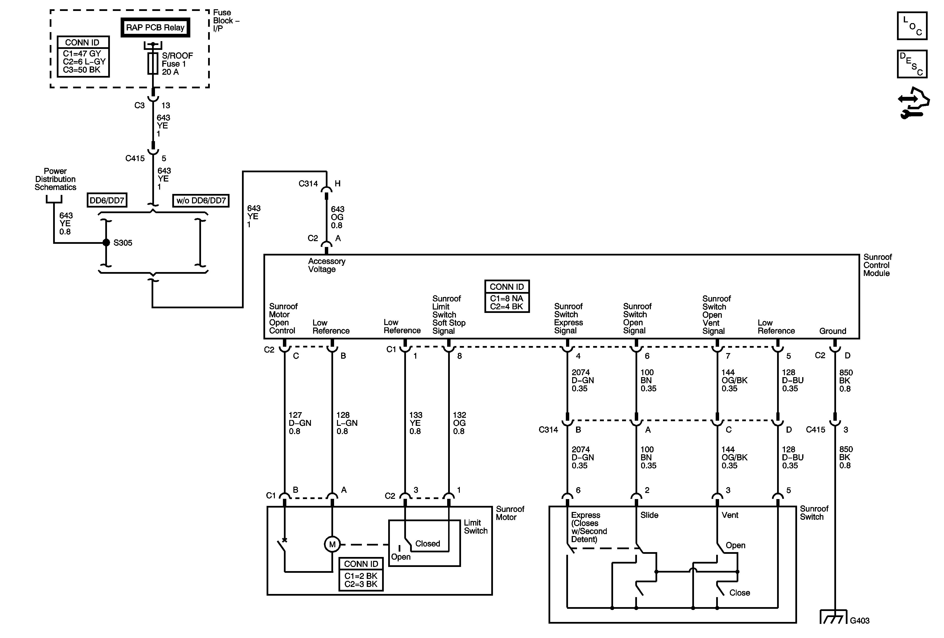
🢒 Sunroof Schematics
Master Electrical Component List
Sunroof Description and Operation
Control Module References
BATT 3, DR/LCK, REAR/WPR, RSE and S/ROOF Fuses and PWR WNDW Circuit Breaker
BATT 3, DR/LCK, REAR/WPR, RSE and S/ROOF Fuses and PWR WNDW Circuit Breaker
G203, G205, G207
G403