GM Service Manual Online
For 1990-2009 cars only
Figure 1:

Left Park Lamps


Object Number: 1776037  Size: FS
Master Electrical Component List
Exterior Lighting Systems Description and Operation
Control Module References
License Lamp, Right Park Lamps
B+ BUS - 2 of 2
Headlights/Daytime Running Lights (DRL) Schematics
G201
G101
G401
Figure 2:

License Lamps, Right Park Lamps


Object Number: 1776058  Size: FS
Master Electrical Component List
Exterior Lighting Systems Description and Operation
Turn Signal Lamps
Left Park Lamps
G401
G403
G101
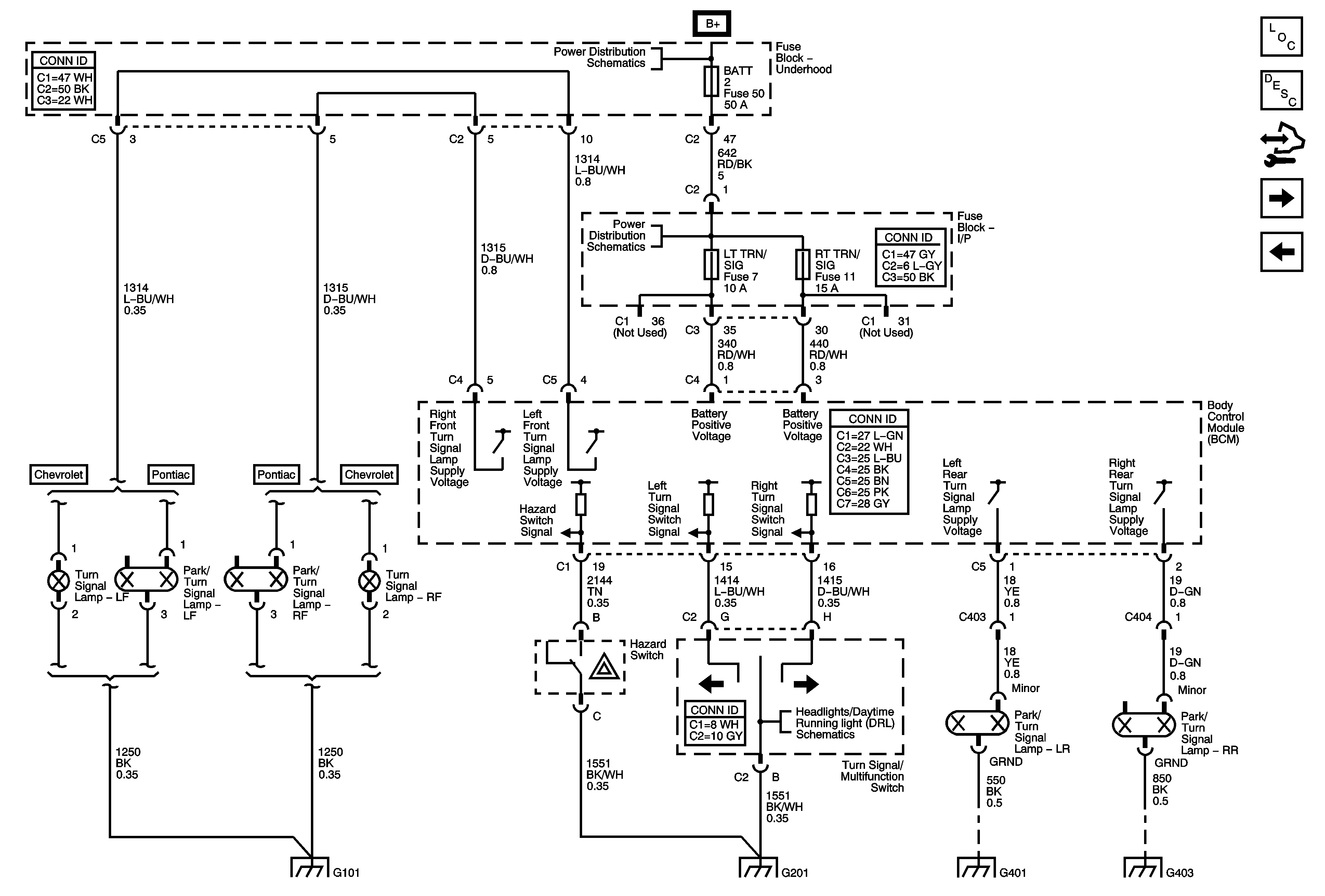
Figure 3:

Turn Signal Lamps


Object Number: 1776092  Size: FS
Master Electrical Component List
Exterior Lighting Systems Description and Operation
Control Module References
Stop Lamps
License Lamp, Right Park Lamps
B+ BUS - 1 of 2
AOS MDL, BATT 2, HTD/SEATS, L/GATE, LT TRN/SIG, PWR MIRS, RT TRN/SIG and AIRBAGS Fuses and PWR SEATS Circuit Breaker
Headlights/Daytime Running Lights (DRL) Schematics
G101
G201
G401
G403
Figure 4:

Stop Lamps


Object Number: 1776102  Size: FS
Master Electrical Component List
Exterior Lighting Systems Description and Operation
Control Module References
Backup Lamps
Turn Signal Lamps
AMP, BCM, CHMSL/DM/LAMP, HVAC/RFA and RDO Fuse
B+ BUS - 2 of 2
AMP, BCM, CHMSL/DM/LAMP, HVAC/RFA and RDO Fuse
G403
G401
G101
Figure 5:

Backup Lamps


Object Number: 1776132  Size: FS
Master Electrical Component List
Exterior Lighting Systems Description and Operation
Control Module References
Trailer Tow Connector
Stop Lamps
Inside Rearview Mirror Schematics
G401
G403
Figure 6:

Trailer Tow Connector


Object Number: 1776141  Size: FS
Master Electrical Component List
Exterior Lighting Systems Description and Operation
Control Module References
Backup Lamps
B+ BUS - 1 of 2
G401