GM Service Manual Online
For 1990-2009 cars only
Makes
🢒
Pontiac
🢒
2007
🢒
Torrent
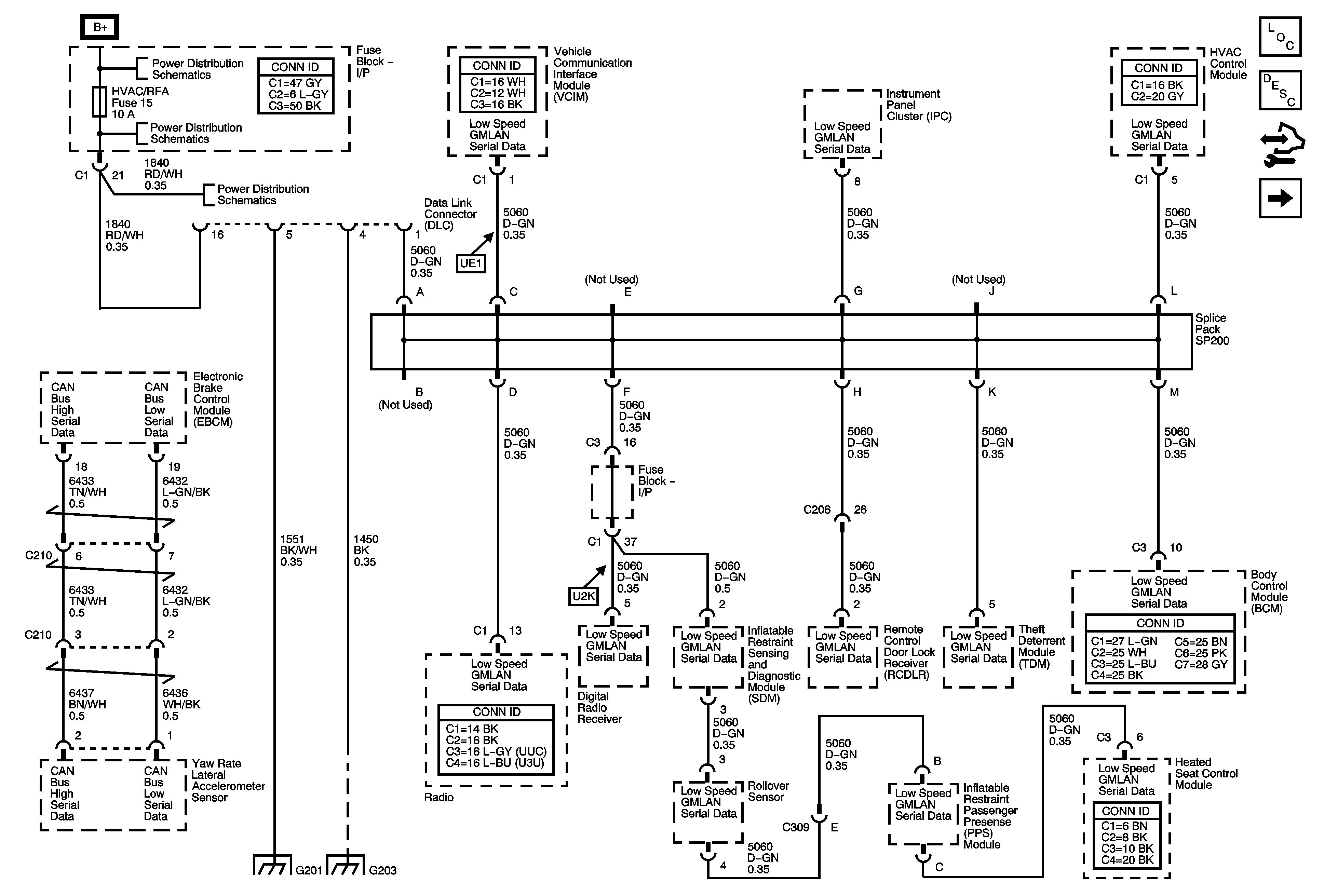
🢒 Low Speed GMLAN
Low Speed GMLAN
Low Speed GMLAN
Master Electrical Component List
Data Link Communications Description and Operation
Control Module References
High Speed GMLAN
AMP, BCM, CHMSL/DM/LAMP, HVAC/RFA and RDO Fuse
AMP, BCM, CHMSL/DM/LAMP, HVAC/RFA and RDO Fuse
AMP, BCM, CHMSL/DM/LAMP, HVAC/RFA and RDO Fuse
G201
G203, G205, G207