GM Service Manual Online
For 1990-2009 cars only

2-Way Remote Start and Door Lock Transmitter Package Installation AP3

Accessories Part Number

19171129

Kit Usage

This kit is designed to add 2-way remote start with extended range and enhanced functionality. It is for vehicles equipped with remote vehicle start from the factory, for vehicles with option code AP3. If the vehicle is not equipped with remote vehicle start, use a kit for a vehicle with option codes AP8 or AU0.

Kit Contents

Qty

Description

1

Remote Control Door Lock, 2-Way Remote Start and Information Display Receiver (2-Way RCDLR)

1

2-Way Remote Start and Door Lock Transmitter (With Information Display)

1

2-Way Remote Start, Door Lock and Info Display Antenna

1

2-Way Advanced Remote Start Owner Manual

Special Tools

    • Scan Tool with capability of communication on GMLAN
    • Service Programming System (SPS - TIS2WEB, or equivalent)
    • J-46079 Tire Pressure Monitoring Diagnostic Tool
    • Surface Cleaner (50 percent isopropyl alcohol, FS-1082 hi-flash naphtha or equivalent)
    • Adhesion Promoter GM P/N 12378462 (Canadian P/N 10953554)

Procedure

Important: Please review the entire procedure before trying to perform it.

  1. Using the scan tool, perform the copy and paste TPM information procedure. This will extract the TPM tire type information as well as the sensor data from the existing RCDLR prior to its replacement and store this information in the scan tool. After RCDLR replacement, the tire type and sensor data stored in the scan tool is written to the new RCDLR, negating the need to perform the tire type setup and sensor learn procedure. This must be performed BEFORE removing the old RCDLR. Refer to Remote Control Door Lock Receiver Programming and Setup.
  2. Physically replace the factory remote control door lock receiver (RCDLR) with the 2-way RCDLR included in the kit. Refer to Remote Control Door Lock Receiver Replacement. Do not program or reassemble yet.

  3. Object Number: 2083541  Size: MF
  4. Remove the factory antenna (2) by releasing the two integral retainers (1) and disconnecting it from the window.

  5. Object Number: 2083535  Size: MF
  6. Measure 60 mm (2 3/8 in) (a) length of antenna cable from the antenna and secure the cable to the right side rear quarter inner body structure under the window opening with three adhesive wire-wraps (1).
  7. Connect the antenna to the RCDLR.
  8. Secure the antenna cable to the main body wiring harness RCDLR lead with one tie wrap (4) and one adhesive wire-wrap (3).
  9. Important: Excess antenna cable length must be looped in a "figure 8" no less than 100 mm (4 in) in length for the best performance of the system.

  10. Loop the excess antenna cable length into a "figure 8" at least 100 mm (4 in) long and secure to the main body wiring harness with two tie wraps (2).

  11. Object Number: 2083537  Size: MF
  12. Clean the surface of the right rear quarter lower trim panel where the antenna will be installed with a surface cleaner (50 percent isopropyl alcohol, FS-1082 hi-flash naphtha or equivalent).
  13. Dry the trim panel thoroughly using a lint free cloth.
  14. Important: 

       • The adhesion promoter must be used to assure adequate bonding of the antenna.
       • Mask off or protect areas before applying the adhesion promoter.

  15. Apply adhesion promoter GM P/N 12378462 (Canadian P/N 10953554) to the panel in the area where the antenna will be mounted. Follow the adhesion promoter instructions on the product label. Use a = 15 mm (9/16 in) and b = 210 mm (8 1/4 in) for the dimensions on the figure.
  16. Reinstall the right rear quarter lower trim panel. Refer to Quarter Lower Rear Trim Panel Replacement.
  17. Important: 

       • Position the antenna according to the figure provided.
       • Do not touch the adhesive pad on the antenna.

  18. Remove the protective film from the adhesive pad on the antenna.
  19. Align the antenna according to the figure, using a = 15 mm (9/16 in) and b = 210 mm (8 1/4 in).
  20. Press firmly all along the antenna, including all four corners of the adhesive pad, in order to ensure proper adhesion to the trim panel.
  21. Hold pressure on the antenna for 10-30 seconds.
  22. Reassemble. Refer to Remote Control Door Lock Receiver Replacement.
  23. Program the 2-Way RCDLR. Refer to Remote Control Door Lock Receiver Programming and Setup. Program the 2-way transmitter and the vehicle factory transmitters to the 2-Way RCDLR.
  24. Turn the ignition off for 1 minute.
  25. Turn the ignition on.
  26. Using the scan tool, retrieve any diagnostic trouble codes (DTCs) from all of the modules.
  27. Clear all DTCs.
  28. Remove the scan tool.
  29. Operate the 2-way and factory transmitters in order to verify correct system operation. Refer to Keyless Entry System Description and Operation. Press a command button with the vehicle ignition ON in order to synchronize the 2-way transmitter clock to the vehicle clock.
  30. Drive the vehicle at least 1 mile above 25 mph. This is to synchronize the 2-way transmitter odometer display to the vehicle odometer and update the tire pressure displays.
  31. Add the transmitters to the customer key rings.
  32. Place the 2-way advanced remote start owner manual in the instrument panel compartment.
  33. Keep the vehicle dry. Allow 6-8 hours, at 15°C (60°F), for the antenna adhesive to cure after installation.

2-Way Remote Start and Door Lock Transmitter Package Installation AP8

Accessories Part Number

19171128

Kit Usage

This kit is designed to add 2-way remote start with extended range and enhanced functionality. It is for vehicles not equipped with but prepped for remote vehicle start from the factory, for vehicles with option code AP8. If the vehicle is not prepped for or is equipped with remote vehicle start, use a kit for a vehicle with option codes AU0 or AP3. To add remote vehicle start, the vehicle needs to be reconfigured. This is done with a service programming system (SPS). The installer needs to call the Techline Customer Support Center (TCSC). The TCSC will ask for the vehicle identification number (VIN) and the authorization code from the kit. The call and authorization code are good for only one specific VIN.

Kit Contents

Qty

Description

1

Remote Control Door Lock, 2-Way Remote Start and Information Display Receiver (2-Way RCDLR)

1

2-Way Remote Start and Door Lock Transmitter (With Information Display)

1

2-Way Remote Start, Door Lock and Info Display Antenna

1

2-Way Advanced Remote Start Owner Manual

1

Installation Addendum with an Authorization Code Label

Special Tools

    • Scan Tool with capability of communication on GMLAN
    • Service Programming System (SPS - TIS2WEB, or equivalent)
    • J-46079 Tire Pressure Monitoring Diagnostic Tool
    • Surface Cleaner (50 percent isopropyl alcohol, FS-1082 hi-flash naphtha or equivalent)
    • Adhesion Promoter GM P/N 12378462 (Canadian P/N 10953554)

Procedure

Important: Please review the entire procedure before trying to perform it.

    Important: When calling the TCSC, you must use the authorization code from the kit.

  1. Verify the vehicle has the AP8 option and an automatic transmission. Call TCSC 1-800-828-6860 (English), 800-503-3222 (French), or 248-265-0840 (Spanish) to obtain programming instructions to add the remote start feature. You must have the vehicle identification number (VIN) that will be upgraded and the authorization code from the kit.
  2. Using the scan tool, perform the copy and paste TPM Information procedure. This will extract the TPM tire type information as well as the sensor data from the existing RCDLR prior to its replacement and store this information in the scan tool. After RCDLR replacement, the tire type and sensor data stored in the scan tool is written to the new RCDLR, negating the need to perform the tire type setup and sensor learn procedure. This must be performed BEFORE removing the old RCDLR. Refer to Remote Control Door Lock Receiver Programming and Setup.
  3. Physically replace the factory remote control door lock receiver (RCDLR) with the 2-way RCDLR included in the kit. Refer to Remote Control Door Lock Receiver Replacement. Do not program or reassemble yet.

  4. Object Number: 2083541  Size: MF
  5. Remove the factory antenna (2) by releasing the two integral retainers (1) and disconnecting it from the window.

  6. Object Number: 2083535  Size: MF
  7. Measure 60 mm (2 3/8 in) (a) length of antenna cable from the antenna and secure the cable to the right side rear quarter inner body structure under the window opening with three adhesive wire-wraps (1).
  8. Connect the antenna to the RCDLR.
  9. Secure the antenna cable to the main body wiring harness RCDLR lead with one tie wrap (4) and one adhesive wire-wrap (3).
  10. Important: Excess antenna cable length must be looped in a "figure 8" no less than 100 mm (4 in) in length for the best performance of the system.

  11. Loop the excess antenna cable length into a "figure 8" at least 100 mm (4 in) long and secure to the main body wiring harness with two tie wraps (2).

  12. Object Number: 2083537  Size: MF
  13. Clean the surface of the right rear quarter lower trim panel where the antenna will be installed with a surface cleaner (50 percent isopropyl alcohol, FS-1082 hi-flash naphtha or equivalent).
  14. Dry the trim panel thoroughly using a lint free cloth.
  15. Important: 

       • The adhesion promoter must be used to assure adequate bonding of the antenna.
       • Mask off or protect areas before applying the adhesion promoter.

  16. Apply adhesion promoter GM P/N 12378462 (Canadian P/N 10953554) to the panel in the area where the antenna will be mounted. Follow the adhesion promoter instructions on the product label. Use a = 15 mm (9/16 in) and b = 210 mm (8 1/4 in) for the dimensions on the figure.
  17. Reinstall the right rear quarter lower trim panel. Refer to Quarter Lower Rear Trim Panel Replacement.
  18. Important: 

       • Position the antenna according to the figure provided.
       • Do not touch the adhesive pad on the antenna.

  19. Remove the protective film from the adhesive pad on the antenna.
  20. Align the antenna according to the figure, using a = 15 mm (9/16 in) and b = 210 mm (8 1/4 in).
  21. Press firmly all along the antenna, including all four corners of the adhesive pad, in order to ensure proper adhesion to the trim panel.
  22. Hold pressure on the antenna for 10-30 seconds.
  23. Reassemble. Refer to Remote Control Door Lock Receiver Replacement.
  24. Program the 2-Way RCDLR. Refer to Remote Control Door Lock Receiver Programming and Setup. Program the 2-way transmitter and the vehicle factory transmitters to the 2-Way RCDLR.
  25. Using the scan tool and SPS terminal, reprogram the theft deterrent module (TDM, not VTD). Use "Normal" mode, and select the calibration with remote start. Refer to Theft Deterrent Control Module Programming and Setup.
  26. Reprogram the body control module (BCM) using the method called out by the TCSC. Refer to Body Control Module Programming and Setup.
  27. Turn the ignition off for 1 minute.
  28. Turn the ignition on.
  29. Using the scan tool, retrieve any diagnostic trouble codes (DTCs) from all of the modules.
  30. Clear all DTCs.
  31. Remove the scan tool.
  32. Operate the 2-way and factory transmitters in order to verify correct system operation. Refer to Keyless Entry System Description and Operation. Press a command button with the vehicle ignition ON in order to synchronize the 2-way transmitter clock to the vehicle clock.
  33. Drive the vehicle at least 1 mile above 25 mph. This is to synchronize the 2-way transmitter odometer display to the vehicle odometer and update the tire pressure displays.
  34. Add the transmitters to the customer key rings.
  35. Place the 2-way advanced remote start owner manual in the instrument panel compartment.
  36. Keep the vehicle dry. Allow 6-8 hours, at 15°C (60°F), for the antenna adhesive to cure after installation.

2-Way Remote Start and Door Lock Transmitter Package Installation AU0

Accessories Part Number

19154440 or 19157238

Kit Usage

This kit is designed to add 2-way remote start with extended range and enhanced functionality. It is for vehicles not equipped with or prepped for remote vehicle start from the factory, for vehicles with option code AU0. If the vehicle is prepped for or equipped with remote vehicle start, use a kit for a vehicle equipped with option codes AP8 or AP3. The vehicle must have an automatic transmission. Adding remote start requires installation of a new hood latch and hood switch wiring harness, which are included in this kit. The vehicle also needs to be reconfigured. This is done with a service programming system (SPS). The installer needs to call the Techline Customer Support Center (TCSC). The TCSC will ask for the vehicle identification number (VIN) and the authorization code from the kit. The call and authorization code are good for only one specific VIN.

Kit Contents

Qty

Description

1

Remote Control Door Lock, 2-Way Remote Start and Information Display Receiver (2-Way RCDLR)

1

2-Way Remote Start and Door Lock Transmitter (With Information Display)

1

2-Way Remote Start, Door Lock and Info Display Antenna

1

2-Way Advanced Remote Start Owner Manual

1

Installation Addendum with an Authorization Code Label

1

Hood Latch

1

Hood Switch Wiring Harness

Special Tools

    • Scan Tool with capability of communication on GMLAN
    • Service Programming System (SPS - TIS2WEB, or equivalent)
    • J-46079 Tire Pressure Monitoring Diagnostic Tool
    • Surface Cleaner (50 percent isopropyl alcohol, FS-1082 hi-flash naphtha or equivalent)
    • Adhesion Promoter GM P/N 12378462 (Canadian P/N 10953554)

Procedure

Important: Please review the entire procedure before trying to perform it.

    Important: When calling the TCSC, you must use the authorization code from the kit.

  1. Verify the vehicle has the AU0 option and an automatic transmission. Call TCSC 1-800-828-6860 (English), 800-503-3222 (French), or 248-265-0840 (Spanish) to obtain programming instructions to add the remote start feature. You must have the vehicle identification number (VIN) that will be upgraded and the authorization code from the kit.
  2. Using the scan tool, perform the copy and paste TPM information procedure. This will extract the TPM tire type information as well as the sensor data from the existing RCDLR prior to its replacement and store this information in the scan tool. After RCDLR replacement, the tire type and sensor data stored in the scan tool is written to the new RCDLR, negating the need to perform the tire type setup and sensor learn procedure. This must be performed BEFORE removing the old RCDLR. Refer to Remote Control Door Lock Receiver Programming and Setup.
  3. Remove the underhood electrical center. Refer to Underhood Electrical Center or Junction Block Replacement.
  4. Replace the factory hood latch with the new hood latch. Refer to Hood Primary and Secondary Latch Replacement.
  5. Secure the hood switch connector to the front end upper tie bar assembly.
  6. Connect the new hood switch wiring harness to the hood switch.

  7. Object Number: 2083526  Size: MF
  8. For the Equinox only, secure the hood switch wiring harness (2) to the air conditioning evaporator/compressor hoses (3) with one tie wrap shipped loose in the kit (4) and one integral tie wrap (5).

  9. Object Number: 2083528  Size: MF
  10. For the Torrent only, route the hood switch wiring harness under the front end upper tie bar and secure it to the evaporator/compressor hoses (1) with one integral tie wrap (2).

  11. Object Number: 2083530  Size: SH
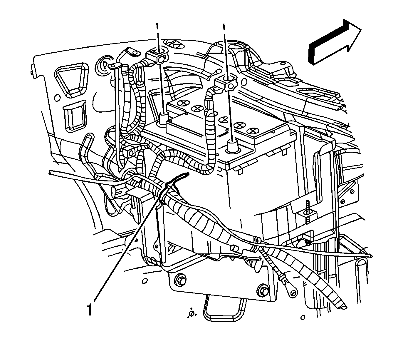
  12. Secure the hood switch wiring harness to the battery negative cable with one integral tie wrap (1).

  13. Object Number: 1827809  Size: LF
  14. Route the hood switch wiring harness ground terminal through the battery current sensor (4).
  15. Route the hood switch wiring harness ground lead to the battery.
  16. Remove the screw for the ring terminal mounted to the battery negative cable at the battery, add the hood switch wiring harness ground terminal under the existing ring terminal, and secure with the original screw.

  17. Object Number: 2083531  Size: MF

    Object Number: 2083533  Size: SF
  18. Remove the forward lamp to underhood electrical center connector X3 (1) from the bracket by depressing the three integral retainer tabs (5, 2).
  19. Remove the back cover from X3.
  20. Insert the pink wire of the hood switch wiring harness into cavity 13 (3) of connector X3.
  21. Insert the purple wire of the hood switch wiring harness into cavity 14 (4) of connector X3.
  22. Reinstall the back cover to connector X3.
  23. Snap connector X3 into the underhood electrical center bracket.
  24. Reset the underhood electrical center connectors by pulling the center sections of the connectors upward until they snap into position.
  25. Reassemble the underhood electrical center. Refer to Underhood Electrical Center or Junction Block Replacement.
  26. Physically replace the factory remote control door lock receiver (RCDLR) with the 2-way RCDLR included in the kit. Refer to Remote Control Door Lock Receiver Replacement. Do not program or reassemble yet.

  27. Object Number: 2083535  Size: MF
  28. Measure 60 mm (2 3/8 in) (a) length of antenna cable from the antenna and secure the cable to the right side rear quarter inner body structure under the window opening with three adhesive wire-wraps (1).
  29. Connect the antenna to the RCDLR.
  30. Secure the antenna cable to the main body wiring harness RCDLR lead with one tie wrap (4) and one adhesive wire-wrap (3).
  31. Important: Excess antenna cable length must be looped in a "figure 8" no less than 100 mm (4 in) in length for the best performance of the system.

  32. Loop the excess antenna cable length into a "figure 8" at least 100 mm (4 in) long and secure to the main body wiring harness with two tie wraps (2).

  33. Object Number: 2083537  Size: MF
  34. Clean the surface of the right rear quarter lower trim panel where the antenna will be installed with a surface cleaner (50 percent isopropyl alcohol, FS-1082 hi-flash naphtha or equivalent).
  35. Dry the trim panel thoroughly using a lint free cloth.
  36. Important: 

       • The adhesion promoter must be used to assure adequate bonding of the antenna.
       • Mask off or protect areas before applying the adhesion promoter.

  37. Apply adhesion promoter GM P/N 12378462 (Canadian P/N 10953554) to the panel in the area where the antenna will be mounted. Follow the adhesion promoter instructions on the product label. Use a = 15 mm (9/16 in) and b = 210 mm (8 1/4 in) for the dimensions on the figure.
  38. Reinstall the right rear quarter lower trim panel. Refer to Quarter Lower Rear Trim Panel Replacement.
  39. Important: 

       • Position the antenna according to the figure provided.
       • Do not touch the adhesive pad on the antenna.

  40. Remove the protective film from the adhesive pad on the antenna.
  41. Align the antenna according to the figure, using a = 15 mm (9/16 in) and b = 210 mm (8 1/4 in).
  42. Press firmly all along the antenna, including all four corners of the adhesive pad, in order to ensure proper adhesion to the trim panel.
  43. Hold pressure on the antenna for 10-30 seconds.
  44. Reassemble. Refer to Remote Control Door Lock Receiver Replacement.
  45. Program the 2-way RCDLR. Refer to Remote Control Door Lock Receiver Programming and Setup Program the 2-way transmitter and the vehicle factory transmitters to the 2-way RCDLR.
  46. Using the scan tool and SPS terminal, reprogram the theft deterrent module (TDM, not VTD). Use "Normal" mode, and select the calibration with remote start. Refer to Theft Deterrent Control Module Programming and Setup.
  47. Reprogram the body control module (BCM) using the method called out by the TCSC. Refer to Body Control Module Programming and Setup.
  48. Turn the ignition off for 1 minute.
  49. Turn the ignition on.
  50. Using the scan tool, retrieve any diagnostic trouble codes (DTCs) from all of the modules.
  51. Clear all DTCs.
  52. Remove the scan tool.
  53. Operate the 2-way and factory transmitters in order to verify correct system operation. Refer to Keyless Entry System Description and Operation. Press a command button with the vehicles ignition ON in order to synchronize the 2-way transmitter clock to the vehicles clock.
  54. Drive the vehicle at least 1 mile above 25 mph. This is to synchronize the 2-way transmitter odometer display to the vehicle odometer and update the tire pressure displays.
  55. Add the transmitters to the customer key rings.
  56. Place the 2-way advanced remote start owner manual in the instrument panel compartment.
  57. Keep the vehicle dry. Allow 6-8 hours, at 15°C (60°F), for the antenna adhesive to cure after installation.