GM Service Manual Online
For 1990-2009 cars only

Generator Replacement LNJ

Removal Procedure


    Object Number: 1916762  Size: SH
  1. Disconnect the negative battery cable. Refer to Battery Negative Cable Disconnection and Connection .
  2. Remove the drive belt. Refer to Drive Belt Replacement .
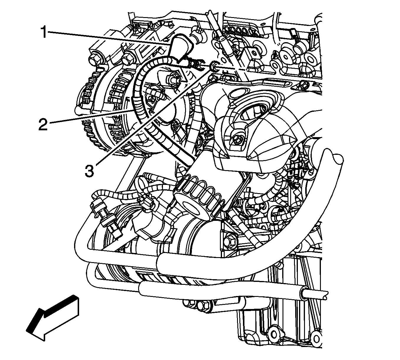
  3. Disconnect the engine wiring harness electrical connector (1) from the generator.
  4. Reposition the engine wiring harness boot (4).
  5. Remove the generator terminal nut (2).
  6. Remove the engine wiring harness terminal lead (3) from the generator.

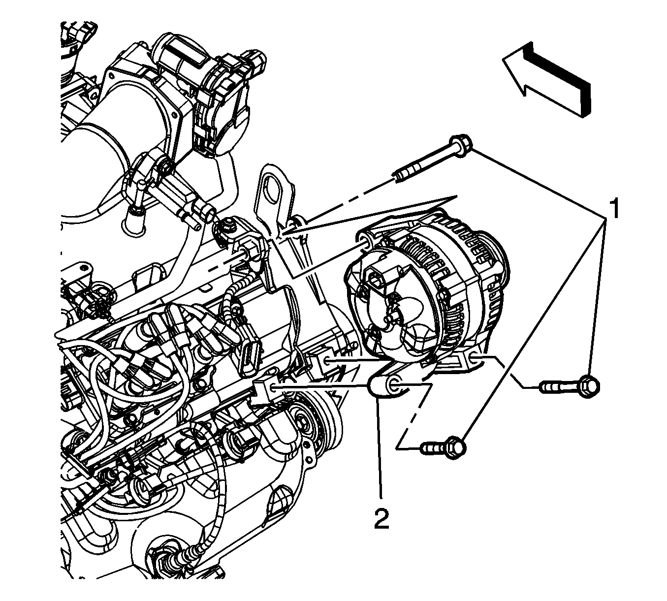
  7. Object Number: 1916766  Size: SH
  8. Remove the generator bolts (1).
  9. Remove the generator (2).

Installation Procedure


    Object Number: 1916766  Size: SH
  1. Install the generator (2).
  2. Notice: Refer to Fastener Notice in the Preface section.

  3. Install the generator bolts (1).
  4. Tighten
    Tighten the bolts to 50 N·m (37 lb ft).


    Object Number: 1916762  Size: SH
  5. Install the engine wiring harness terminal lead (3) to the generator.
  6. Install the generator terminal nut (2).
  7. Tighten
    Tighten the nut to 20 N·m (15 lb ft).

  8. Position the engine wiring harness boot (4).
  9. Connect the engine wiring harness electrical connector (1) to the generator.
  10. Install the drive belt. Refer to Drive Belt Replacement .
  11. Install the negative battery cable. Refer to Battery Negative Cable Disconnection and Connection .

Generator Replacement LY7

Removal Procedure


    Object Number: 1916864  Size: SH
  1. Disconnect the negative battery cable. Refer to Battery Negative Cable Disconnection and Connection .
  2. Remove the drive belt. Refer to Drive Belt Replacement .
  3. Disconnect the engine wiring harness electrical connector (1) from the generator.

  4. Object Number: 1916866  Size: SH
  5. Reposition the generator wiring harness boot (1) at the generator terminal.
  6. Remove the generator wiring harness nut (3) from the generator.
  7. Remove the generator wiring harness (2) terminal from the generator.

  8. Object Number: 1916868  Size: SH
  9. Remove the idler pulley (3). Refer to Drive Belt Idler Pulley Replacement .
  10. Remove the generator bolts (1).
  11. Important: When removing the generator from the vehicle, it may be necessary to maneuver the generator to remove it from the vehicle.

  12. Remove the generator (2).

Installation Procedure


    Object Number: 1916868  Size: SH
  1. Position the generator (2) to the engine.
  2. Loosely install the generator bolts (1).
  3. Install the idler pulley (3). Refer to Drive Belt Idler Pulley Replacement .
  4. Notice: Refer to Fastener Notice in the Preface section.

  5. Tighten the generator bolts.
  6. Tighten
    Tighten the bolts to 50 N·m (37 lb ft).


    Object Number: 1916866  Size: SH
  7. Install the generator wiring harness (2) terminal to the generator.
  8. Install the generator wiring harness nut (3) to the generator.
  9. Tighten
    Tighten the nut to 20 N·m (15 lb ft).

  10. Position the generator wiring harness boot (1) at the generator terminal.

  11. Object Number: 1916864  Size: SH
  12. Connect the engine wiring harness electrical connector (1) to the generator.
  13. Install the drive belt. Refer to Drive Belt Replacement .
  14. Connect the negative battery cable. Refer to Battery Negative Cable Disconnection and Connection .