GM Service Manual Online
For 1990-2009 cars only

Removal Procedure


    Object Number: 1822907  Size: SH
  1. Remove the battery. Refer to Battery Replacement .
  2. Remove the air conditioning (A/C) evaporator line clamp nut at the battery box.
  3. Remove the A/C evaporator outlet line clamp from the battery tray stud.

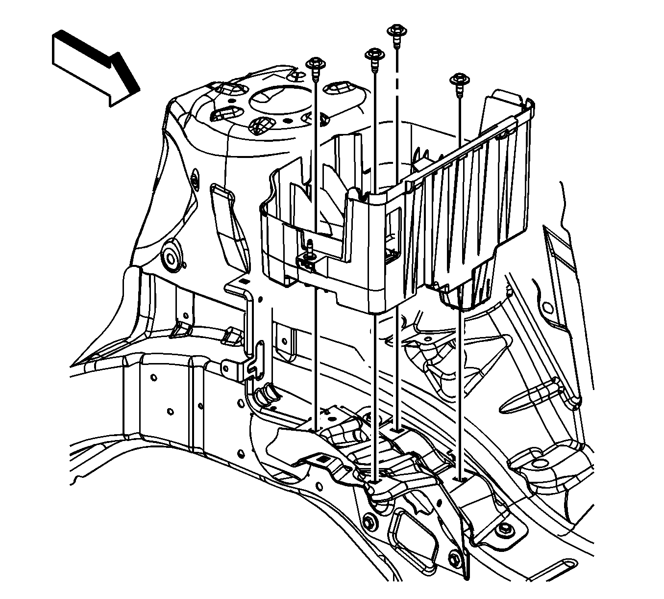
  4. Object Number: 1822914  Size: SH
  5. Remove the battery tray bolts.
  6. Lift up the battery tray slightly in order to disconnect the battery cooling air inlet duct.

  7. Object Number: 1822913  Size: SH
  8. Disconnect the battery cooling air inlet duct from the battery tray.
  9. Remove the battery tray from the vehicle.

Installation Procedure


    Object Number: 1822913  Size: SH
  1. Position the battery tray to the vehicle.
  2. Important: Fully insert the duct into the hole on the battery tray past the second molded in ridge, stopping at the flange.

  3. Connect the battery cooling air inlet duct to the battery tray.

  4. Object Number: 1822914  Size: SH
  5. Set the battery tray completely in place.
  6. Notice: Refer to Fastener Notice in the Preface section.

  7. Install the battery tray bolts.
  8. Tighten
    Tighten the bolts to 15 N·m (11 lb ft).


    Object Number: 1822907  Size: SH
  9. Install the A/C evaporator outlet line clamp to the battery tray stud.
  10. Install the A/C evaporator line clamp nut at the battery tray.
  11. Tighten
    Tighten the nut to 15 N·m (11 lb ft).

  12. Install the battery. Refer to Battery Replacement .