GM Service Manual Online
For 1990-2009 cars only
Makes
🢒
Pontiac
🢒
2008
🢒
Torrent
🢒
Diagnostic Navigation
🢒
Vehicle Diagnostic Information
🢒 Door Lock/Indicator Schematics
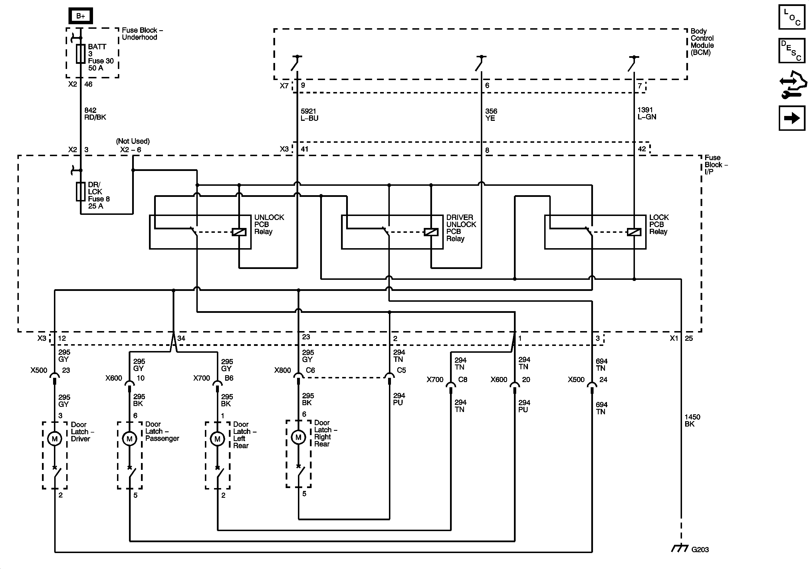
Figure
1:
Door Lock Motors and Relays
Master Electrical Component List
Power Door Locks Description and Operation
Control Module References
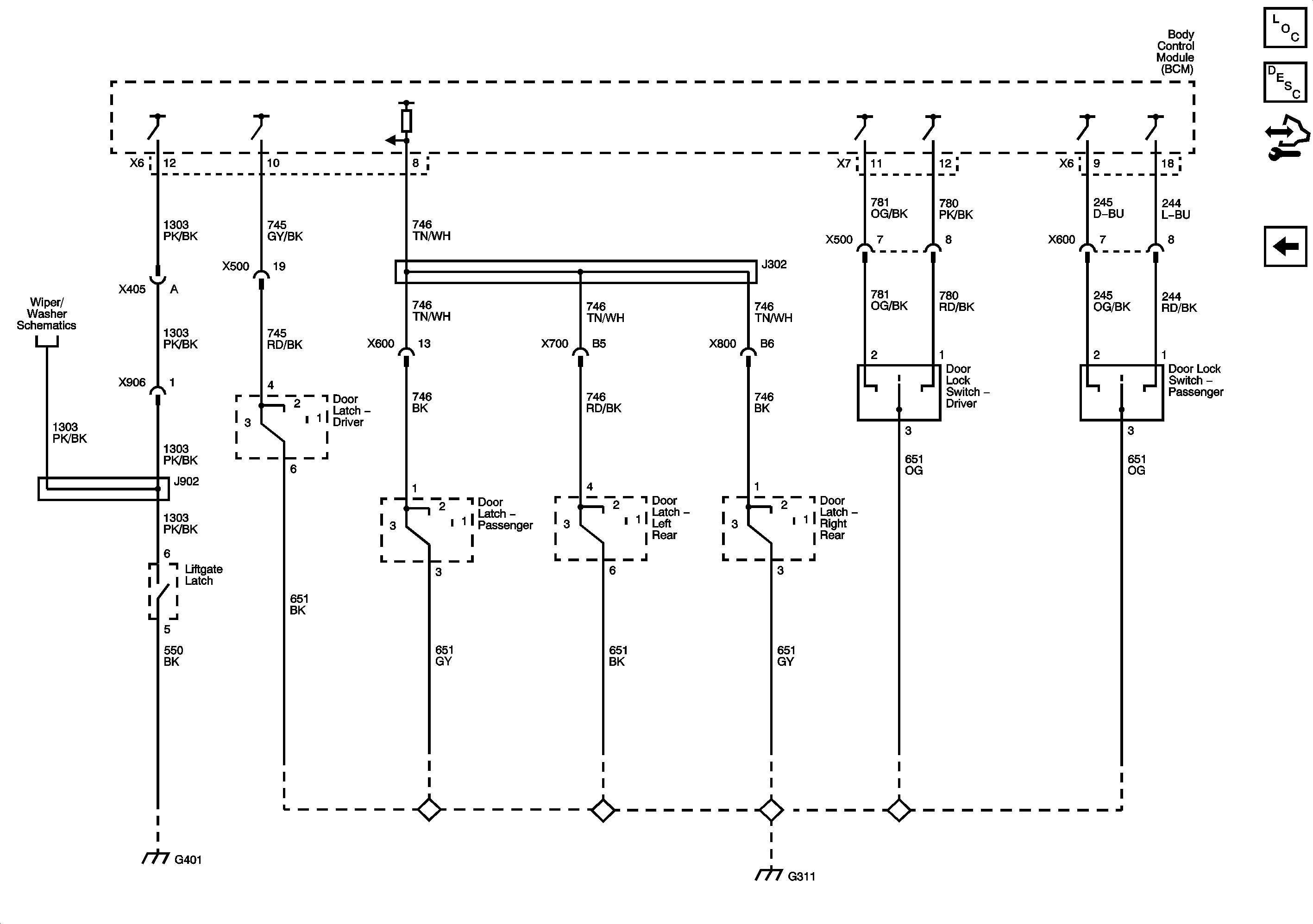
Door Latches and Switches
Figure
2:
Door Latches and Switches
Master Electrical Component List
Power Door Locks Description and Operation
Control Module References
Door Lock Motors and Relays