GM Service Manual Online
For 1990-2009 cars only
Makes
🢒
Pontiac
🢒
2008
🢒
Torrent
🢒
Diagnostic Navigation
🢒
Vehicle Diagnostic Information
🢒 Data Communication Schematics
Figure
1:
Low Speed GMLAN
Master Electrical Component List
Data Link Communications Description and Operation
Control Module References
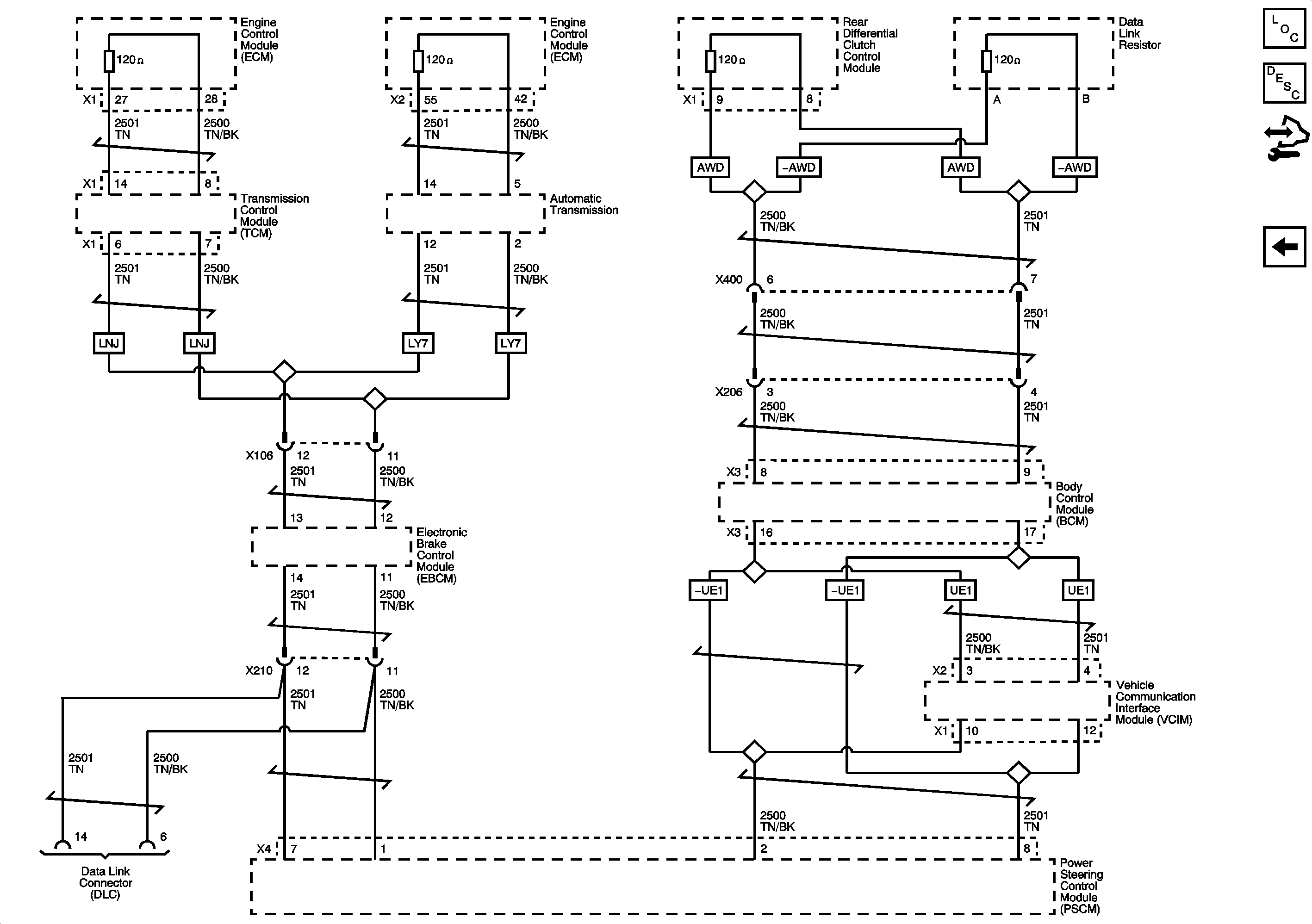
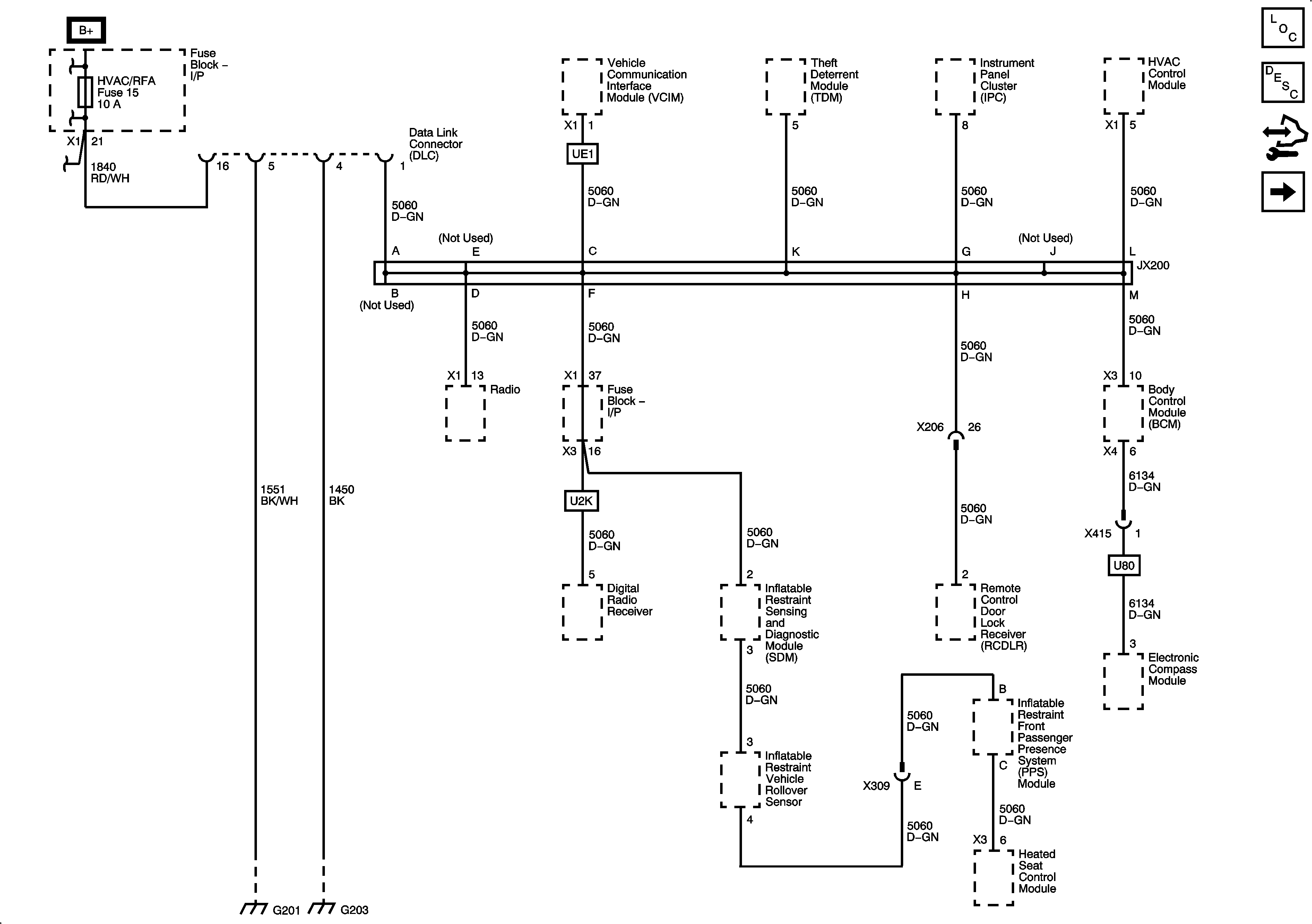
High Speed GMLAN
Figure
2:
CAN Bus and Enable Serial Data
Master Electrical Component List
Data Link Communications Description and Operation
Control Module References
High Speed GMLAN
Figure
3:
High Speed GMLAN
Master Electrical Component List
Data Link Communications Description and Operation
Control Module References
Low Speed GMLAN