GM Service Manual Online
For 1990-2009 cars only
Makes
🢒
Pontiac
🢒
2008
🢒
Torrent
🢒
Diagnostic Navigation
🢒
Vehicle Diagnostic Information
🢒 HVAC Schematics
Figure
1:
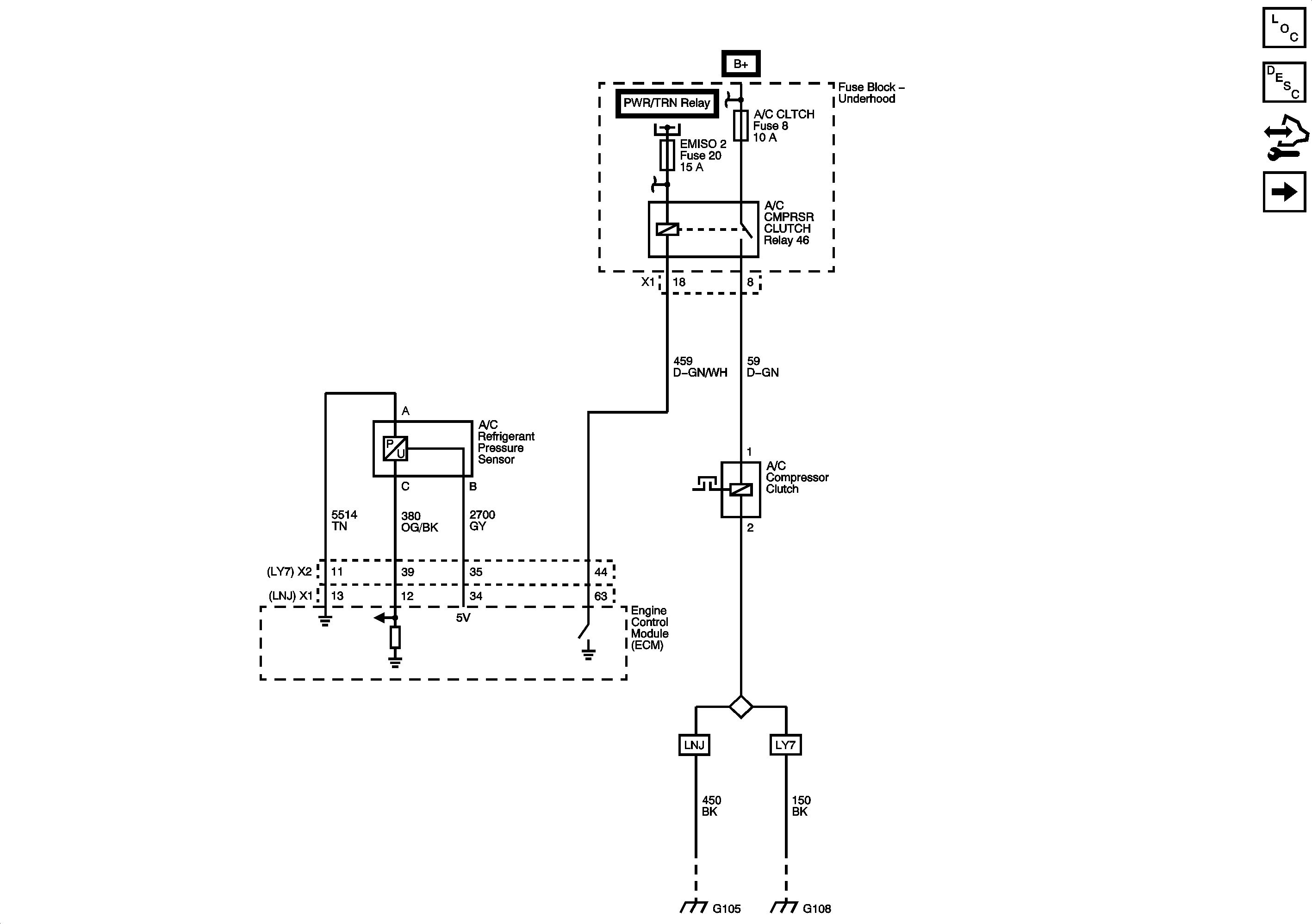
A/C Compressor Controls
Air Delivery Description and Operation
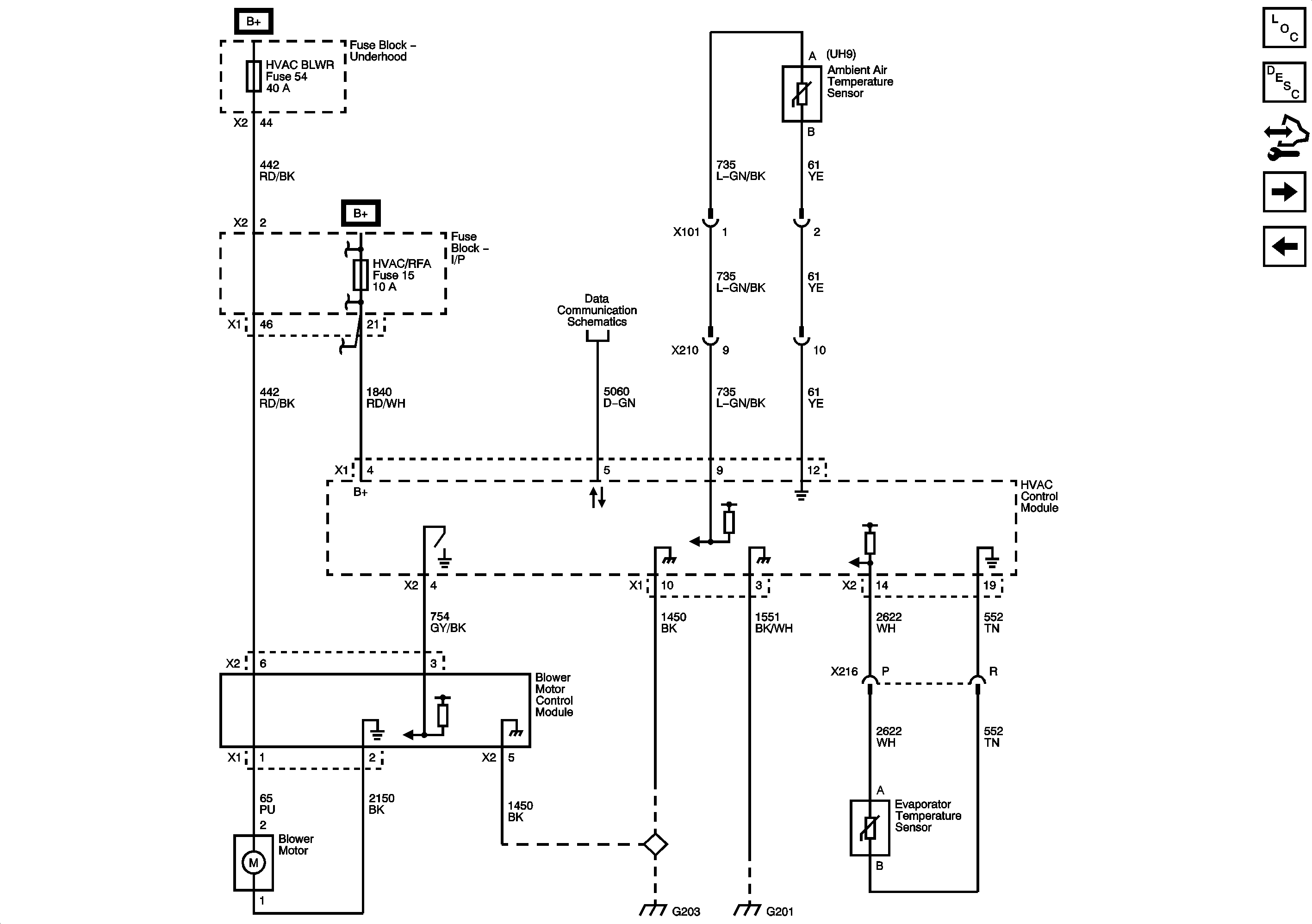
Sensors and Blower Motor
Figure
2:
Sensors and Blower Motor
Master Electrical Component List
Air Temperature Description and Operation
Control Module References
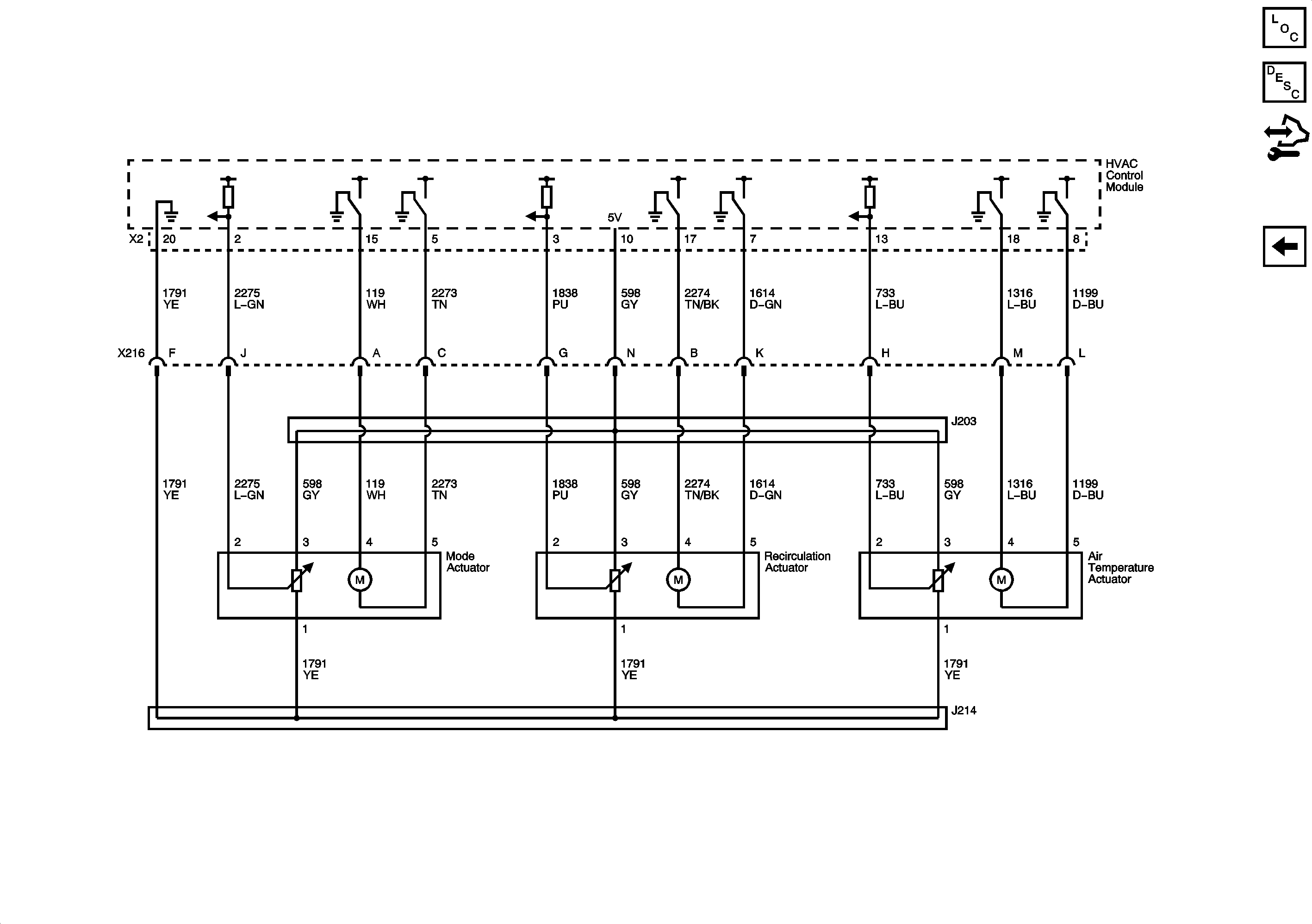
Actuators
A/C Compressor Controls
Figure
3:
Actuators
Master Electrical Component List
Air Temperature Description and Operation
Control Module References
Sensors and Blower Motor