GM Service Manual Online
For 1990-2009 cars only
Figure 1:

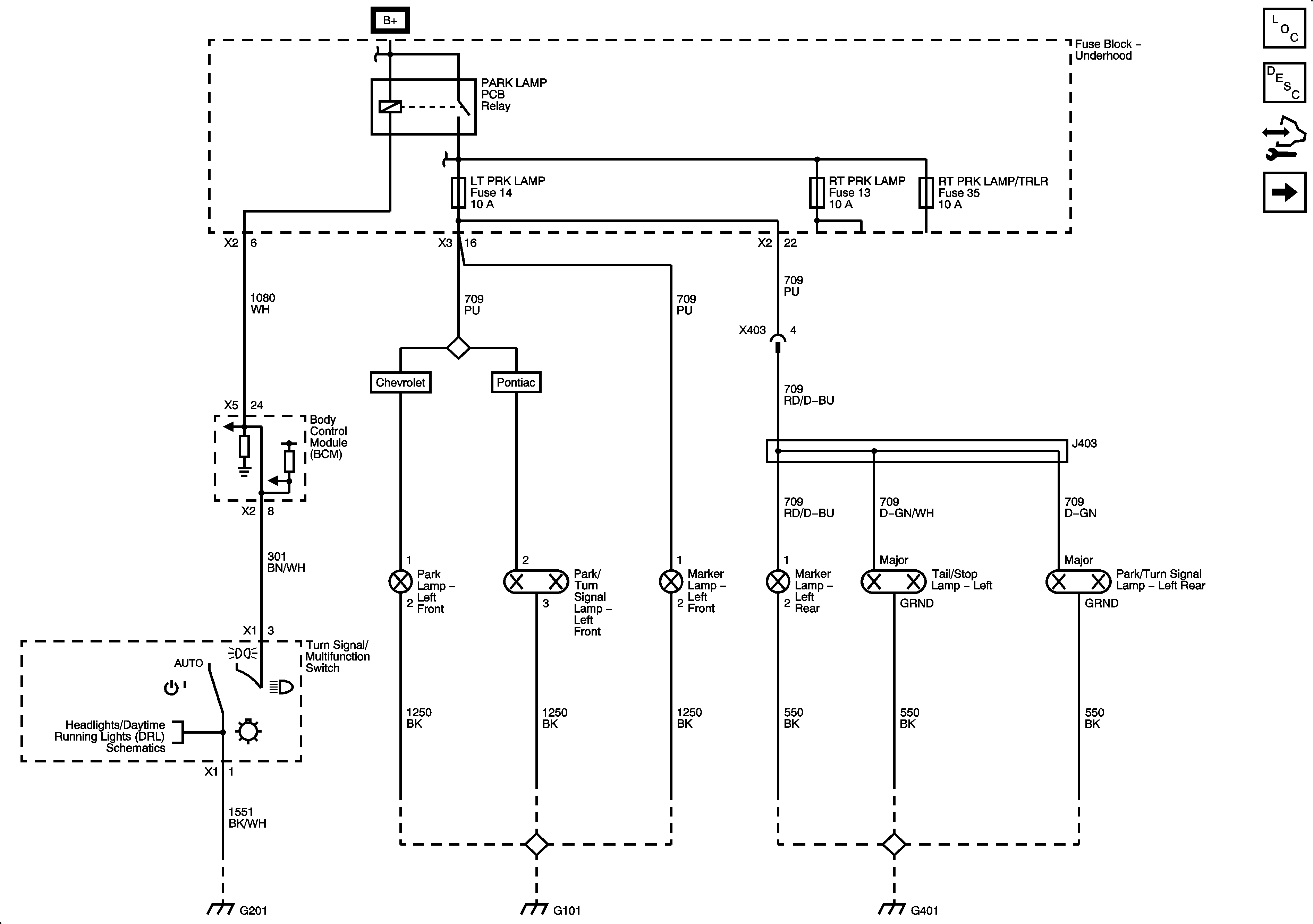
Left Park Lamps


Object Number: 1923528  Size: FS
Master Electrical Component List
Exterior Lighting Systems Description and Operation
Control Module References
License Lamp, Right Park Lamps
Figure 2:

License Lamps, Right Park Lamps


Object Number: 1923532  Size: FS
Master Electrical Component List
Exterior Lighting Systems Description and Operation
Control Module References
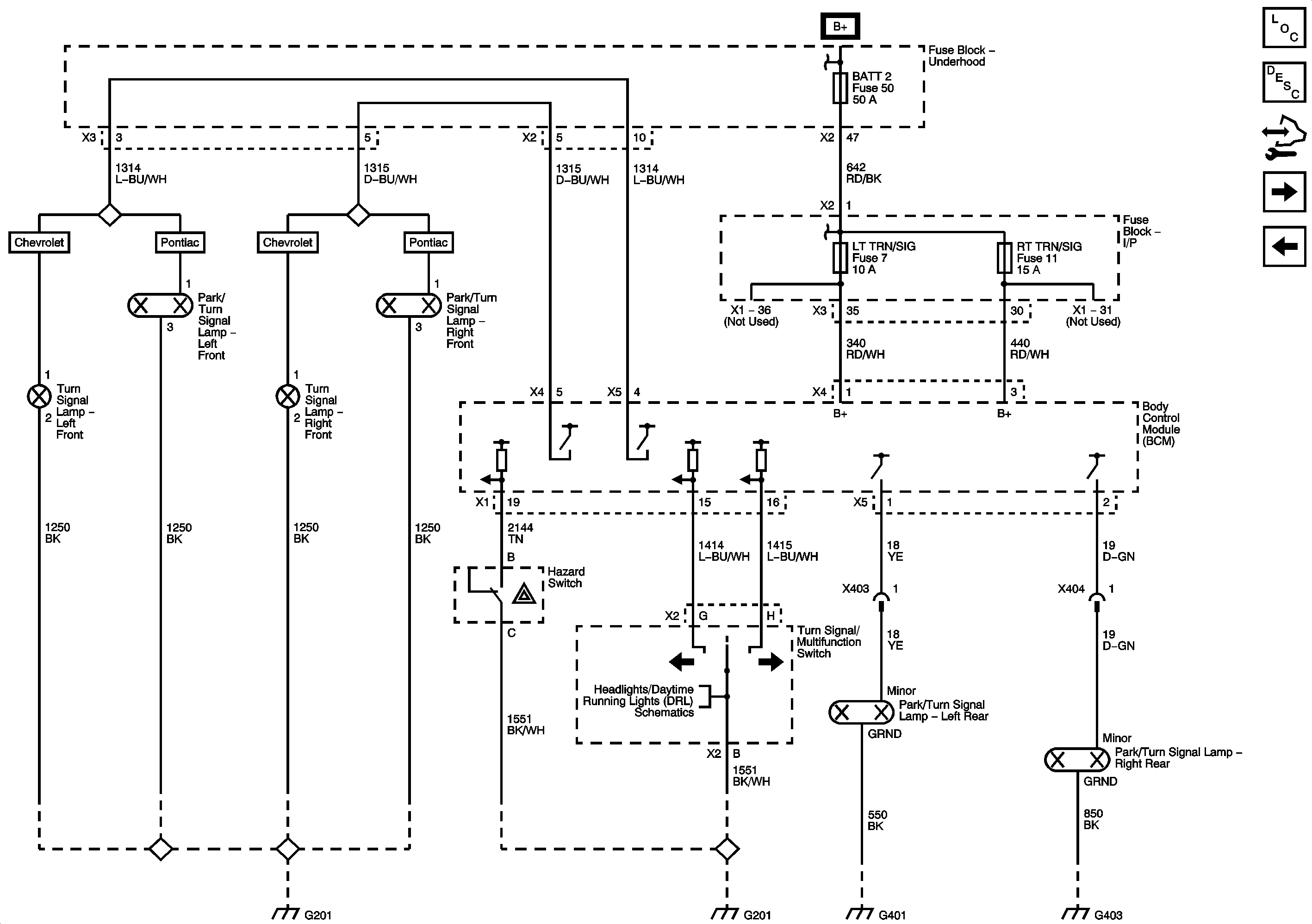
Turn Signal Lamps
Left Park Lamps
Figure 3:

Turn Signal Lamps


Object Number: 1923535  Size: FS
Master Electrical Component List
Exterior Lighting Systems Description and Operation
Control Module References
Stop Lamps
License Lamp, Right Park Lamps
Figure 4:

Stop Lamps


Object Number: 1923541  Size: FS
Master Electrical Component List
Exterior Lighting Systems Description and Operation
Control Module References
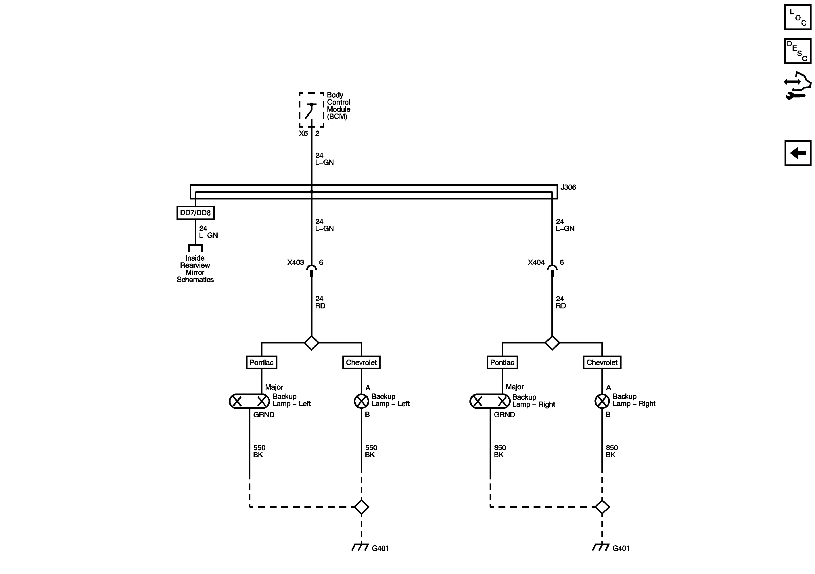
Backup Lamps
Turn Signal Lamps
Figure 5:

Backup Lamps


Object Number: 1923545  Size: FS
Master Electrical Component List
Exterior Lighting Systems Description and Operation
Control Module References
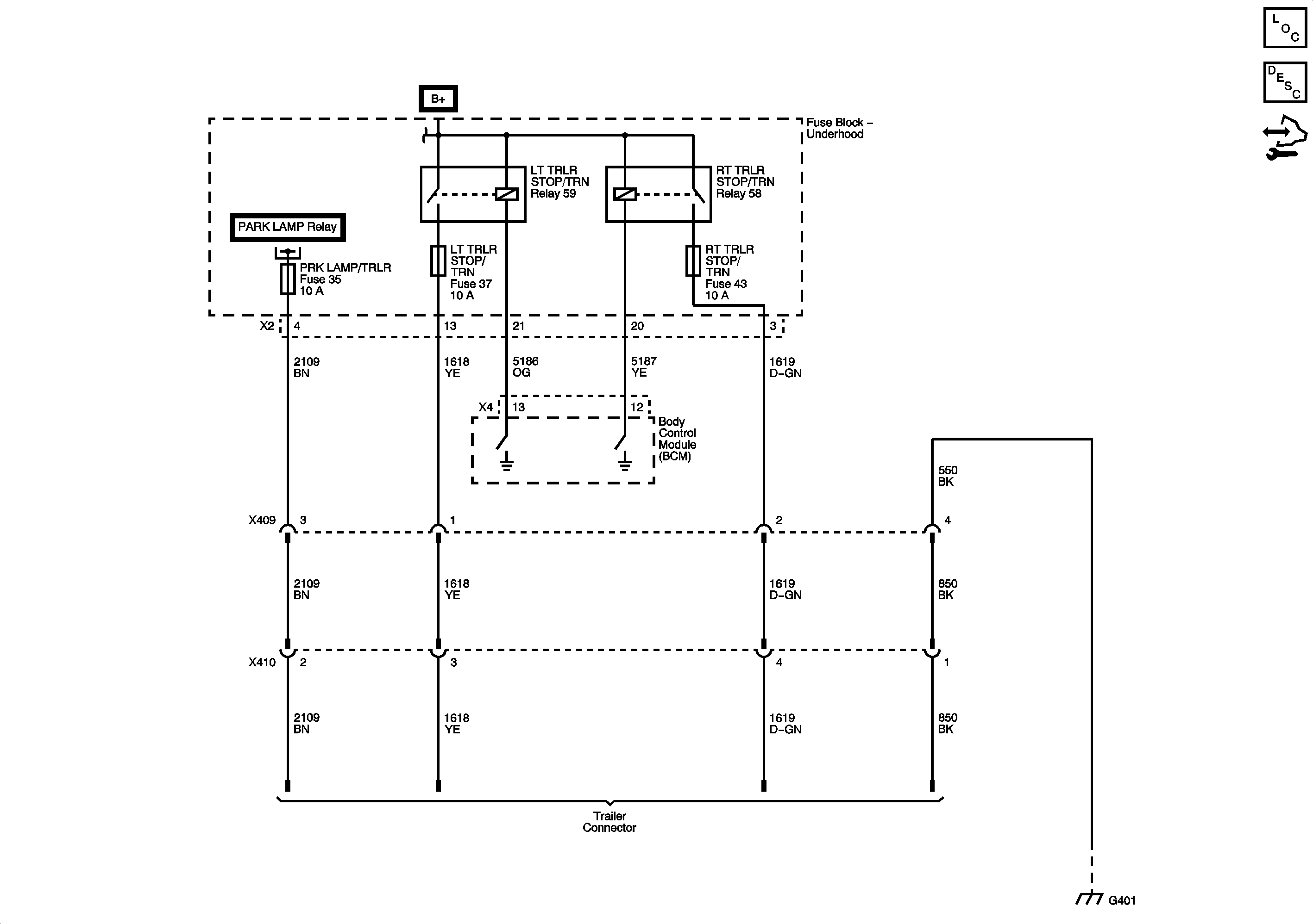
Trailer Tow Connector
Stop Lamps
Figure 6:

Trailer Tow Connector


Object Number: 1923549  Size: FS
Master Electrical Component List
Exterior Lighting Systems Description and Operation
Control Module References
Backup Lamps