GM Service Manual Online
For 1990-2009 cars only
Figure 1:

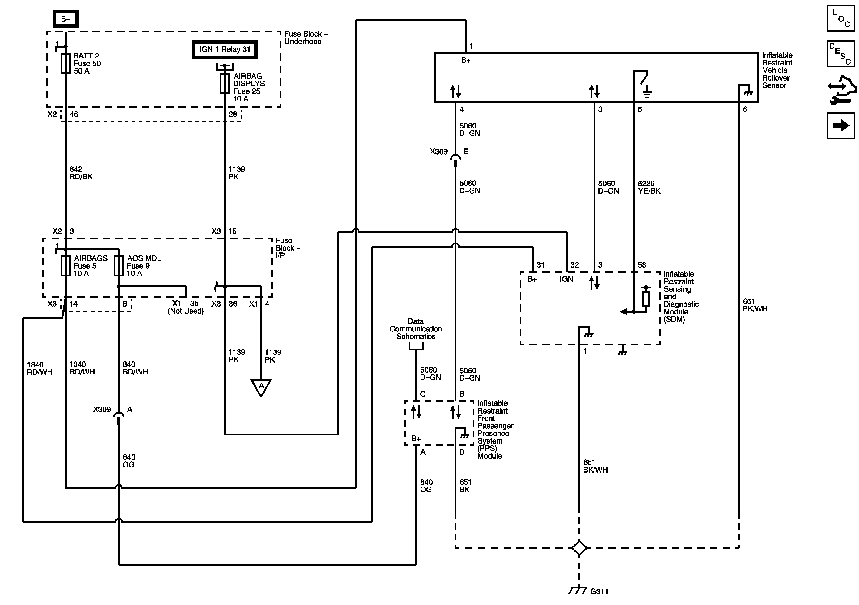
Power, Ground, Roll Over Sensor, and PPS


Object Number: 1923605  Size: FS
Master Electrical Component List
SIR System Description and Operation
Control Module References
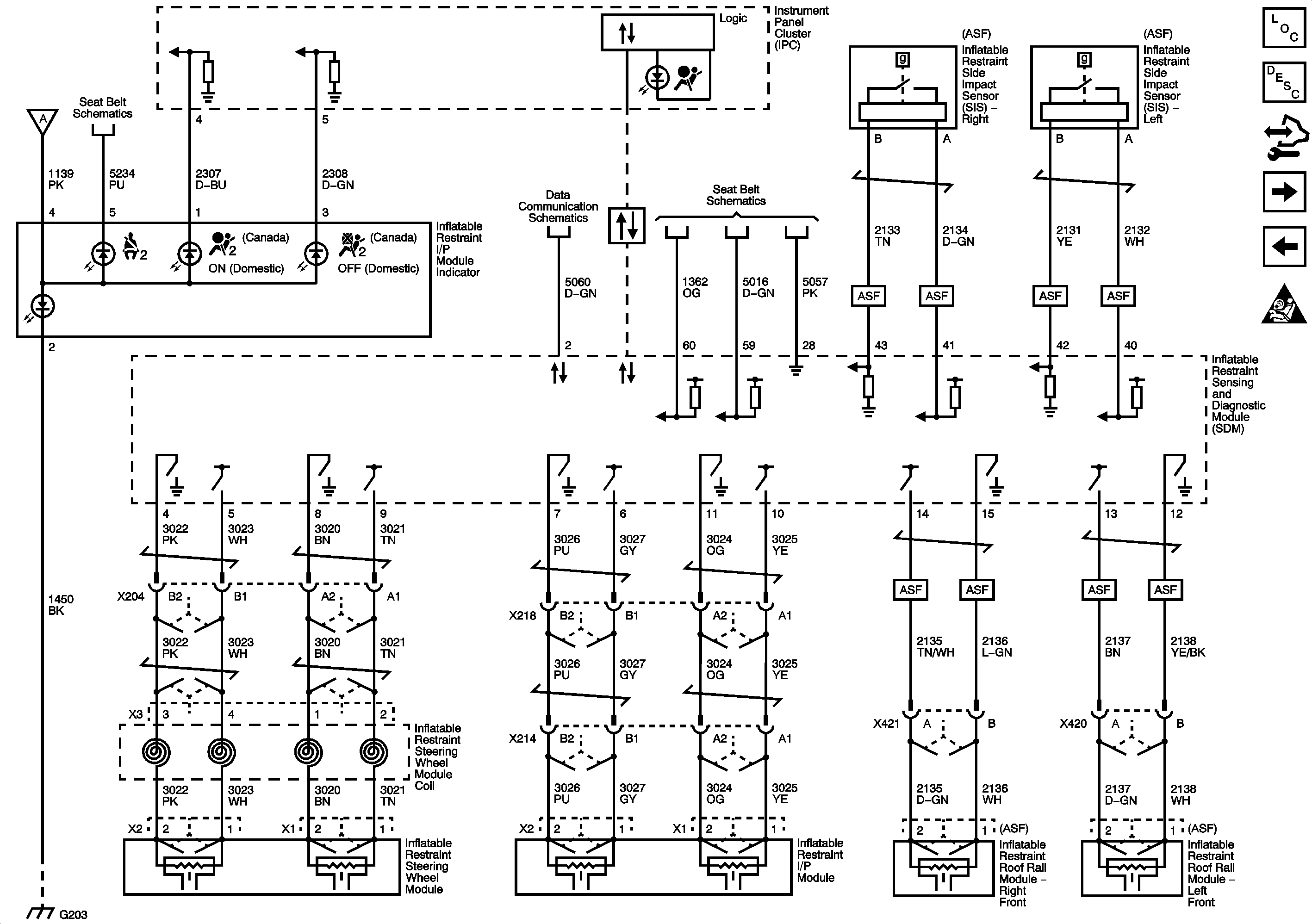
Modules and Sensors
Figure 2:

Modules and Sensors


Object Number: 1923609  Size: FS
Master Electrical Component List
SIR System Description and Operation
Control Module References
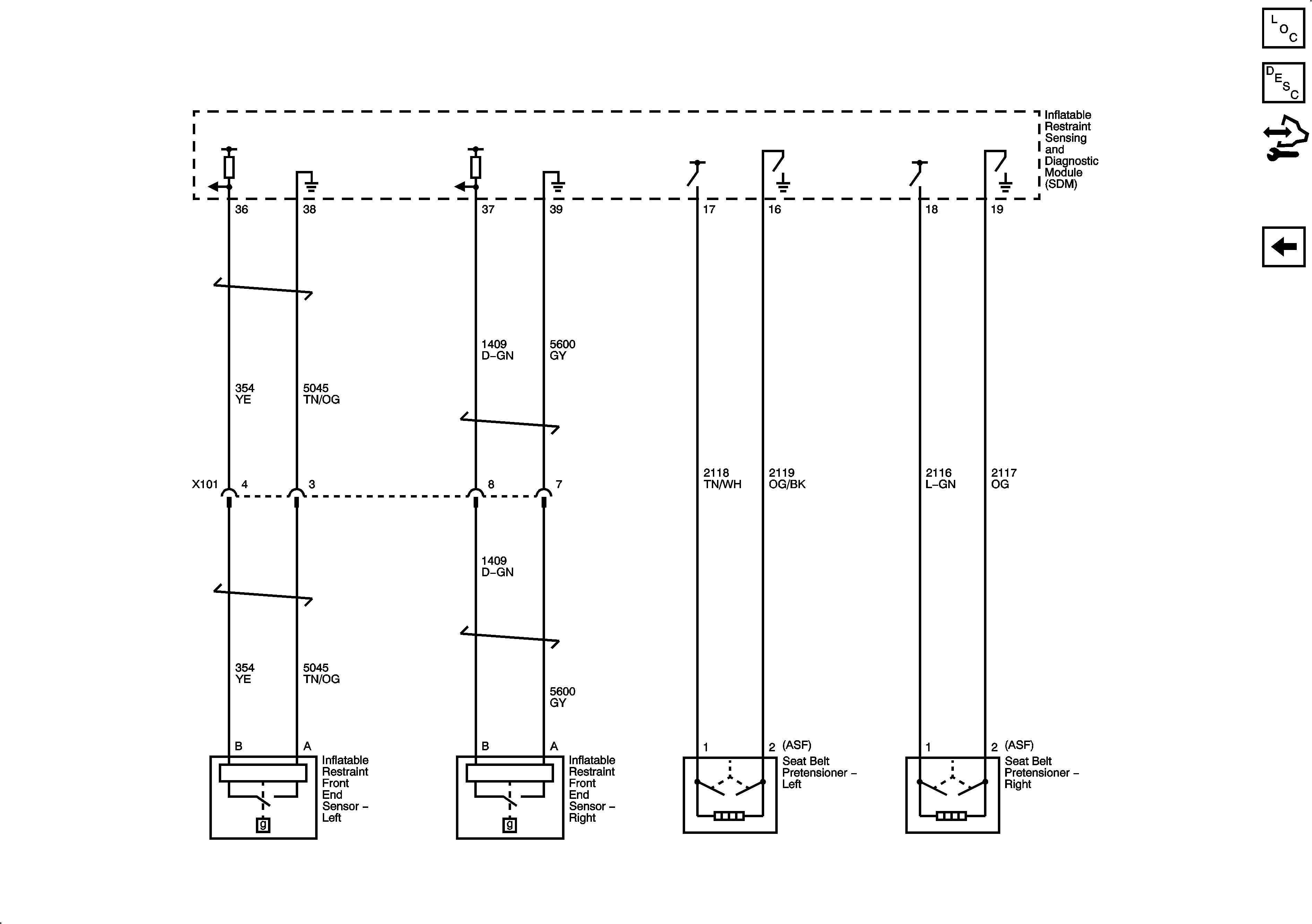
Pretensioners and Front End Sensor
Power, Ground, Roll Over Sensor and PPS
Figure 3:

Pretensioners and Front End Sensor


Object Number: 1923613  Size: FS
Master Electrical Component List
SIR System Description and Operation
Control Module References
Modules and Sensors