GM Service Manual Online
For 1990-2009 cars only
Figure 1:

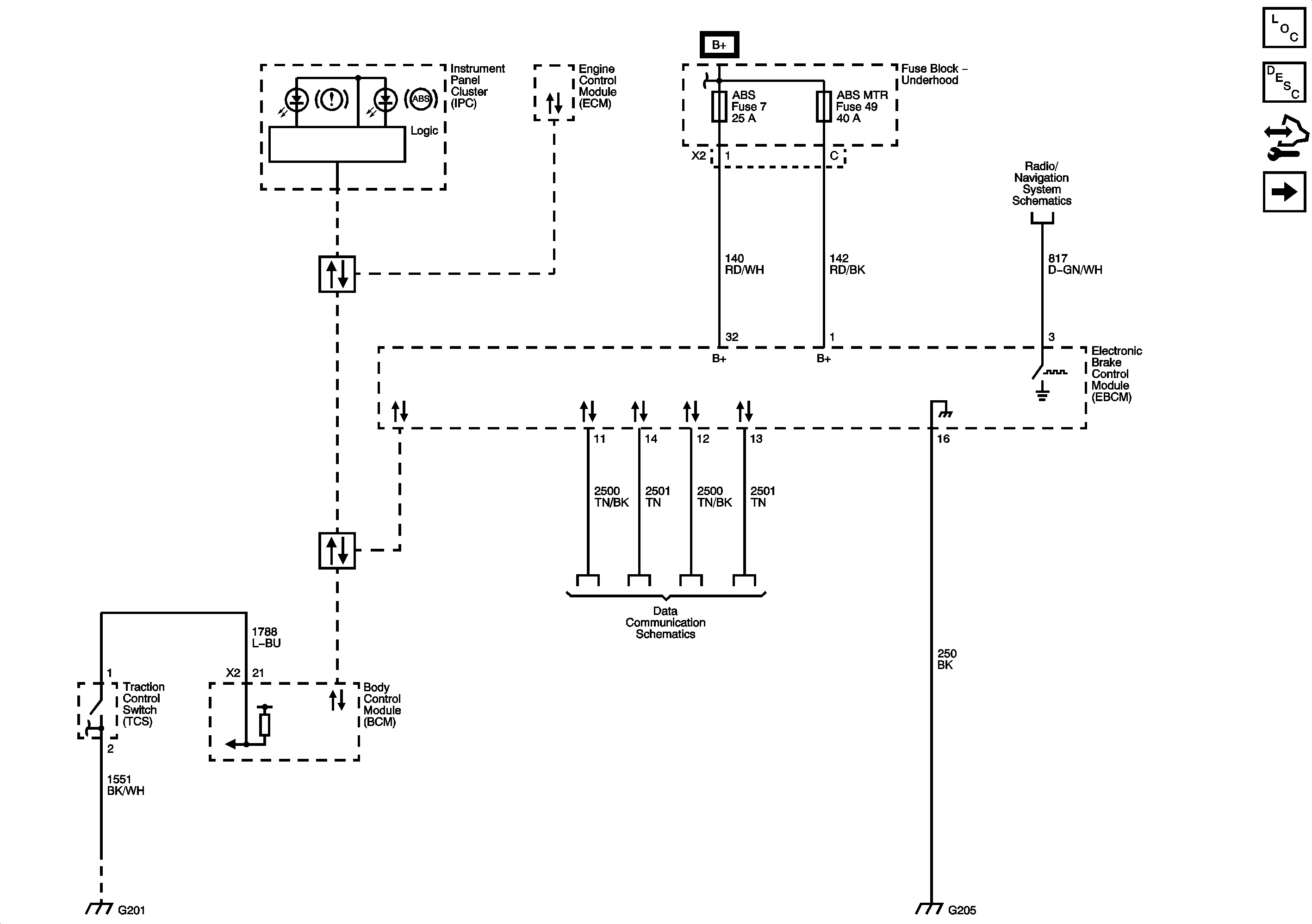
Serial Data, Traction Switch, and Instrument Panel


Object Number: 1923350  Size: FS
Master Electrical Component List
ABS Description and Operation
Control Module References
Wheel Speed Sensors
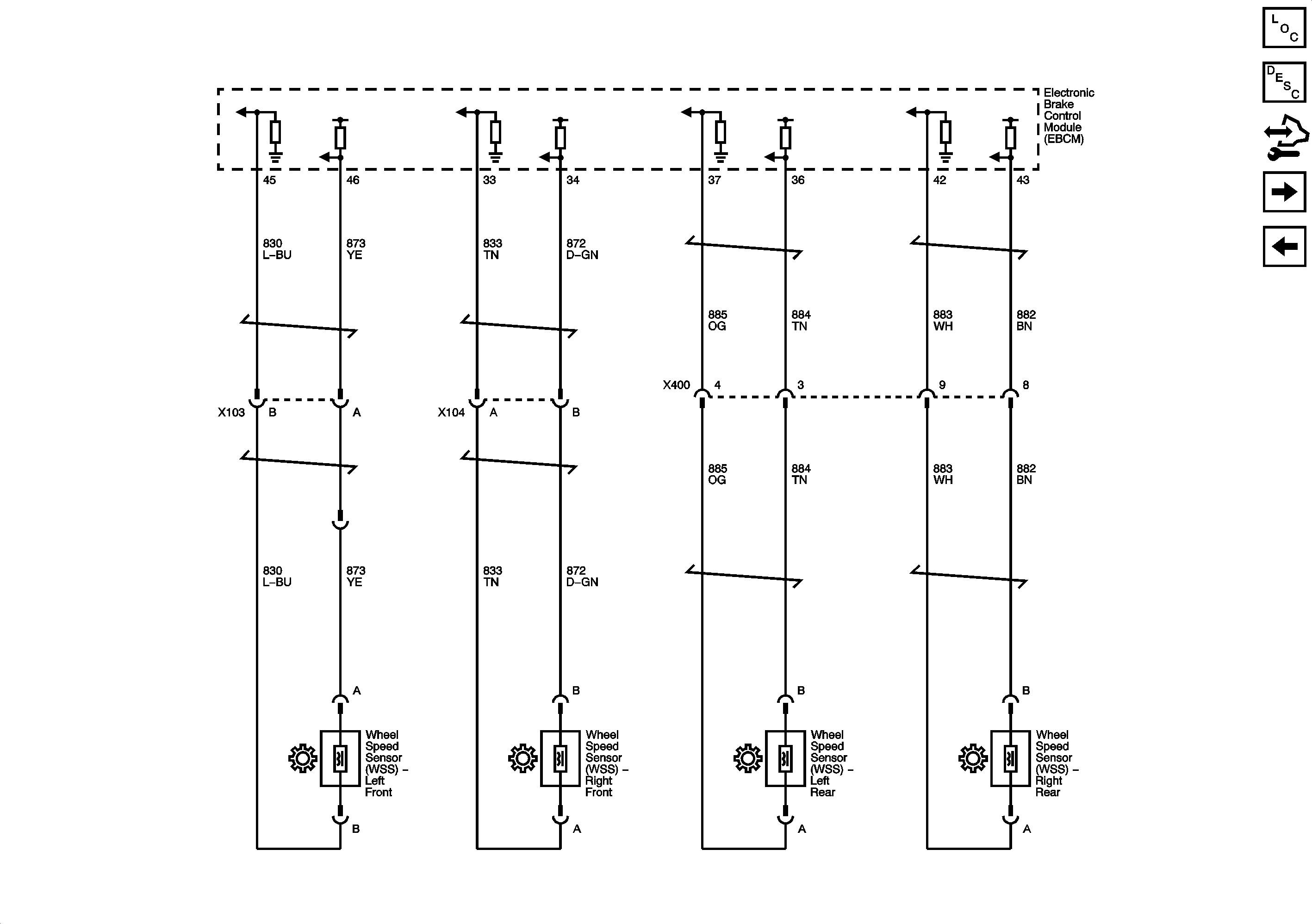
Figure 2:

Wheel Speed Sensors


Object Number: 1923352  Size: FS
Master Electrical Component List
ABS Description and Operation
Control Module References
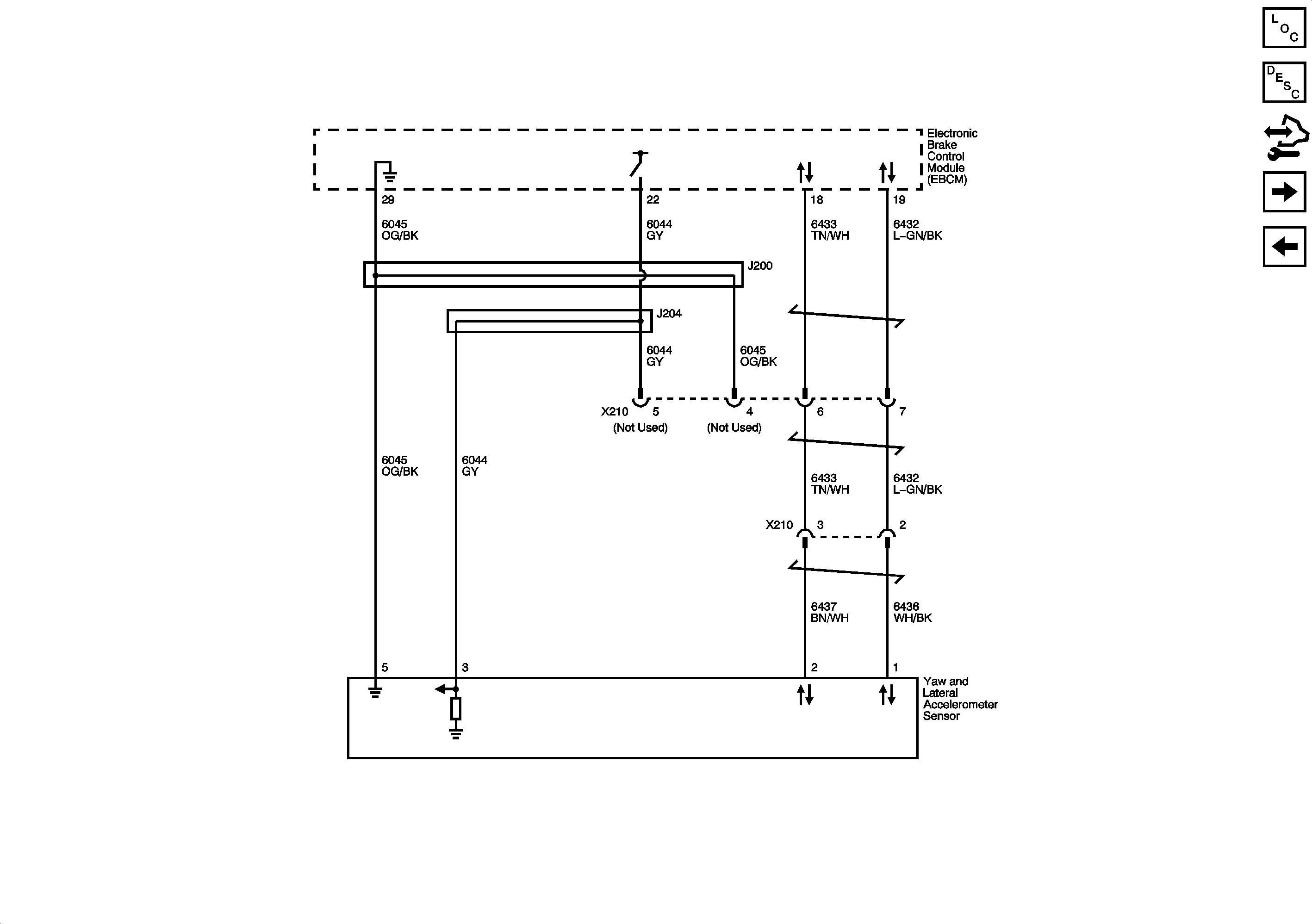
Yaw Rate and Lateral Accelerator Sensor, and Steering Angle Sensor (LNJ)
Serial Data, Traction Switch, and Instrument Panel
Figure 3:

Yaw Rate and Lateral Accelerometer Sensor (LNJ)


Object Number: 1923354  Size: FS
Master Electrical Component List
ABS Description and Operation
Control Module References
Wheel Speed Sensors
Figure 4:

Yaw Rate and Lateral Accelerator Sensor and Steering Angle Sensor (LY7)


Object Number: 1958369  Size: FS