GM Service Manual Online
For 1990-2009 cars only
Figure 1:

Module Power, Ground, Data Communication, and MIL (LY7)


Object Number: 1961166  Size: FS
Master Electrical Component List
Electronic Component Description
Control Module References
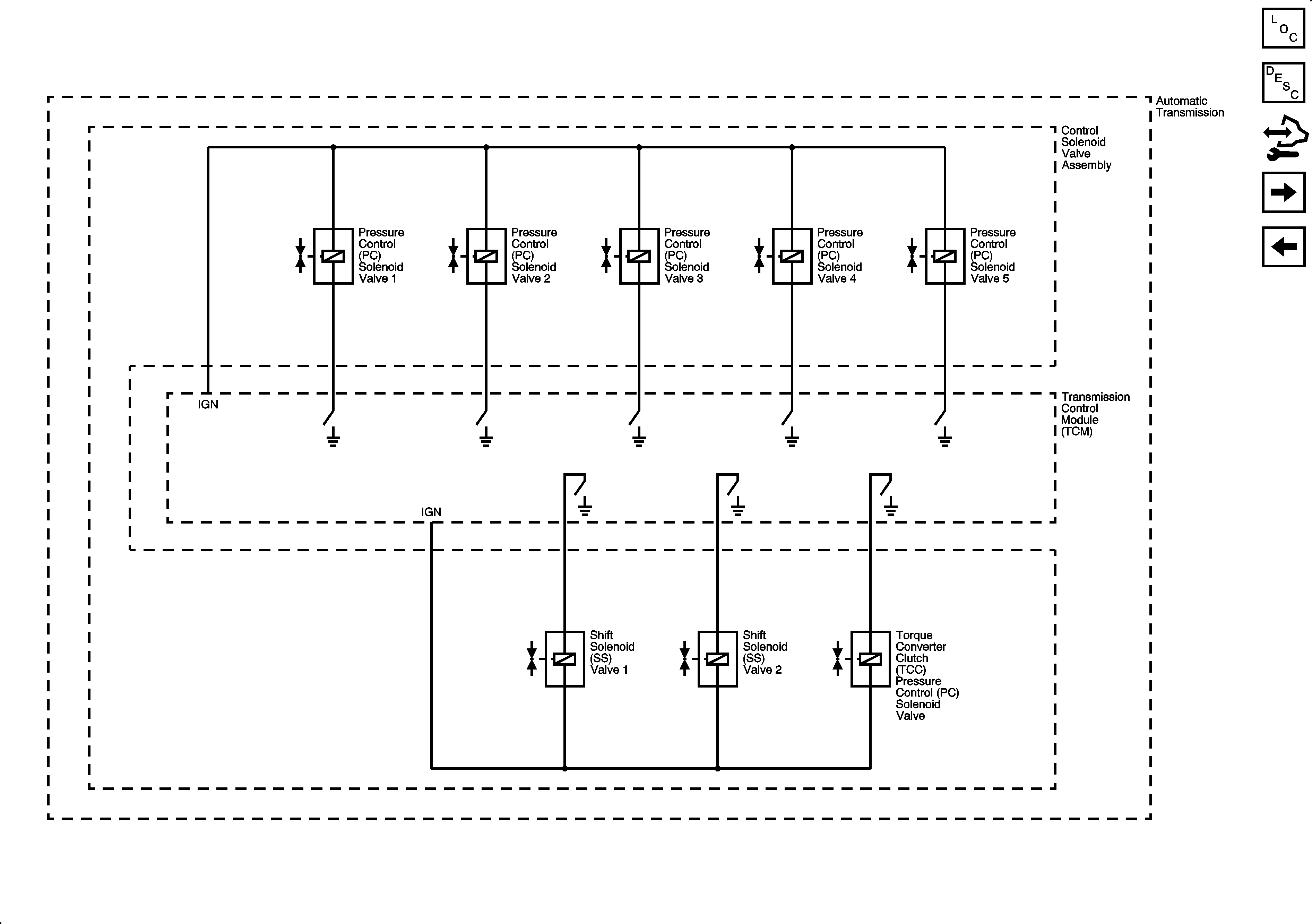
Pressure and Shift Controls (LY7)
Figure 2:

Pressure and Shift Controls (LY7)


Object Number: 1961169  Size: FS
Master Electrical Component List
Electronic Component Description
Control Module References
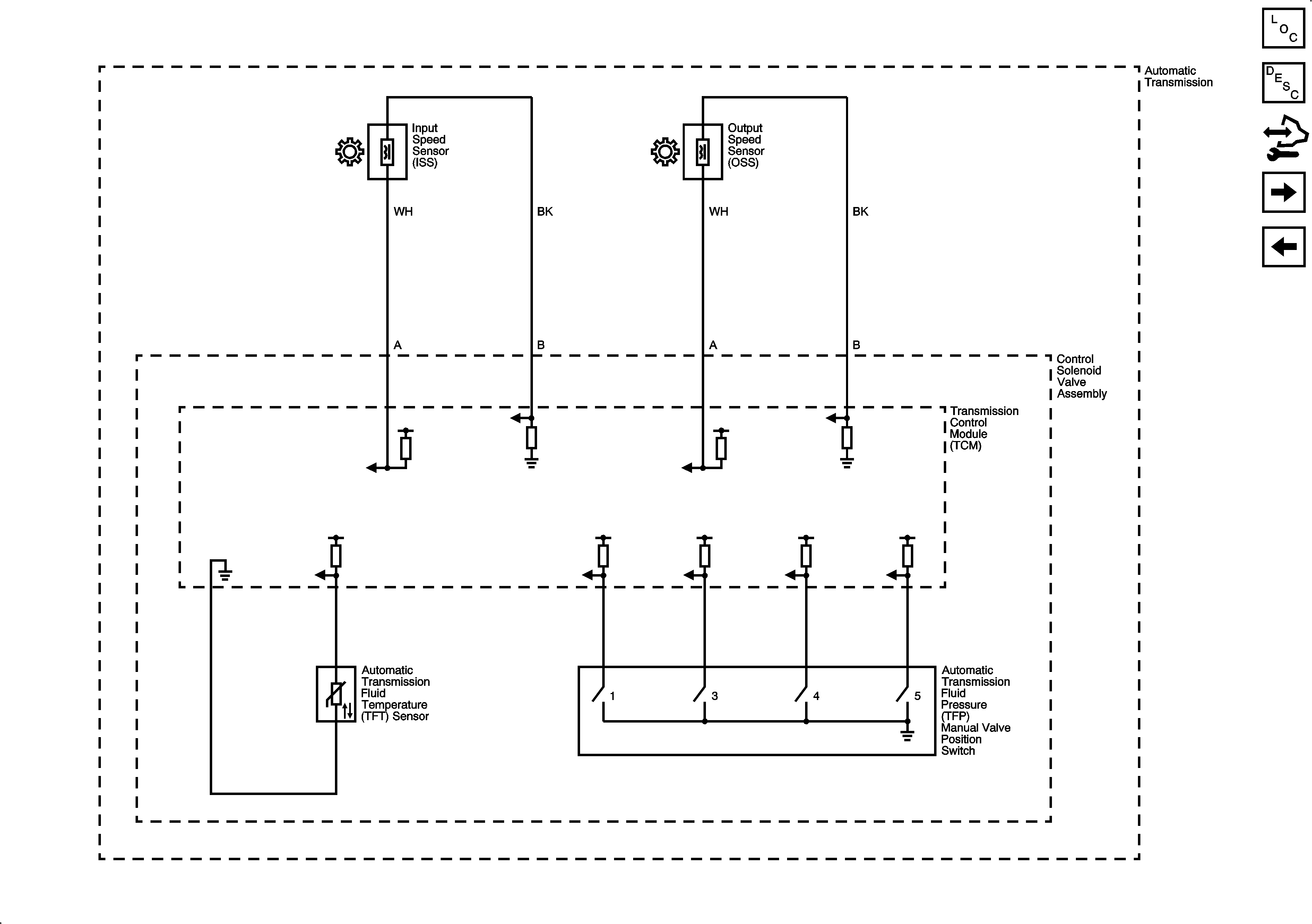
ISS, OSS, TFP, TFT (LY7)
Module Power, Ground, Data Communication, and MIL (LY7)
Figure 3:

ISS, OSS, TFP, TFT (LY7)


Object Number: 1961170  Size: FS
Master Electrical Component List
Electronic Component Description
Control Module References
IMS and Tap Up/Tap Down (LY7)
Pressure and Shift Controls (LY7)
Figure 4:

IMS and Tap Up/Tap Down (LY7)


Object Number: 1961171  Size: FS
Master Electrical Component List
Electronic Component Description
Control Module References
ISS, OSS, TFP, TFT (LY7)