GM Service Manual Online
For 1990-2009 cars only
Figure 1:

Forward Lamp Harness (Chevy)


Object Number: 2017097  Size: LF
(1)Right Front Strut Tower
(2)Fuse Block - Underhood X3 Connector
(3)X101
(4)G101
(5)Radiator
(6)X108 (LY7)
Figure 2:

Forward Lamp Harness (Pontiac)


Object Number: 2017205  Size: LF
(1)Dash Panel
(2)Fuse Block - Underhood X3 Connector
(3)X101
(4)G101
(5)X108 (LY7)
Figure 3:

Engine Harness - Front (LNJ)


Object Number: 1776750  Size: LF
(1)Front Valve Cover
(2)Engine Control Module (ECM) X2 Connector
(3)Engine Control Module (ECM) X1 Connector
(4)Fuse Block - Underhood
(5)G105
Figure 4:

Engine Harness - Rear (LNJ)


Object Number: 1776733  Size: LF
(1)Fuse Block - Underhood
(2)X106
(3)X105
(4)G111
(5)J100
Figure 5:

G107 and G105 (LY7)


Object Number: 1827813  Size: LF
(1)G107
(2)Front Cylinder Head
(3)G105
(4)Starter Motor
Figure 6:

Engine Harness - Rear (LY7)


Object Number: 1817638  Size: LF
(1)G108
(2)G109
Figure 7:

Body Harness - Front


Object Number: 1777003  Size: LF
(1)Electronic Brake Control Module (EBCM) Connector
(2)X102
(3)X101
(4)X103
(5)Fuse Block - Underhood X2 Connector
(6)X104
(7)X106
Figure 8:

Power Steering Harness (LNJ)


Object Number: 1776531  Size: LF
(1)Power Ring Terminal
(2)G207
Figure 9:

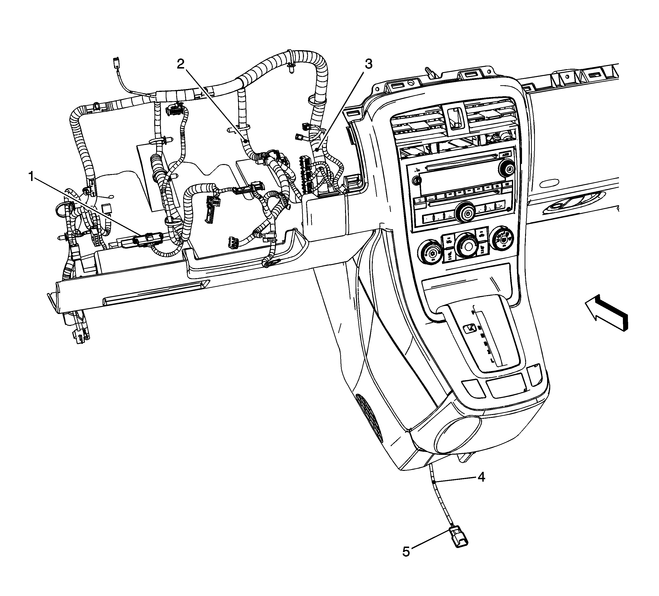
Instrument Panel Harness - Driver Side


Object Number: 1777012  Size: LF
(1)JX200
(2)J210
(3)J201
(4)J211 (UUC)
(5)X207 (UUC)
(6)X412 (UUC)
Figure 10:

Instrument Panel Harness - Passenger Side


Object Number: 1777007  Size: LF
(1)Instrument Panel Cluster Trim
(2)J212
(3)X214
(4)G201
(5)X206
(6)X218
(7)X216
(8)G203
(9)X226
(10)X204
(11)X210
Figure 11:

Headliner Harness (CF5)


Object Number: 2022026  Size: LF
(1)J305
(2)X407
(3)X422 (UE1/U3U)
(4)X311 (UUC)
(5)J310
(6)J311
(7)J312
Figure 12:

Driver Seat Harness


Object Number: 1776524  Size: LF
(1)X308 (AG1)
(2)X312 (AG1)
Figure 13:

Driver Door Harness


Object Number: 1777061  Size: LF
(1)Door Frame
(2)X500
(3)J501
(4)J502
Figure 14:

Passenger Door Harness


Object Number: 1777074  Size: LF
(1)X600
(2)Door Frame
(3)J602
(4)J601
Figure 15:

Console Harness


Object Number: 1776901  Size: LF
(1)Arm Rest
(2) Audio/Video Adaptor (UUC)
(3)Accessory Power Outlet - Center Console 1
(4)J301
(5)J300
(6)Cigar Lighter (DT4)/Accessory Power Outlet - Center Console 2 (-DT4)
(7)X305
(8)X207 (UUC)
Figure 16:

Body Harness - Passenger Compartment


Object Number: 2017347  Size: LF
(1)X206
(2)X600
(3)X219
(4)J307
(5)X309
(6)G311
(7)X800
(8)X700
(9)X308 (AG1)
(10)G301
(11)J304
(12)J308 (Chevy)
(13)J302
(14)J306
(15)J204
(16)X204
(17)J202
(18)X210
(19)X500
(20)J200
(21)G205
Figure 17:

Right Rear Door Harness


Object Number: 1777078  Size: LF
(1)X800
(2)Door Frame
Figure 18:

Left Rear Door Harness


Object Number: 1777076  Size: LF
(1)Door Frame
(2)X700
Figure 19:

Body Harness - Left Rear


Object Number: 1776933  Size: LF
(1)X401
(2)X405
(3)Left Rear Body Panel
(4)Left Rear Wheel Well
(5)G401
(6)X409 (V92)
(7)X420 (ASF)
Figure 20:

Body Harness - Right Rear


Object Number: 2022282  Size: LF
(1)X422 (UE1/U3U)
(2)X421 (ASF)
(3)X414
(4)X405
(5)X412 (UUC)
(6)J409
(7)G403
(8)Right Rear Wheel Well
Figure 21:

Chassis Harness


Object Number: 1787452  Size: LF
(1)Rear Cradle
(2)X400
Figure 22:

Trailer Harnesses


Object Number: 1776515  Size: LF
(1)Liftgate
(2)X409 (V92)
(3)X410 (V92)
Figure 23:

Liftgate Harnesses


Object Number: 2022309  Size: LF
(1)X414
(2)J901
(3)X902
(4)X405
(5)X401
(6)X906
(7)J902
(8)X907
(9)X908
(10)J900
(11)X911
Figure 24:

Passenger Seat (Manual)


Object Number: 2022195  Size: LF
(1)X309
Figure 25:

Fuel Injector and Transmission Harness (LY7)


Object Number: 2022235  Size: LF
(1)X105
Figure 26:

Body Harness - Rear Compartment


Object Number: 2022252  Size: LF
(1)X415
(2)X422 (U3U/UE1)
(3)X404
(4)X403