GM Service Manual Online
For 1990-2009 cars only
Makes
🢒
Pontiac
🢒
2009
🢒
Torrent
🢒
Diagnostic Navigation
🢒
Vehicle Diagnostic Information
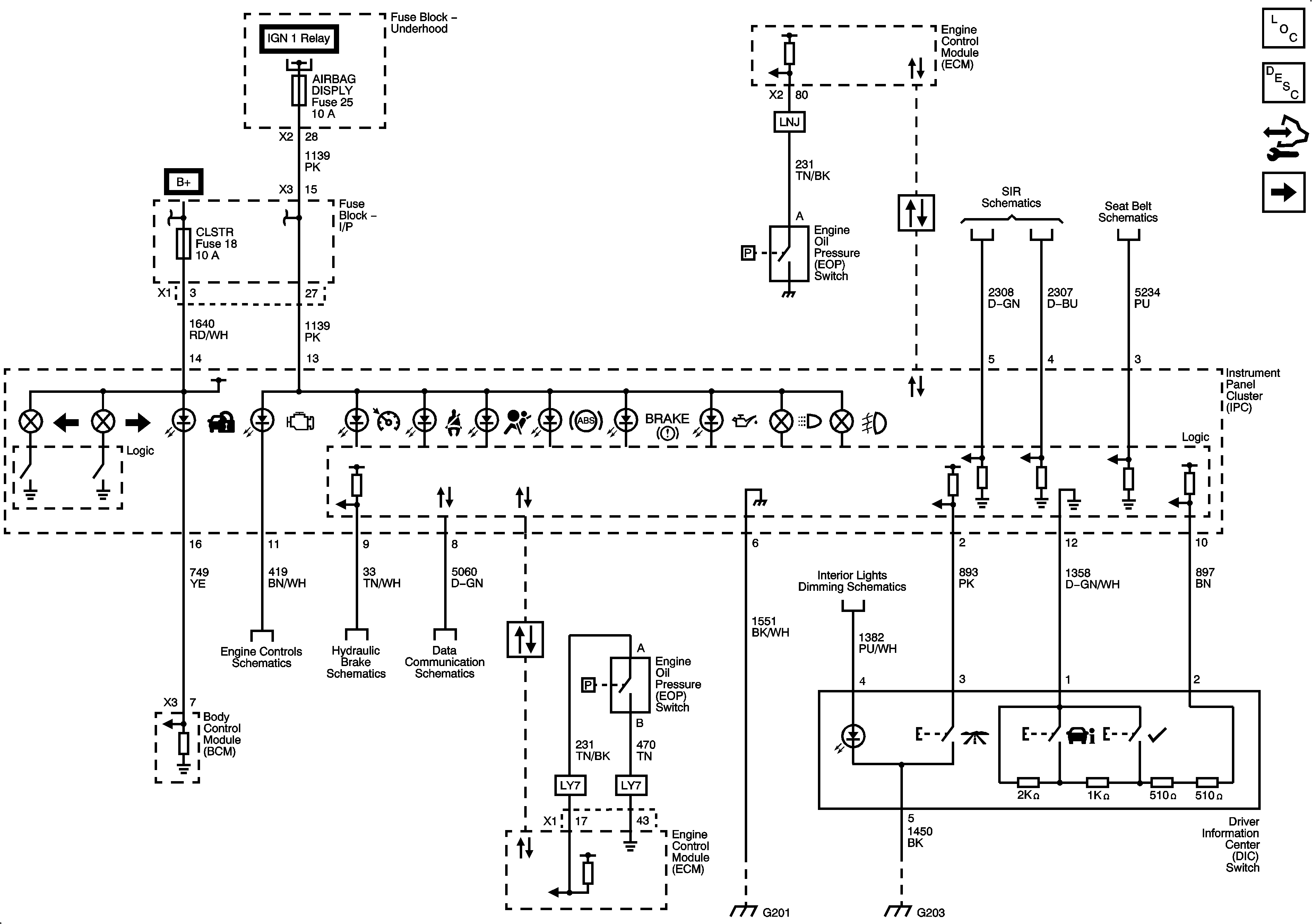
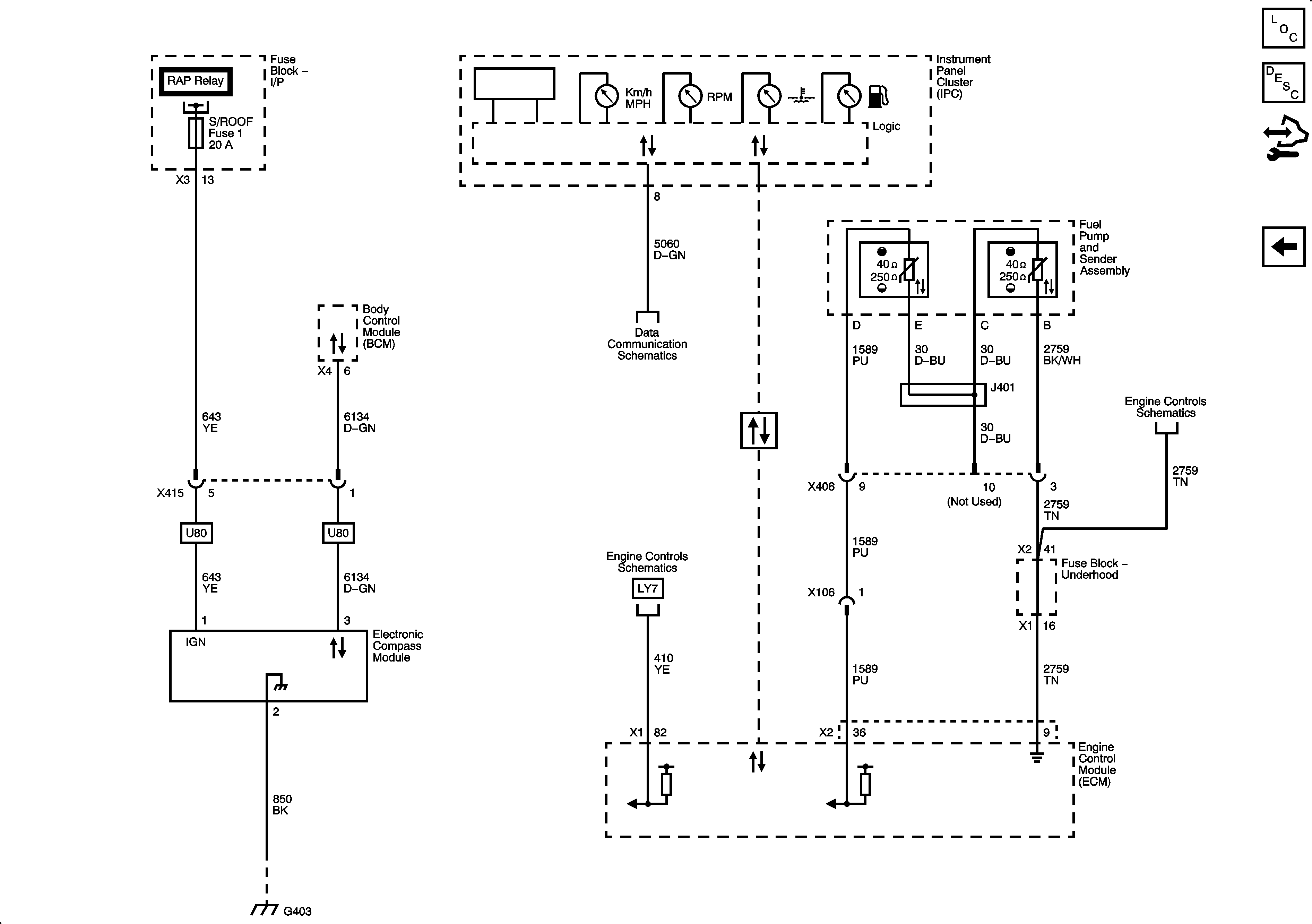
🢒 Instrument Cluster Schematics
Figure
1:
Indicators
Figure
2:
Gages