GM Service Manual Online
For 1990-2009 cars only
Figure 1:

Left Park Lamps


Object Number: 2085826  Size: FS
Figure 2:

License Lamps, Right Park Lamps


Object Number: 2085830  Size: FS
Figure 3:

Turn Signal Lamps


Object Number: 2085833  Size: FS
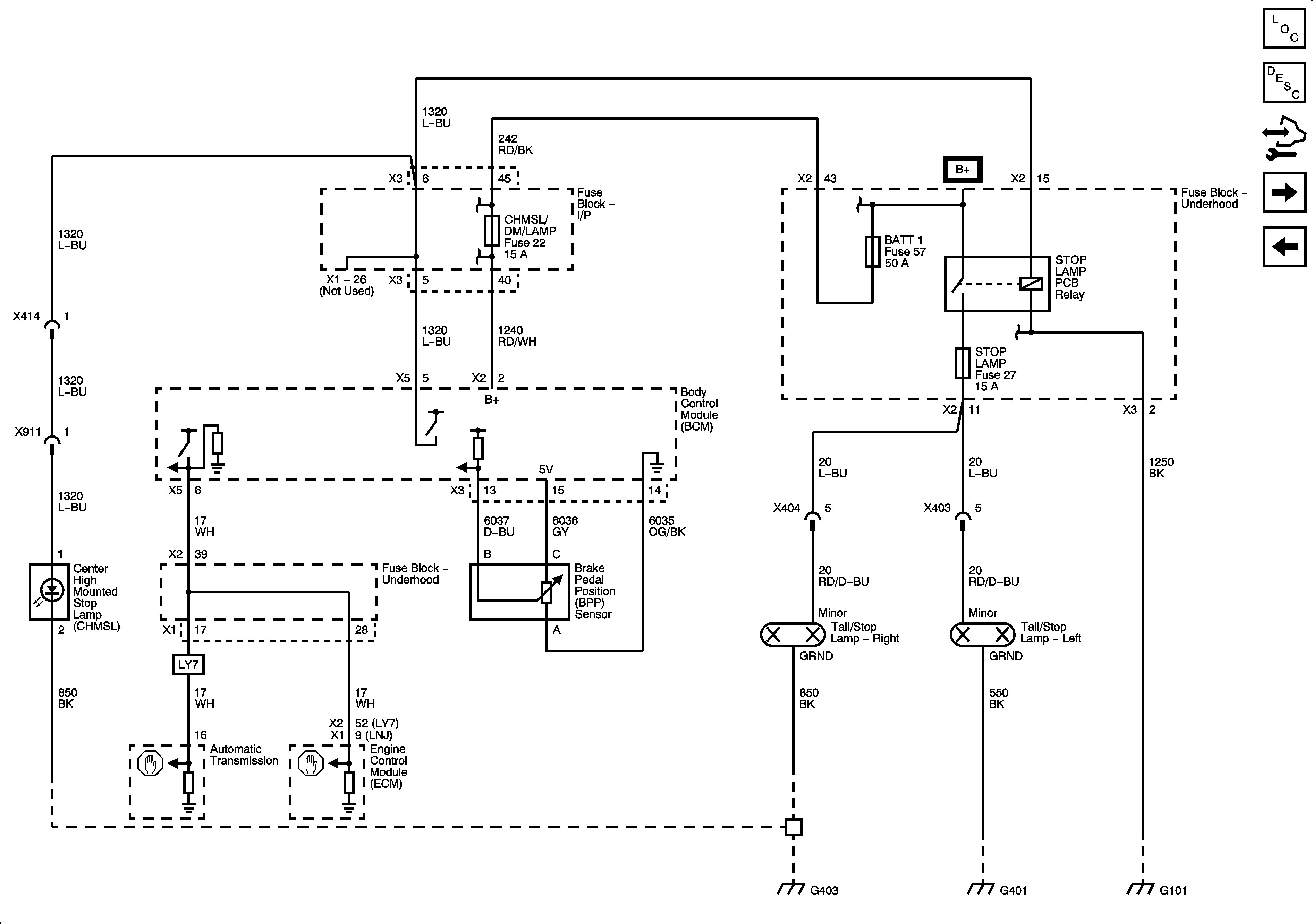
Figure 4:

Stop Lamps


Object Number: 2085835  Size: FS
Figure 5:

Backup Lamps


Object Number: 2085837  Size: FS
Figure 6:

Trailer Tow Connector


Object Number: 2085839  Size: FS