GM Service Manual Online
For 1990-2009 cars only
Figure 1:

Module Power, Ground, Data Communication, and MIL


Object Number: 2085672  Size: FS
Figure 2:

Pressure and Shift Controls


Object Number: 2085676  Size: FS
Figure 3:

ISS, OSS, TFP, TFT


Object Number: 2085681  Size: FS
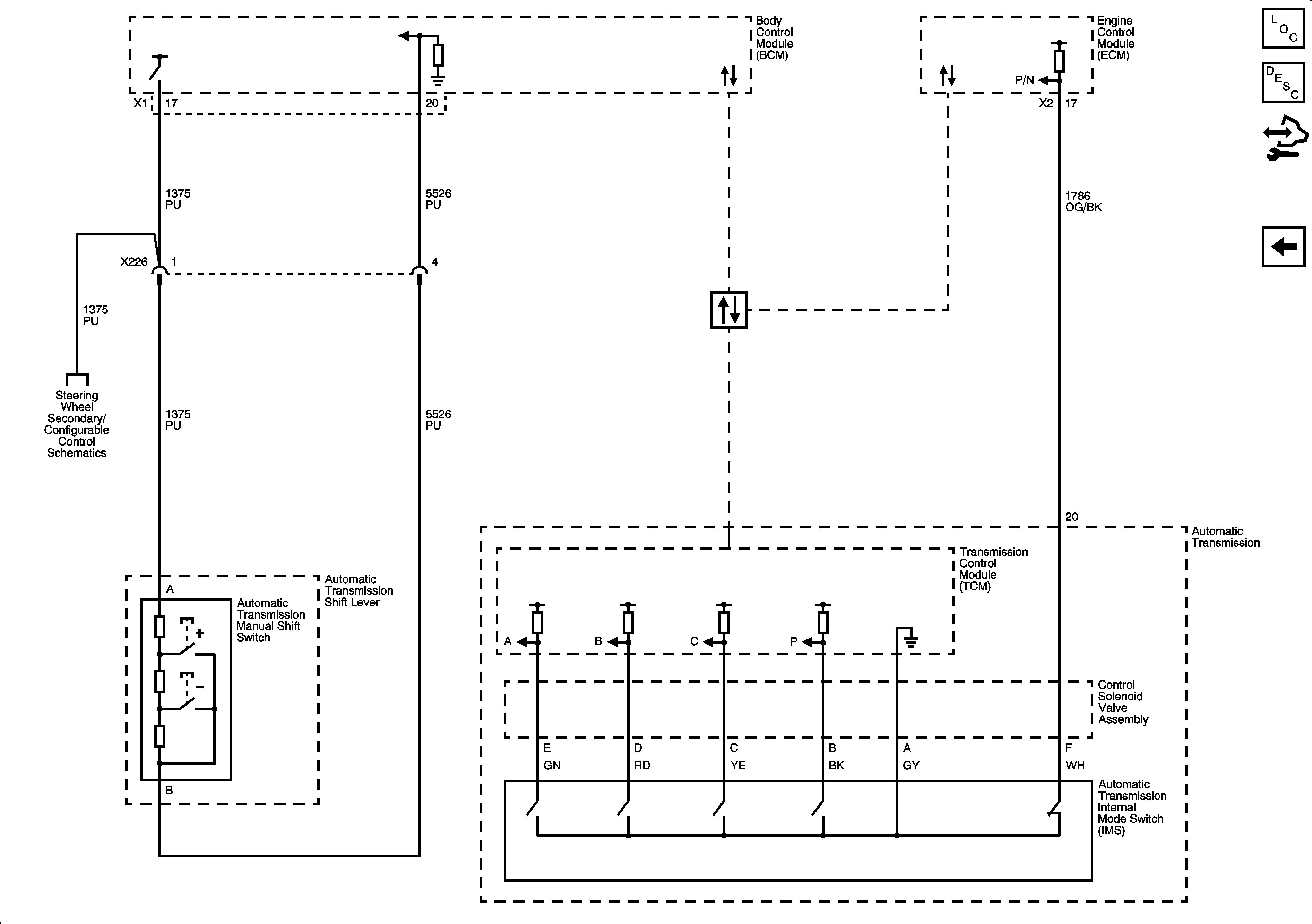
Figure 4:

IMS and Tap Up/Tap Down


Object Number: 2085684  Size: FS