GM Service Manual Online
For 1990-2009 cars only
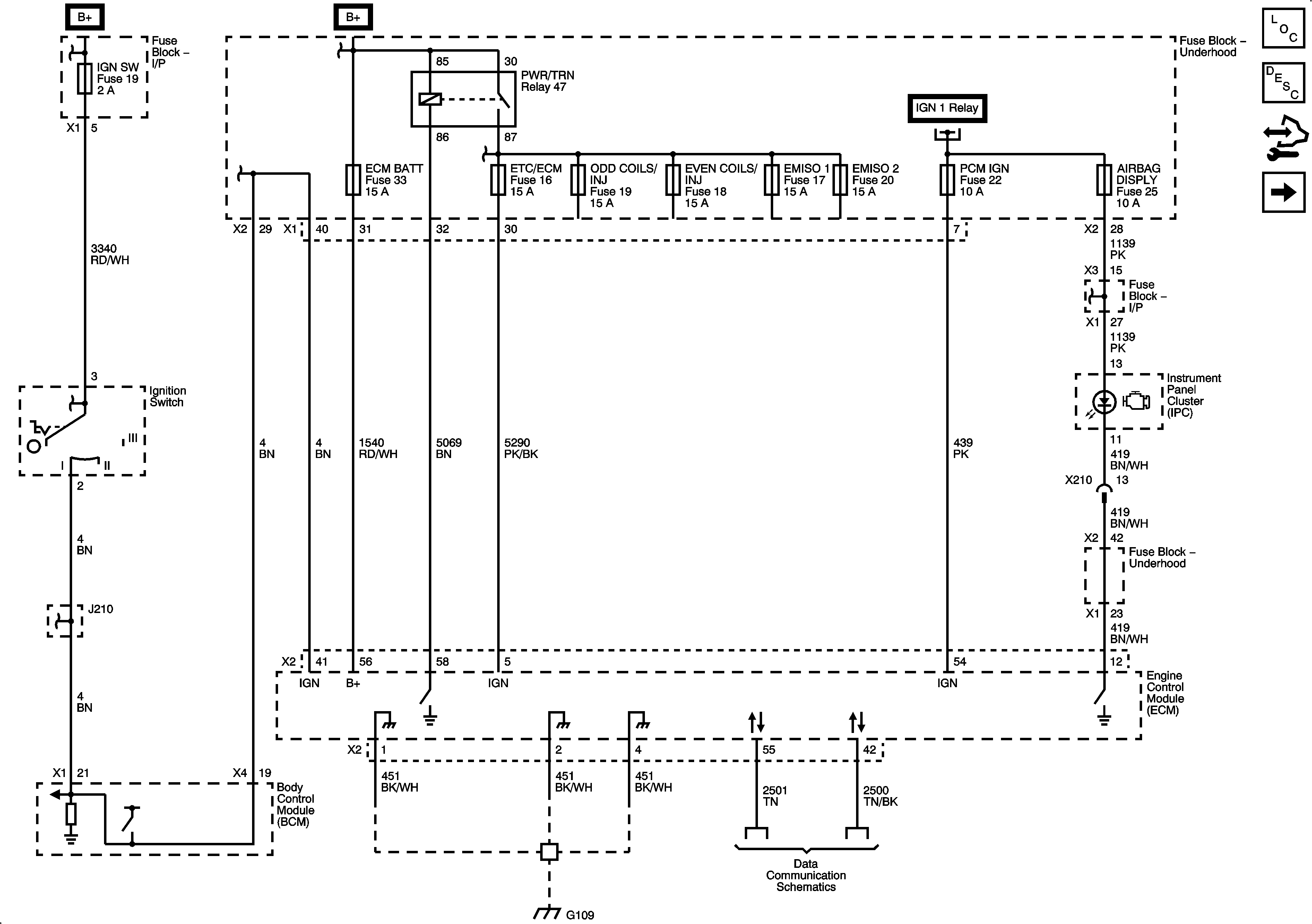
Figure 1:

Module, Power, Ground, MIL, and Serial Data


Object Number: 2085805  Size: FS
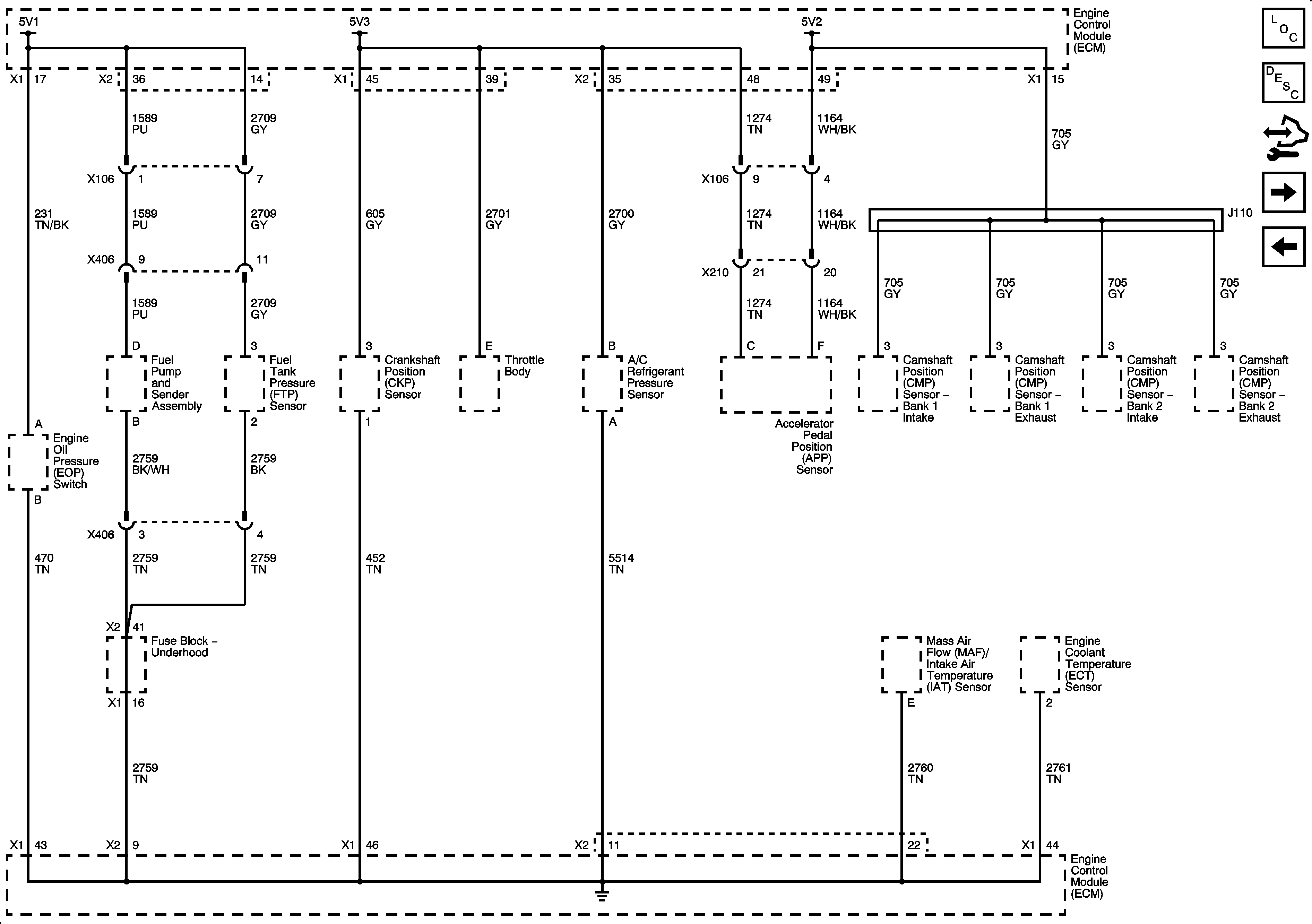
Figure 2:

Engine Data Sensors - MAF and Engine Coolant Temperature Sensor


Object Number: 2085811  Size: FS
Figure 3:

5-Volt and Low Reference


Object Number: 2085809  Size: FS
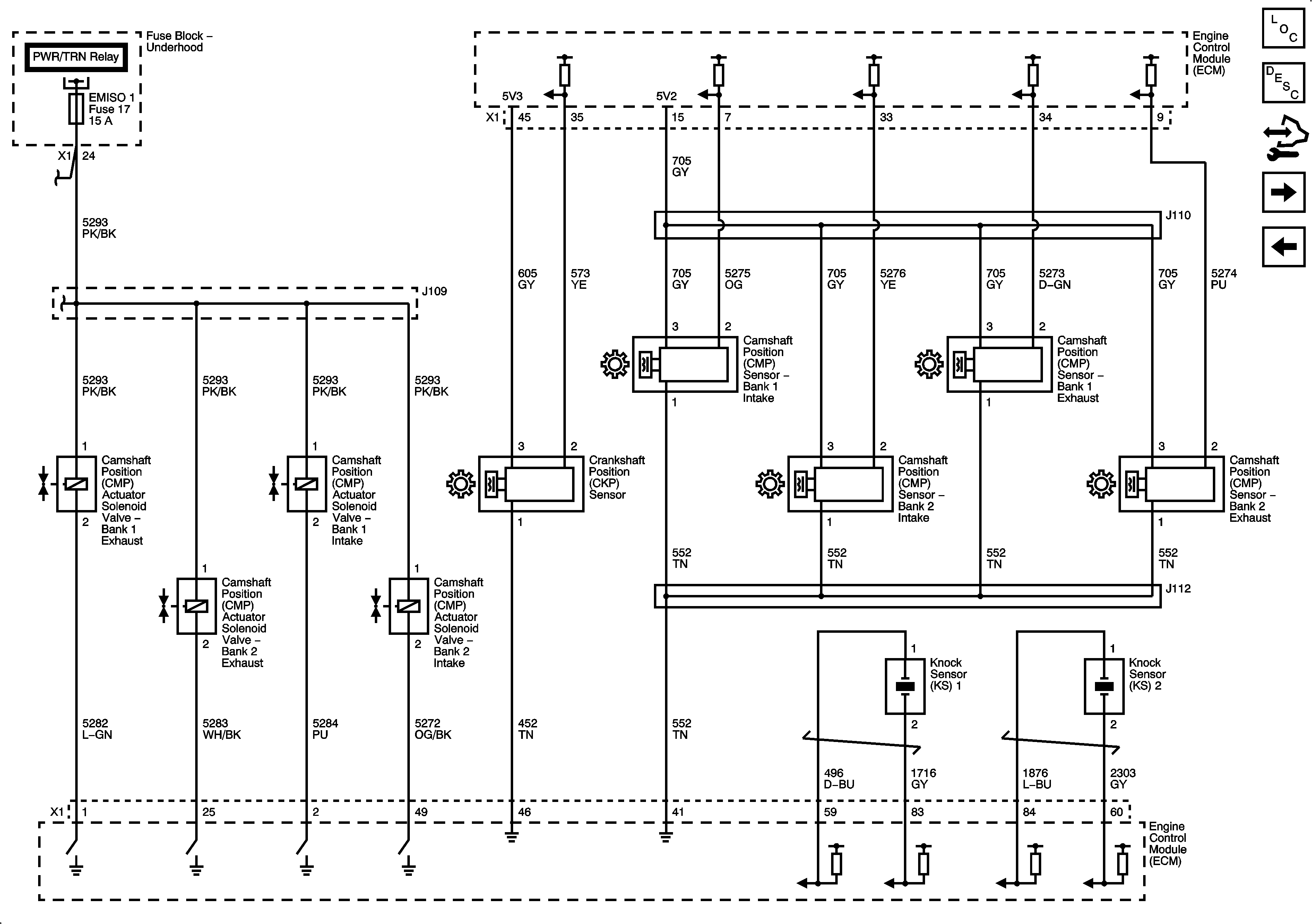
Figure 4:

CMP Sensors and Solenoids, Knock Sensors, and Crankshaft Position Sensor


Object Number: 2085812  Size: FS
Figure 5:

Engine Data Sensors - Oxygen Sensors


Object Number: 2085813  Size: FS
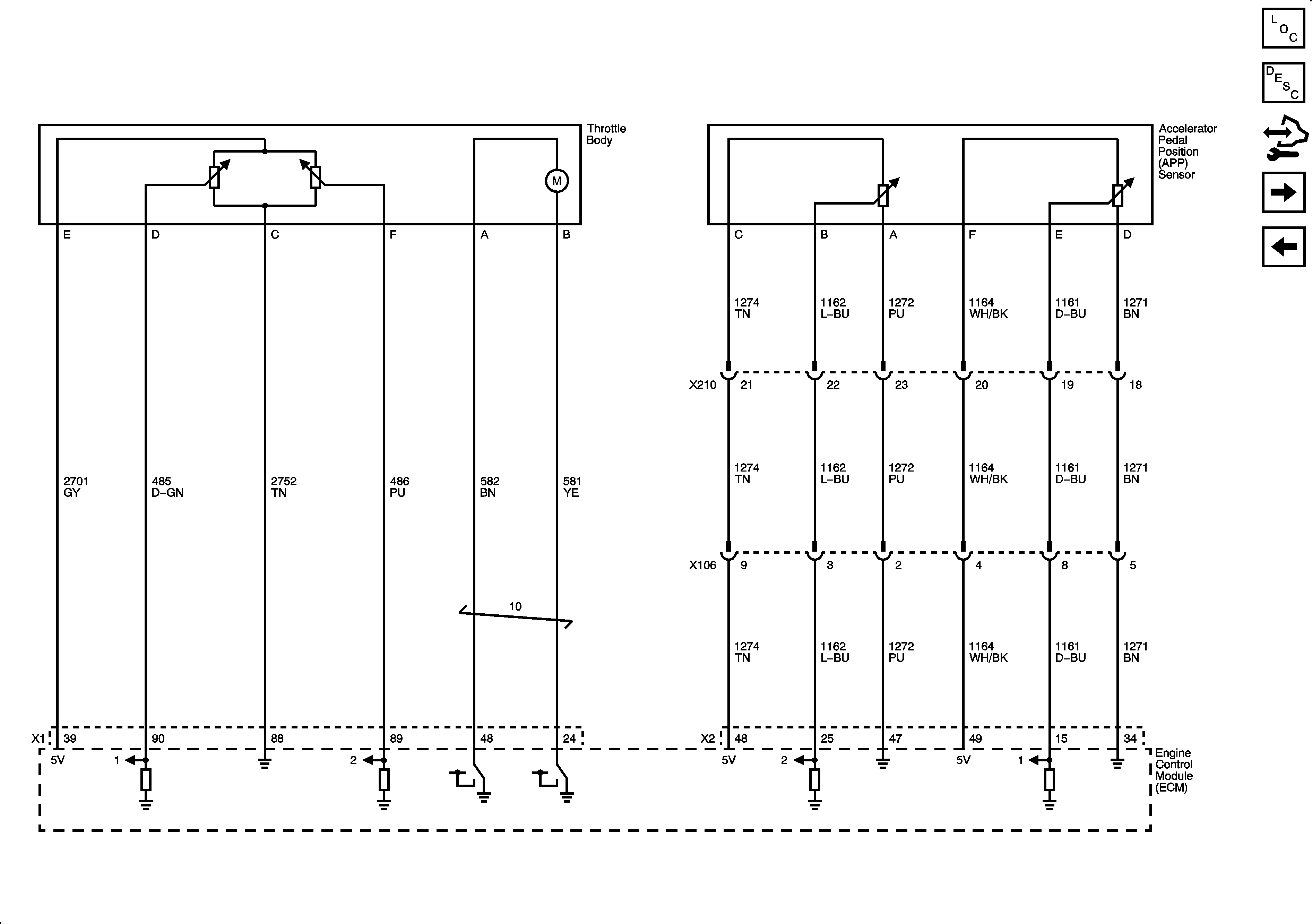
Figure 6:

Engine Data Sensors - Electronic Throttle Controls


Object Number: 2085814  Size: FS
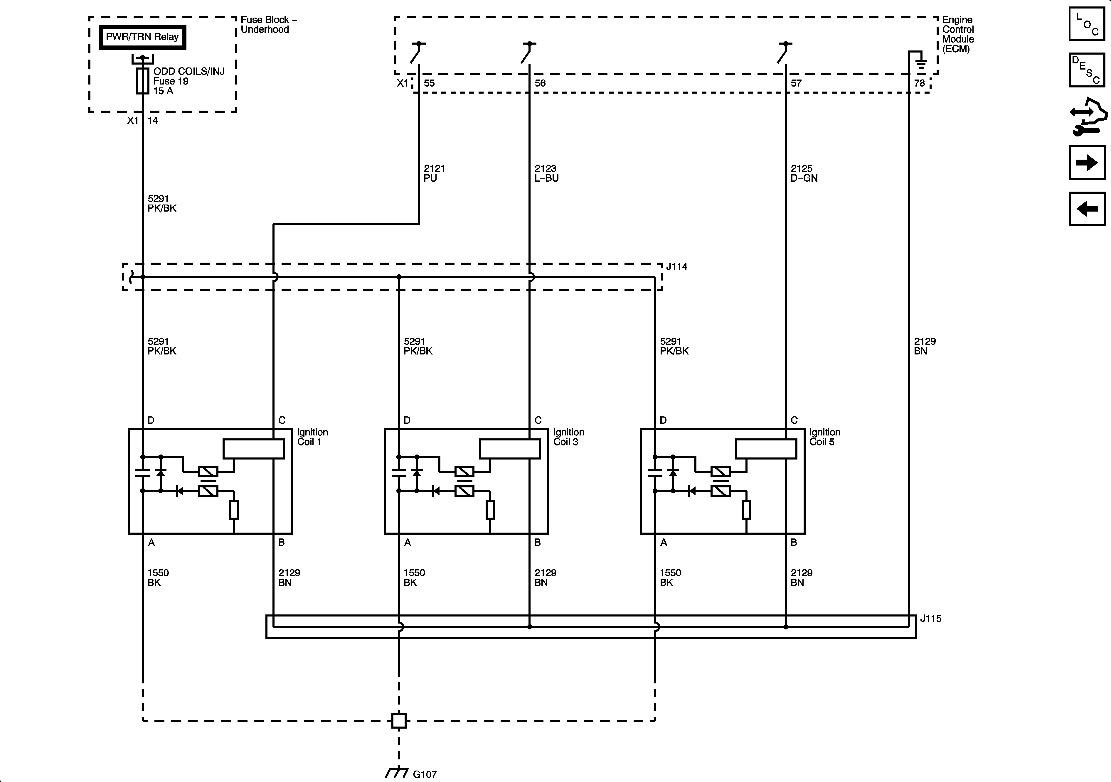
Figure 7:

Bank 1 Ignition Coils


Object Number: 2085816  Size: FS
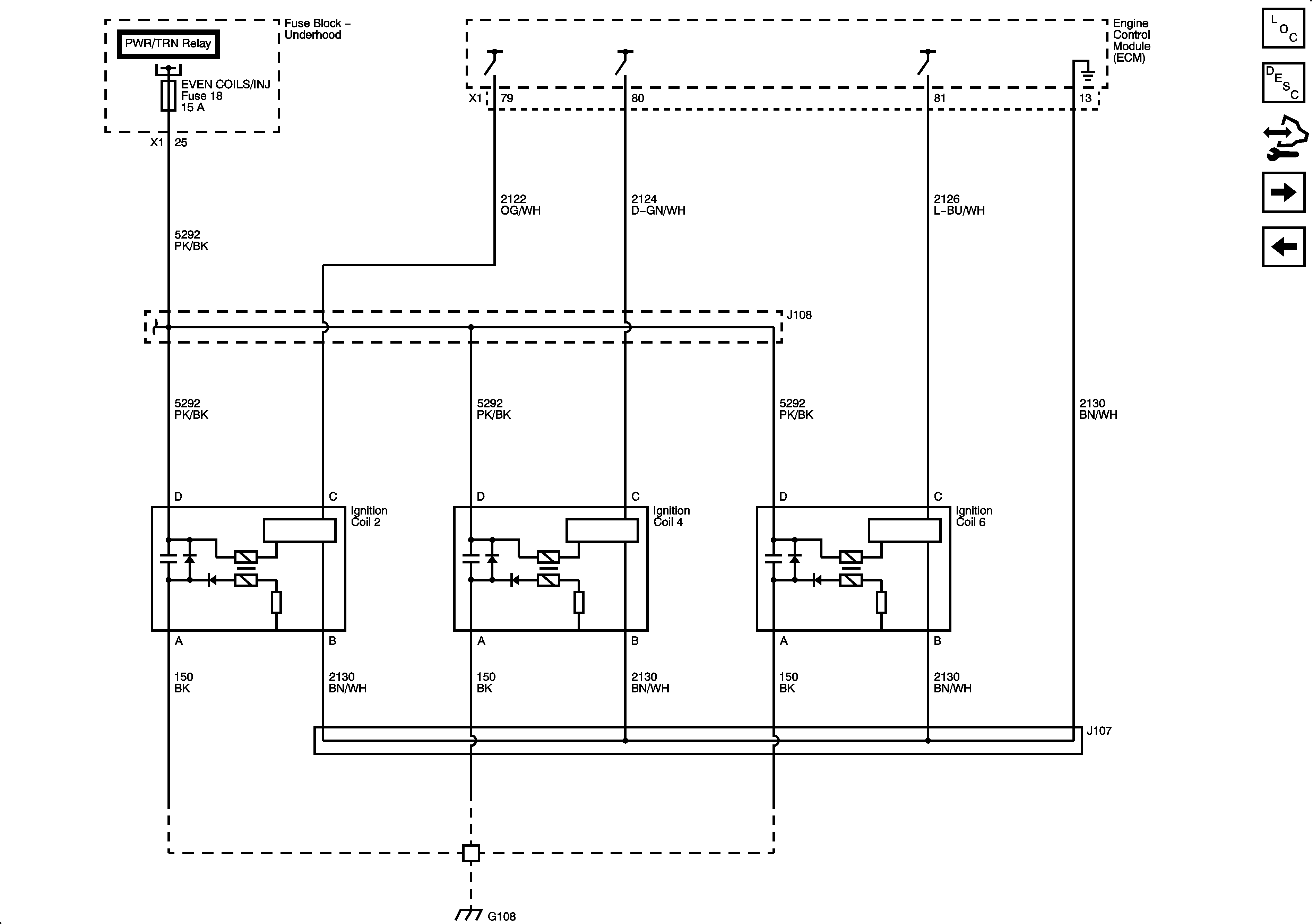
Figure 8:

Bank 2 Ignition Coils


Object Number: 2085817  Size: FS
Figure 9:

Fuel Pump and Injectors


Object Number: 2085818  Size: FS
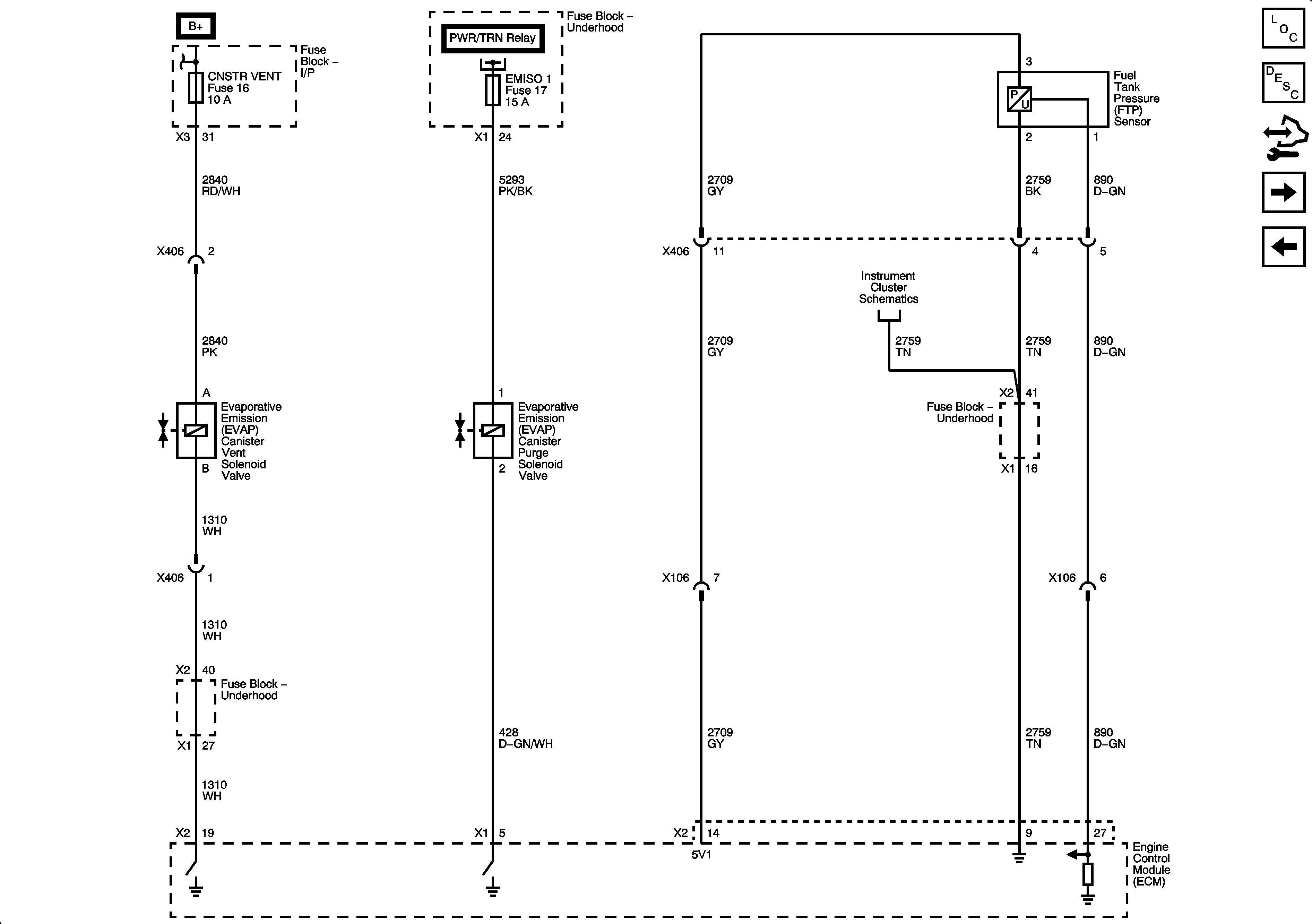
Figure 10:

Evaporative Emissions and Fuel Tank Pressure Sensor


Object Number: 2085820  Size: FS
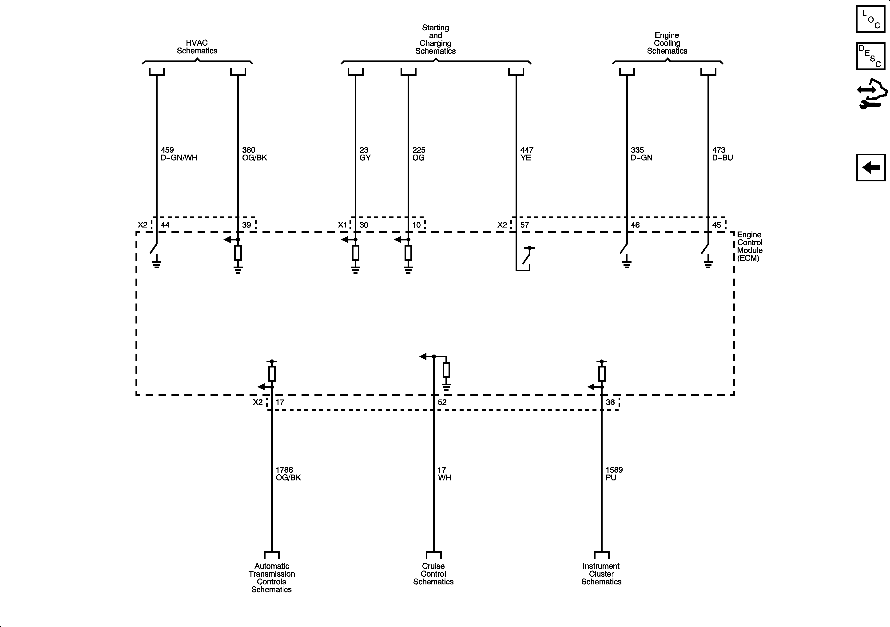
Figure 11:

Controlled/Monitored Subsystems References


Object Number: 2085821  Size: FS