GM Service Manual Online
For 1990-2009 cars only
Figure 1:

G101


Object Number: 2085849  Size: FS
Figure 2:

G103, G105, G107, G108 and G109 (3.6L)


Object Number: 2086304  Size: FS
Figure 3:

G103, G105, G111 (3.4L)


Object Number: 2085852  Size: FS
Figure 4:

G201


Object Number: 2085854  Size: FS
Figure 5:

G203, G205, G207


Object Number: 2085855  Size: FS
Figure 6:

G301


Object Number: 2085857  Size: FS
Figure 7:

G311


Object Number: 2085863  Size: FS
Figure 8:

G401


Object Number: 2085864  Size: FS
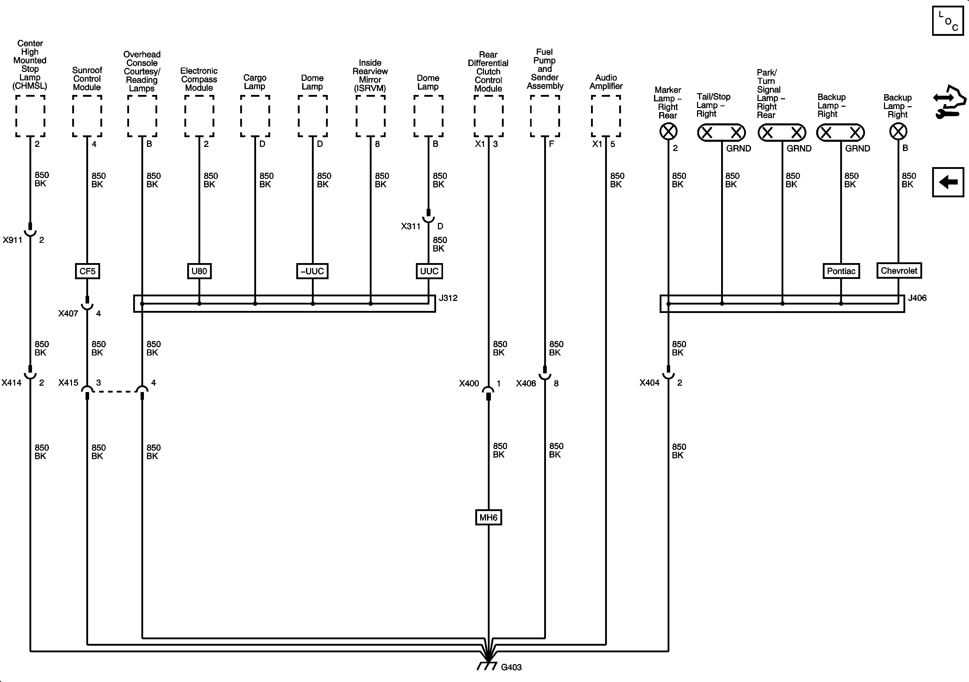
Figure 9:

G403


Object Number: 2085865  Size: FS