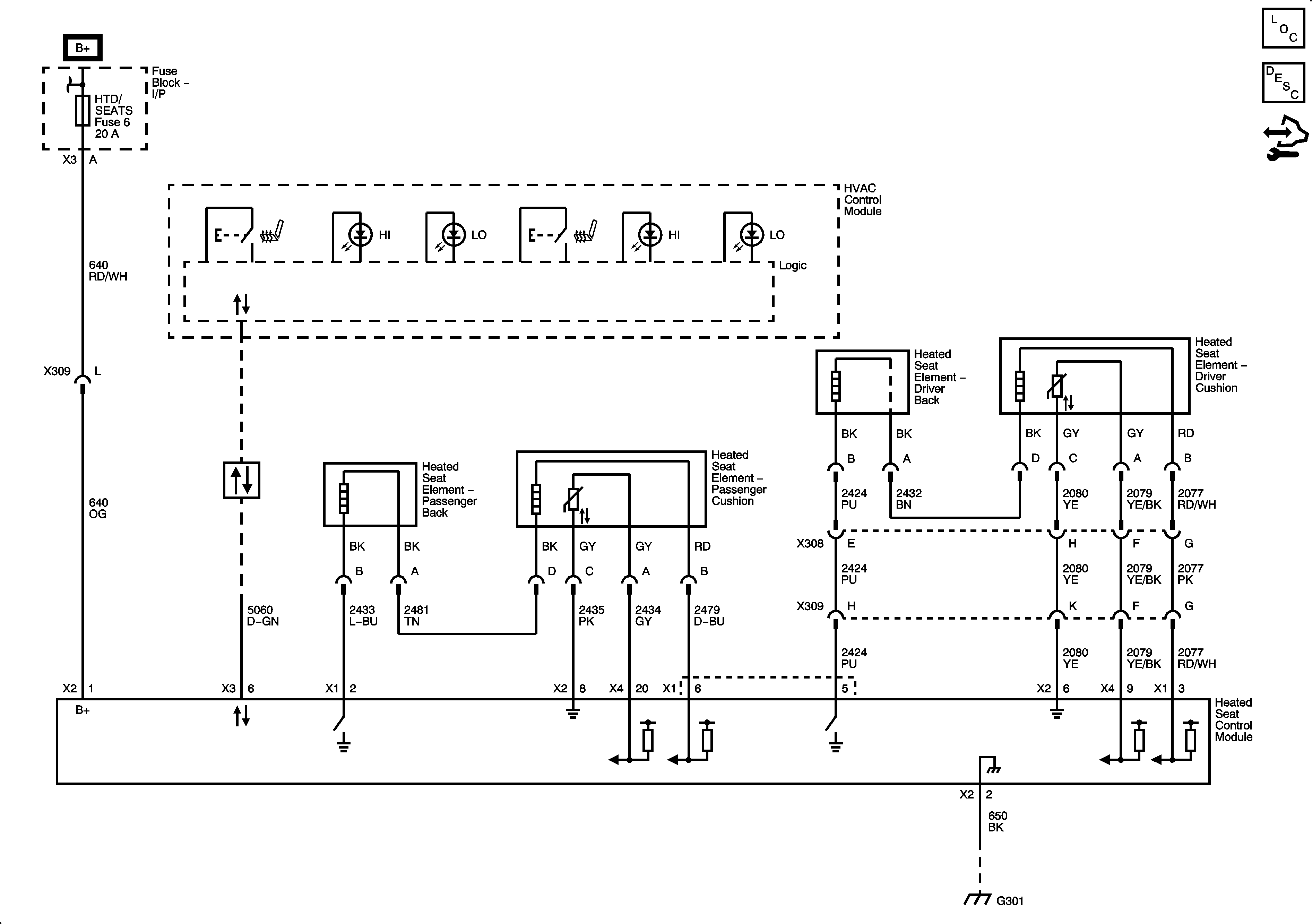
GM Service Manual Online
For 1990-2009 cars only
Makes
🢒
Pontiac
🢒
2009
🢒
Torrent
🢒
Seats
🢒
Seat Heating and Cooling
🢒 Heated/Cooled Seat Schematics