GM Service Manual Online
For 1990-2009 cars only

SMU - SECTION 5E2 ANTILOCK BRAKE SYS. W/TRACTION CONTROL

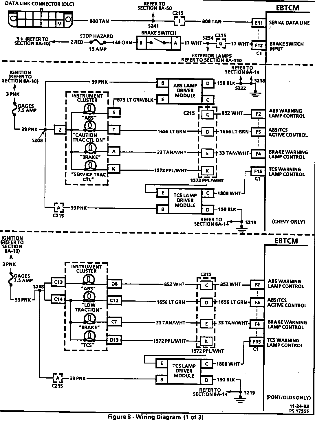
SUBJECT: SERVICE MANUAL UPDATE-SECTION 5E2-ANTILOCK BRAKE SYSTEM WITH TRACTION CONTROL - REVISED WIRING DIAGRAM (1 OF 3)

MODELS: 1994 CHEVROLET LUMINA APV 1994 OLDSMOBILE SILHOUETTE 1994 PONTIAC TRANS SPORT

THIS BULLETIN UPDATES THE 1994 "U VAN" SERVICE MANUAL SUPPLEMENT PAGE 5E2-30. PLEASE USE THE ATTACHED WIRING DIAGRAM WHEN PERFORMING ABS/TCS DIAGNOSTICS.

FIGURES: 00 ATTACHMENTS: 01


Object Number: 82977  Size: FS

GENERAL MOTORS BULLETINS ARE INTENDED FOR USE BY PROFESSIONAL TECHNICIANS, NOT A "DO-IT-YOURSELFER". THEY ARE WRITTEN TO INFORM THOSE TECHNICIANS OF CONDITIONS THAT MAY OCCUR ON SOME VEHICLES, OR TO PROVIDE INFORMATION THAT COULD ASSIST IN THE PROPER SERVICE OF A VEHICLE. PROPERLY TRAINED TECHNICIANS HAVE THE EQUIPMENT, TOOLS, SAFETY INSTRUCTIONS AND KNOW-HOW TO DO A JOB PROPERLY AND SAFELY. IF A CONDITION IS DESCRIBED, DO NOT ASSUME THAT THE BULLETIN APPLIES TO YOUR VEHICLE, OR THAT YOUR VEHICLE WILL HAVE THAT CONDITION. SEE A GENERAL MOTORS DEALER SERVICING YOUR BRAND OF GENERAL MOTORS VEHICLE FOR INFORMATION ON WHETHER YOUR VEHICLE MAY BENEFIT FROM THE INFORMATION.

COPYRIGHT 1994 GENERAL MOTORS CORPORATION. ALL RIGHTS RESERVED.