GM Service Manual Online
For 1990-2009 cars only

Removal Procedure

Important: This engine uses a sequential multiport fuel injection system. Connect the injector connectors to their appropriate fuel injector or exhaust emissions and engine performance may be seriously affected. For the correct connector to injector connection procedure, refer to Engine Electrical.

  1. Disconnect the battery ground (negative) cable. Refer to

    Caution: Unless directed otherwise, the ignition and start switch must be in the OFF or LOCK position, and all electrical loads must be OFF before servicing any electrical component. Disconnect the negative battery cable to prevent an electrical spark should a tool or equipment come in contact with an exposed electrical terminal. Failure to follow these precautions may result in personal injury and/or damage to the vehicle or its components.

    in General Information.
  2. Remove the fuel injector sight shield. Refer to Fuel Injector Sight Shield Replacement .
  3. Remove the air cleaner duct. Refer to Engine Controls.
  4. Drain the cooling system. Refer to Cooling and Radiator.
  5. Remove the accelerator control and cruise control cable with bracket from the throttle body. Refer to Engine Controls.
  6. Disconnect the wiring harness connectors from the throttle body. Refer to Engine Electrical.
  7. Remove the thermostat bypass pipe coolant hoses from the throttle body. Refer to HVAC.
  8. Remove the vacuum hose connections from the throttle body. Refer to Engine Controls.
  9. Remove the left (front) spark plug wires. Refer to Ignition System.
  10. Remove the ignition coil bracket with the coils, the purge solenoid and the vacuum canister solenoid. Refer to Engine Controls.
  11. Remove the Manifold Air Pressure (MAP) sensor and bracket. Refer to Engine Controls.
  12. Remove the vacuum hose connections from the upper intake manifold.
  13. Remove the rear generator brace. Refer to Charging System.

  14. Object Number: 105889  Size: SH
  15. Remove the Exhaust Gas Recirculation (EGR) valve. Refer to Engine Controls.

  16. Object Number: 61853  Size: MH
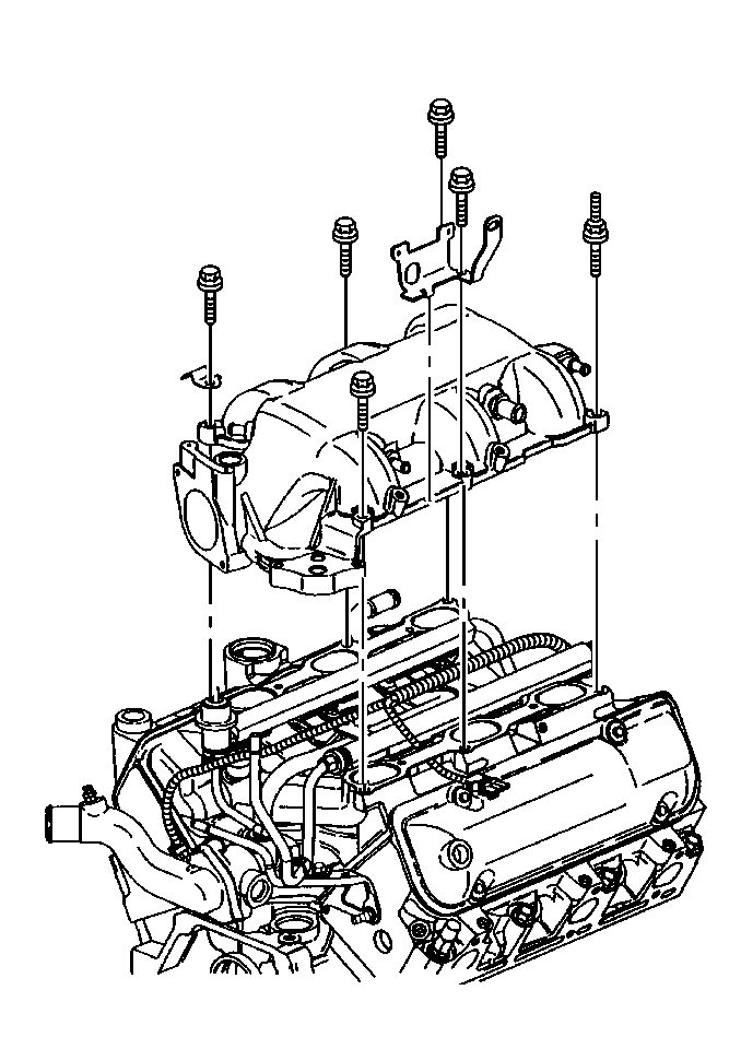
  17. Remove the upper intake manifold studs.
  18. Remove the upper intake manifold bolts.
  19. Remove the upper intake manifold.

  20. Object Number: 61854  Size: SH
  21. Remove the upper intake manifold gasket.

  22. Object Number: 61855  Size: SH
  23. If necessary, remove the throttle body. Refer to Engine Controls.
  24. Clean the sealing surfaces on the manifold with degreaser.

Installation Procedure


    Object Number: 61855  Size: SH
  1. If removed, install the throttle body. Refer to Engine Controls.

  2. Object Number: 61854  Size: SH
  3. Install the upper intake manifold gasket.

  4. Object Number: 61853  Size: MH
  5. Install the upper intake manifold.
  6. Install the upper intake manifold studs.
  7. Install the upper intake manifold bolts.
  8. Tighten
    Tighten the studs and bolts to 25 N·m (18 lb ft).

    Notice: Use the correct fastener in the correct location. Replacement fasteners must be the correct part number for that application. Fasteners requiring replacement or fasteners requiring the use of thread locking compound or sealant are identified in the service procedure. Do not use paints, lubricants, or corrosion inhibitors on fasteners or fastener joint surfaces unless specified. These coatings affect fastener torque and joint clamping force and may damage the fastener. Use the correct tightening sequence and specifications when installing fasteners in order to avoid damage to parts and systems.


    Object Number: 105889  Size: SH
  9. Install the Exhaust Gas Recirculation (EGR) valve. Refer to Engine Controls.
  10. Install the rear generator brace. Refer to Charging System.
  11. Install the vacuum hose connections to the upper intake manifold.
  12. Install the Manifold Air Pressure (MAP) sensor and bracket. Refer to Engine Controls.
  13. Install the ignition coil bracket with the coils, the purge solenoid and the vacuum canister solenoid. Refer to Engine Controls.
  14. Install the left (front) spark plug wires. Refer to Ignition System.
  15. Install the vacuum hose connections to the throttle body. Refer to Engine Controls.
  16. Install the thermostat bypass pipe coolant hoses to the throttle body. Refer to HVAC.
  17. Connect the wiring harness connectors to the throttle body. Refer to Engine Electrical.
  18. Install the accelerator control and cruise control cable with bracket to the throttle body. Refer to Engine Controls.
  19. Fill the cooling system with coolant. Refer to Cooling and Radiator.
  20. Install the air cleaner duct. Refer to Engine Controls.
  21. Install the fuel injector sight shield. Refer to Fuel Injector Sight Shield Replacement .
  22. Connect the battery ground (negative) cable. Refer to Battery.