GM Service Manual Online
For 1990-2009 cars only
Makes
🢒
Pontiac
🢒
1997
🢒
Trans Sport Ext.
🢒
Transmission/Transaxle
🢒
Automatic Transaxle - 4T60-E
🢒 Automatic Transmission Controls Schematics
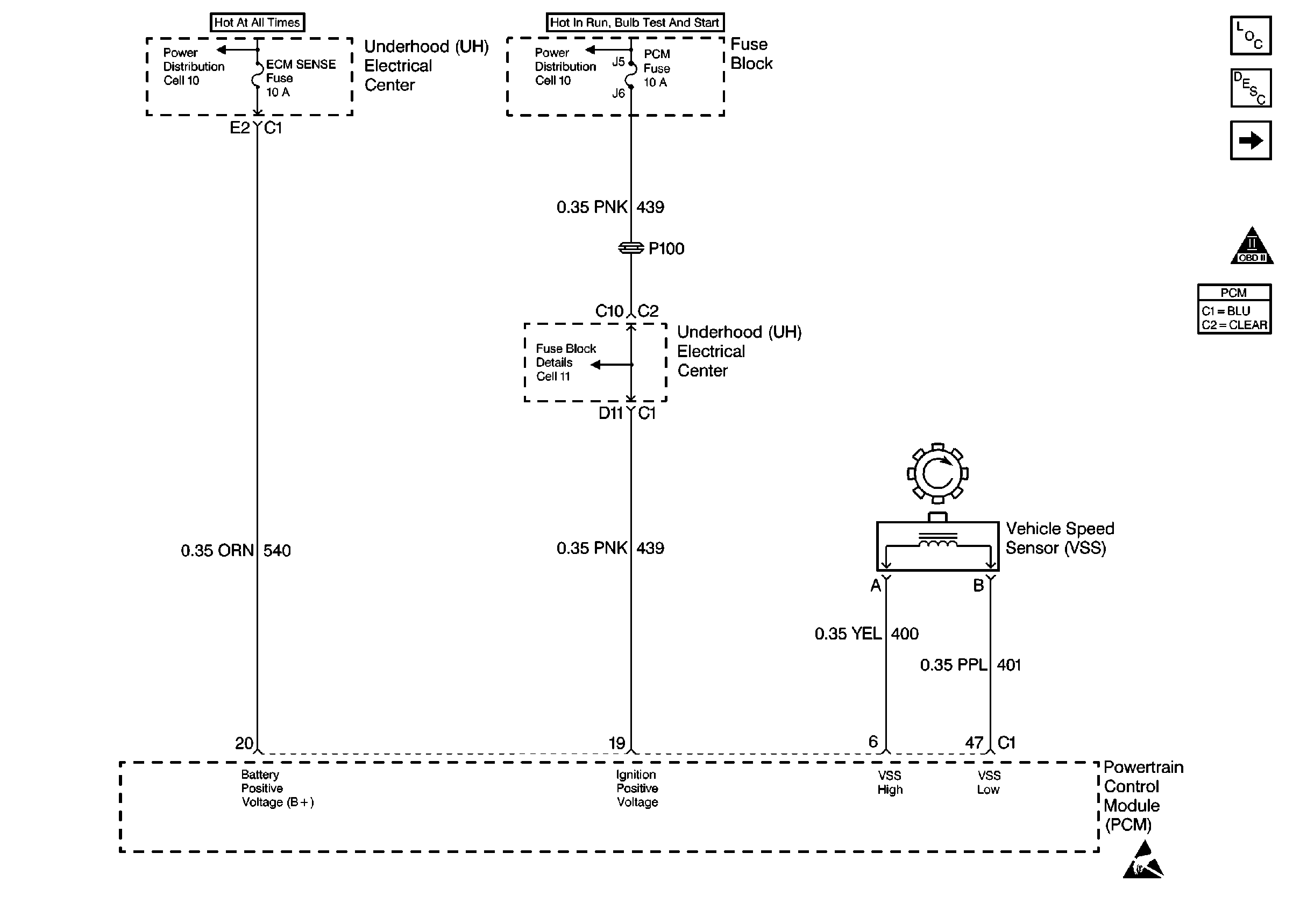
Figure
1:
PCM Power, VSS
Handling ESD Sensitive Parts Notice
Automatic Transmission Components
Electronic Component Description
Automatic Transaxle, TCC Switch
OBD II Symbol Description Notice
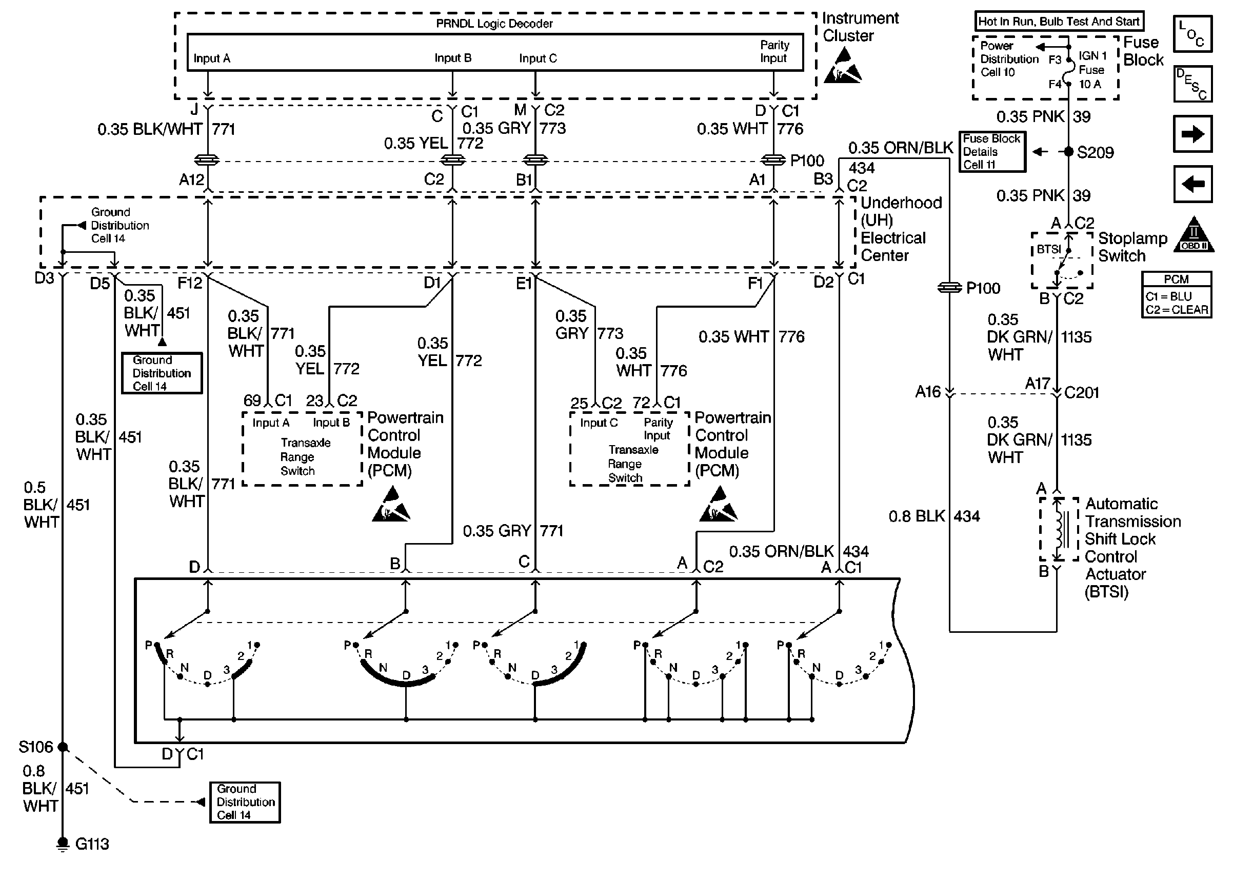
Figure
2:
Automatic Transaxle, TCC Switch
Handling ESD Sensitive Parts Notice
Automatic Transmission Components
Electronic Component Description
Transaxle Range Switch, part 1
PCM Power, VSS
OBD II Symbol Description Notice
Figure
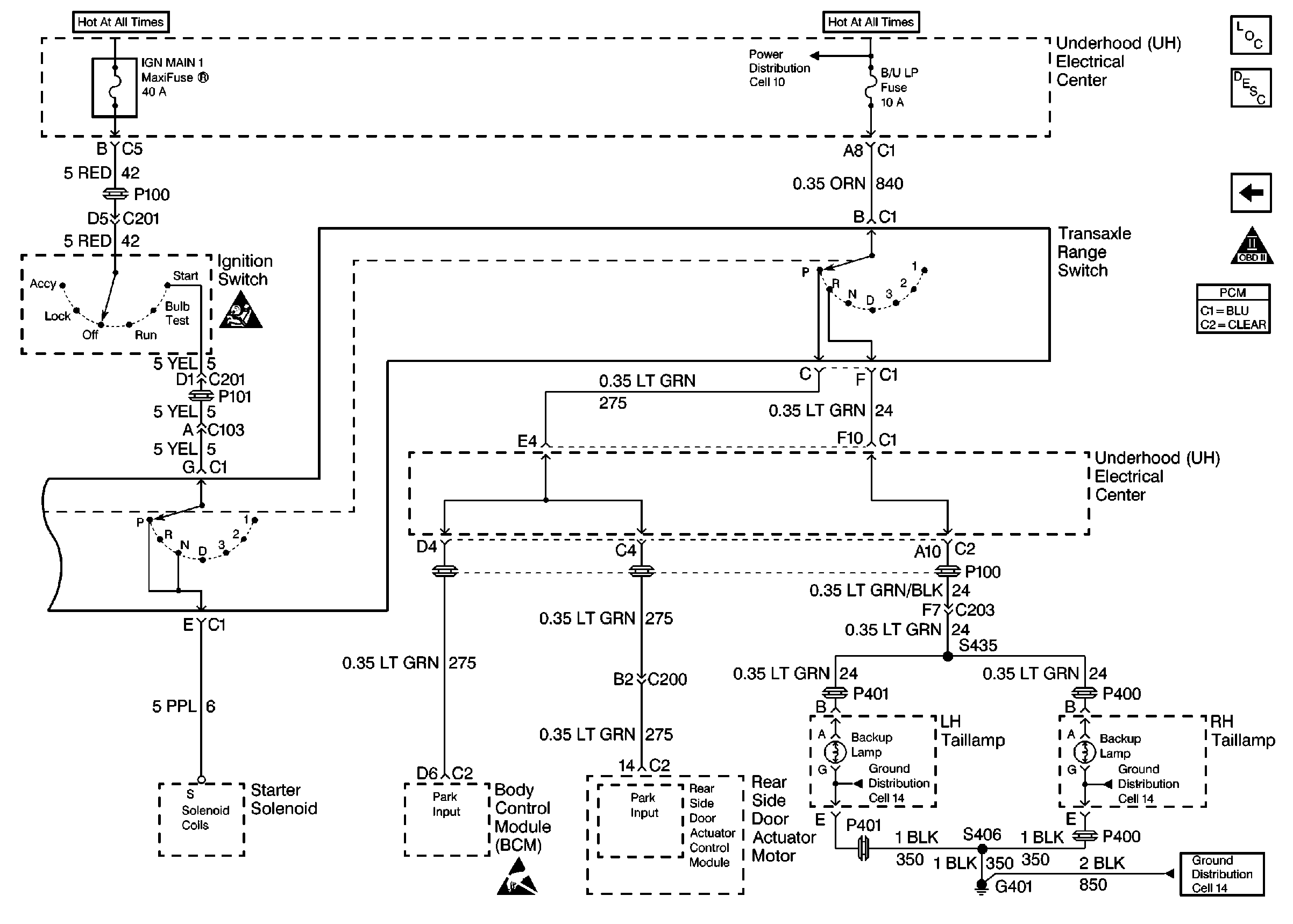
3:
Transaxle Range Switch, part 1
Handling ESD Sensitive Parts Notice
Handling ESD Sensitive Parts Notice
Handling ESD Sensitive Parts Notice
Automatic Transmission Components
Electronic Component Description
Transaxle Range Switch, part 2
Automatic Transaxle, TCC Switch
OBD II Symbol Description Notice
Figure
4:
Transaxle Range Switch, part 2
Handling ESD Sensitive Parts Notice
Handling ESD Sensitive Parts Notice
Automatic Transmission Components
Electronic Component Description
Transaxle Range Switch, part 1
OBD II Symbol Description Notice