GM Service Manual Online
For 1990-2009 cars only
Makes
🢒
Pontiac
🢒
1997
🢒
Trans Sport Ext.
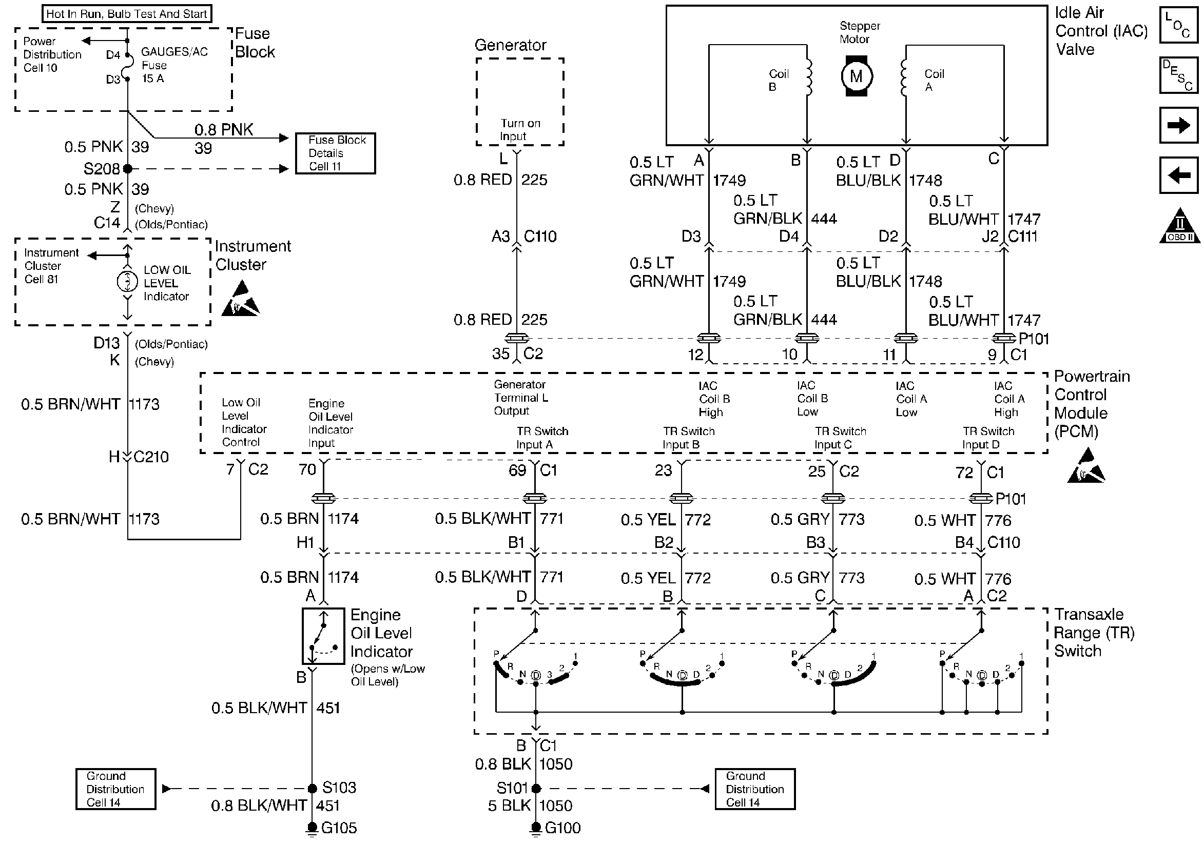
🢒 IAC, Gen Control, Trans Range
IAC, Gen Control, Trans Range
IAC, Gen Control, Trans Range
Engine Controls Components
VSS, Cruise Control
HO2S
OBD II Symbol Description Notice
Handling ESD Sensitive Parts Notice
Handling ESD Sensitive Parts Notice