GM Service Manual Online
For 1990-2009 cars only
Figure 1:

G100, G101 and G102


Object Number: 785415  Size: FS
Master Electrical Component List
G103
Figure 2:

G103


Object Number: 785416  Size: FS
Master Electrical Component List
G104
G100, G101 and G102
Figure 3:

G104


Object Number: 787261  Size: FS
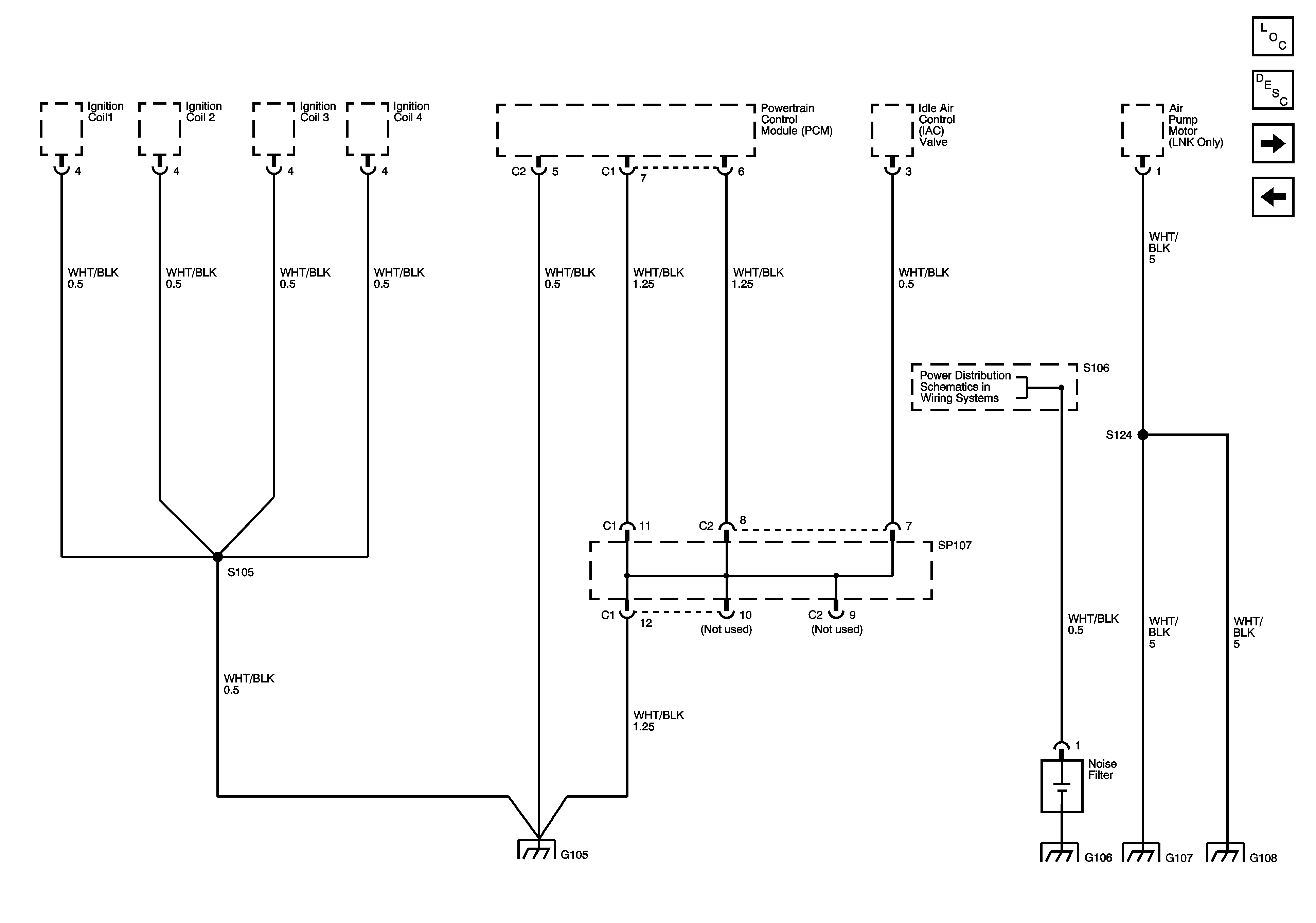
Master Electrical Component List
G105, G106 and G107
G103
Figure 4:

G105, G106 and G107


Object Number: 1234337  Size: FS
Master Electrical Component List
SP200 and G200
G104
Figure 5:

SP 200 and G200


Object Number: 785417  Size: FS
Master Electrical Component List
Junction Block-Instrument Panel Left
G105, G106 and G107
Figure 6:

Junction Block -- Instrument Panel Left


Object Number: 785418  Size: FS
Master Electrical Component List
S221
SP200 and G200
Figure 7:

S 221


Object Number: 785420  Size: FS
Master Electrical Component List
Fuse Block-Instrument Panel
Junction Block-Instrument Panel Left
Figure 8:

Fuse Block -- Instrument Panel


Object Number: 785422  Size: FS
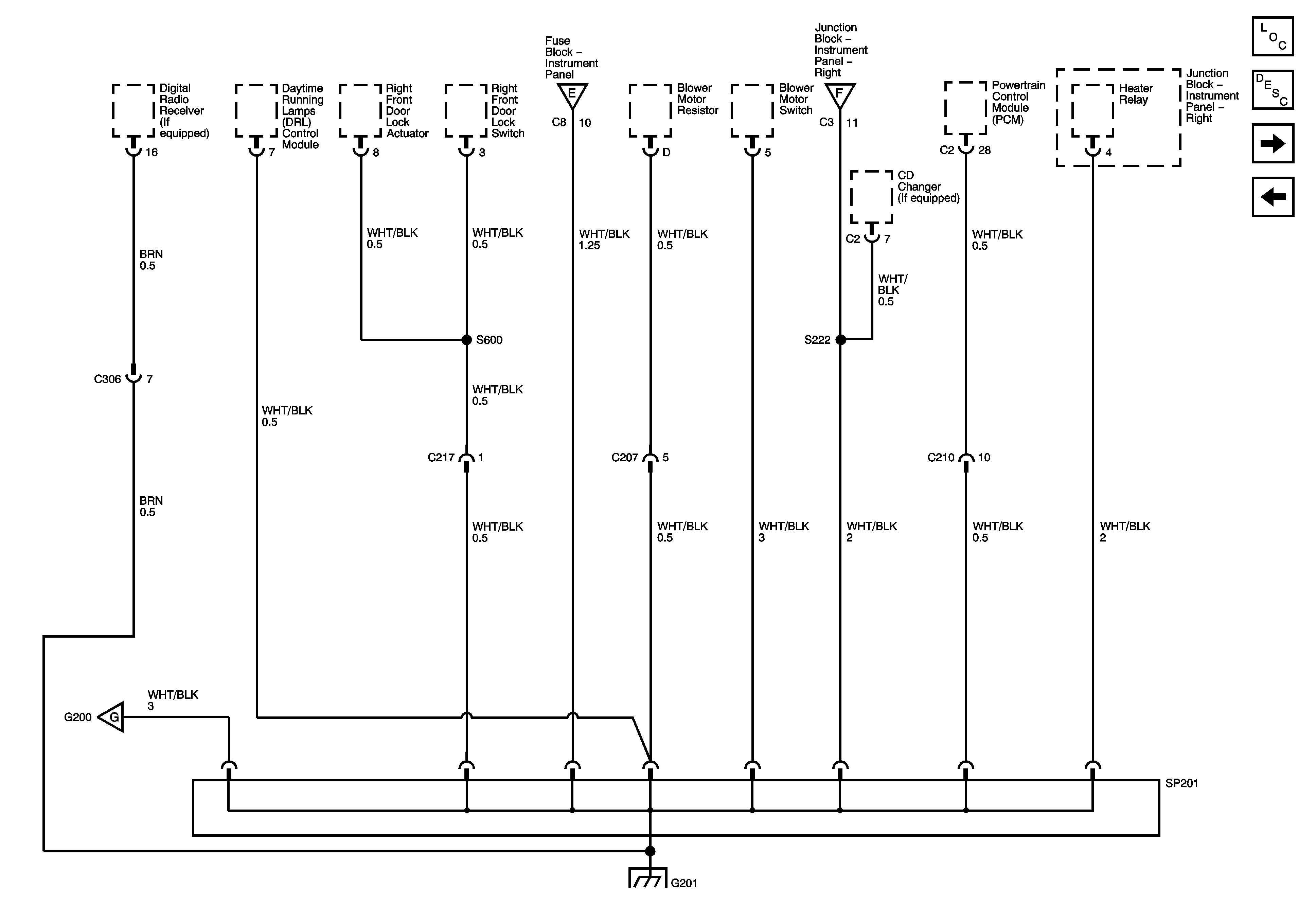
Master Electrical Component List
SP201 and G201
S221
Figure 9:

SP 201 and G201


Object Number: 785473  Size: FS
Master Electrical Component List
Junction Block-Instrument Panel Right
Fuse Block-Instrument Panel
Figure 10:

Junction Block -- Instrument Panel Right


Object Number: 785447  Size: FS
Master Electrical Component List
G202, G300, G301 and G302
SP201 and G201
Figure 11:

G202, G300, G301 and G302


Object Number: 785450  Size: FS
Master Electrical Component List
SP300
Junction Block-Instrument Panel Right
Figure 12:

SP 300


Object Number: 787262  Size: FS
Master Electrical Component List
SP400
G202, G300, G301 and G302
Figure 13:

SP 400


Object Number: 785451  Size: FS
Master Electrical Component List
SP300