GM Service Manual Online
For 1990-2009 cars only
Makes
🢒
Pontiac
🢒
2004
🢒
Vibe - AWD
🢒
Engine
🢒
Engine Controls - 1.8L (LV6)
🢒 Data Link Connector Schematics
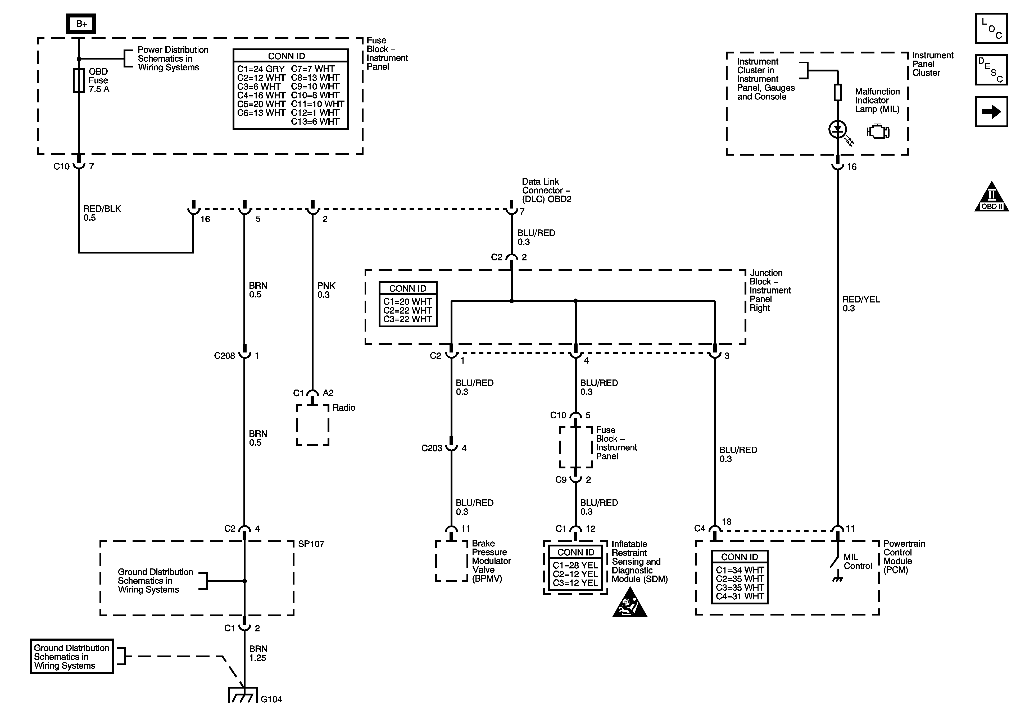
Figure
1:
Data Link Connector - 1 of 2
Master Electrical Component List
Master Electrical Component List
Data Link Communications Description and Operation
Data Link Connector (DLC) (2 of 2)
OBD II Symbol Description Notice
SIR Caution for Zoning
Power, AM 1, Door, Tail, P/Point, ECU-B, Stop, OBD, INV Fuses
Charge, Air Bag, Malfunction O/D Off, Cruise Indicators
G104
G104
Figure
2:
Data Link Connector - 2 of 2
Master Electrical Component List
Data Link Communications Description and Operation
Data Link Connector (DLC) (1 of 2)
OBD II Symbol Description Notice
SIR Caution for Zoning
Junction Block-Instrument Panel Left
SP200 and G200