GM Service Manual Online
For 1990-2009 cars only
Makes
🢒
Pontiac
🢒
2004
🢒
Vibe - AWD
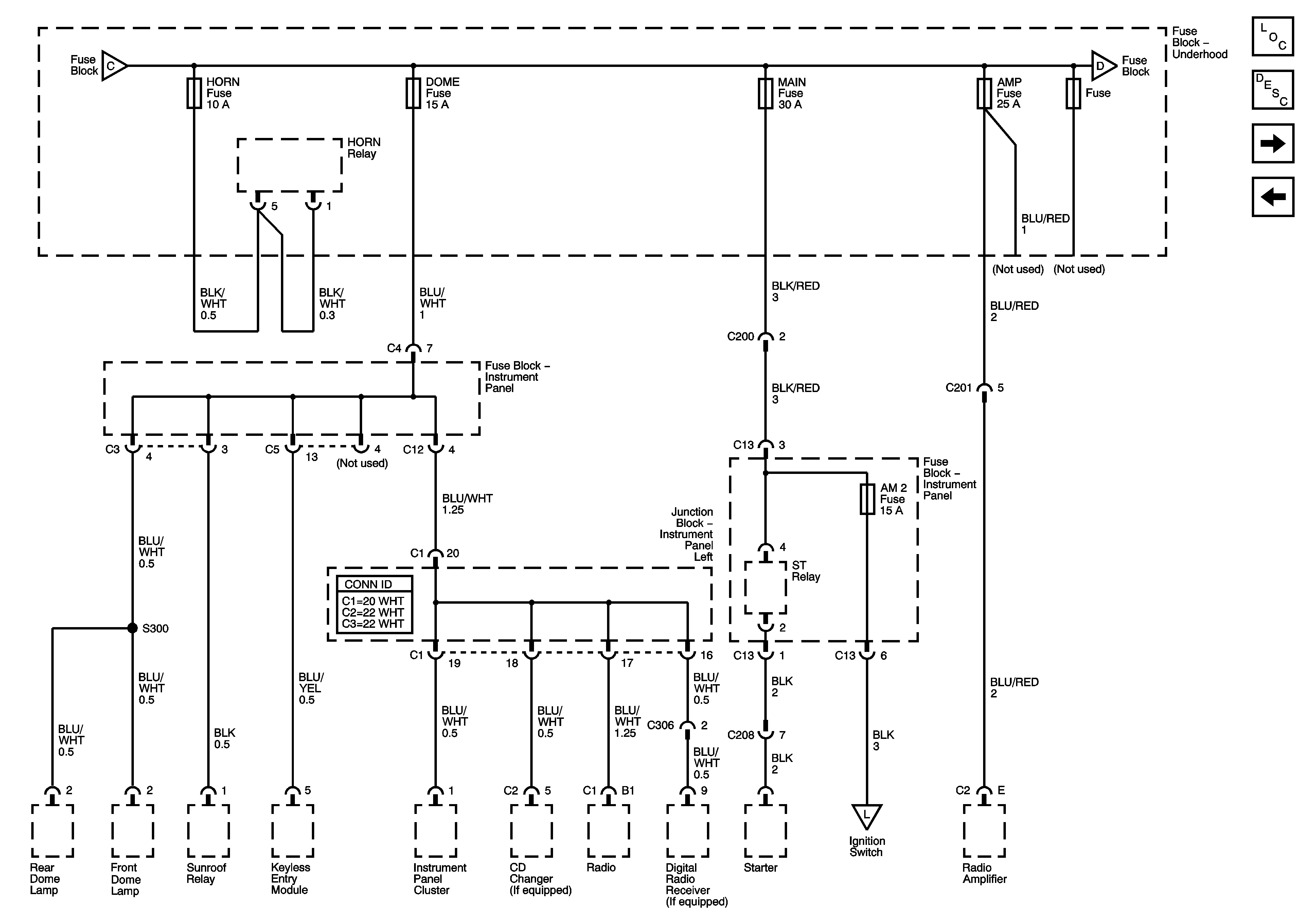
🢒 Horn, Dome, Main, Amp Fuses
Horn, Dome, Main, Amp Fuses
Horn, Dome, Main, Amp Fuses
Master Electrical Component List
Alt, ABS 2, RDI Fan, ABS 1, Fog Fuses
S 100