GM Service Manual Online
For 1990-2009 cars only
Makes
🢒
Pontiac
🢒
2004
🢒
Vibe - AWD
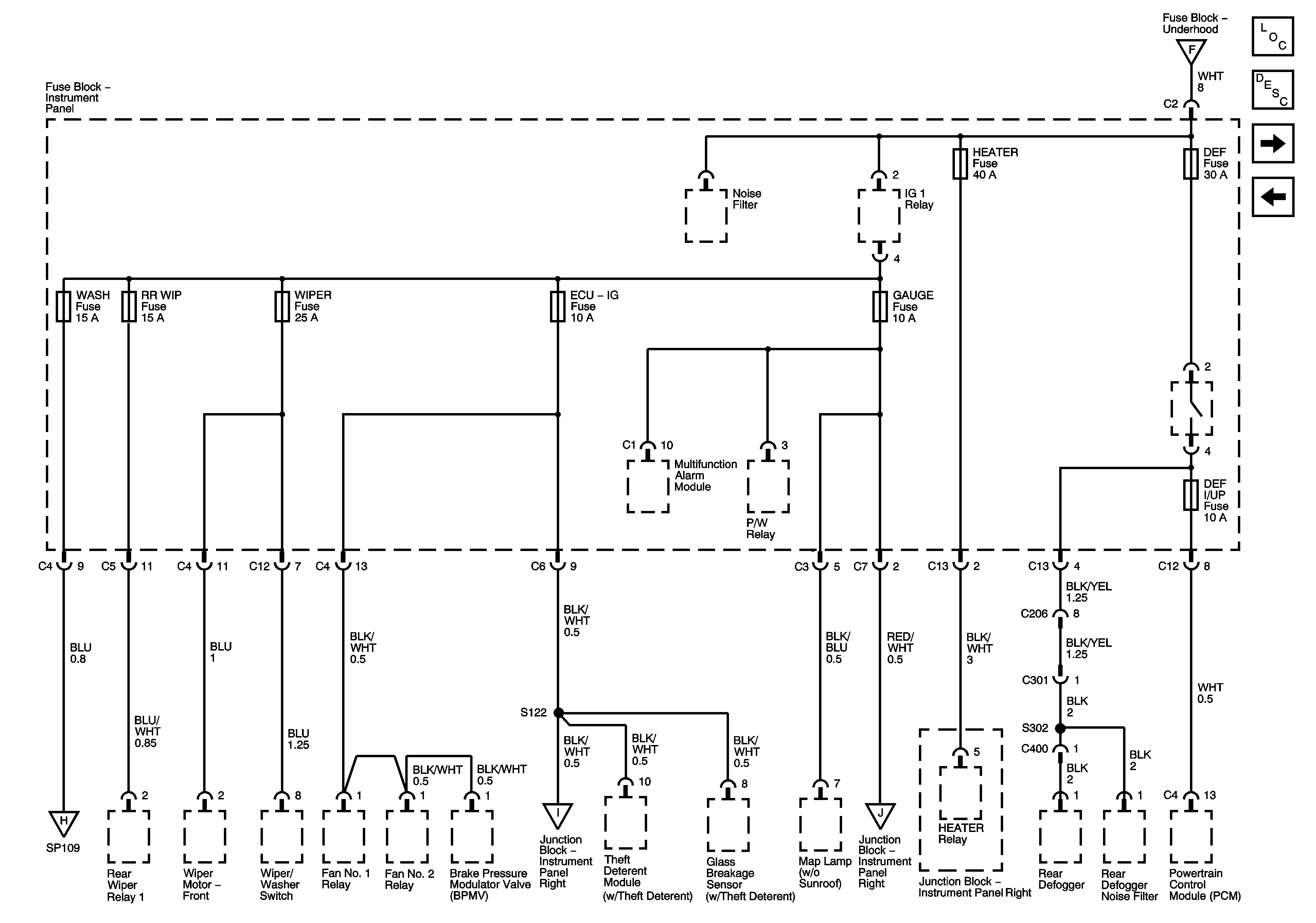
🢒 Wash, RR Wip, Wiper, ECU-IG, Gauge, Heater, Def Fuses
Wash, RR Wip, Wiper, ECU-IG, Gauge, Heater, Def Fuses
Wash, RR Wip, Wiper, ECU-IG, Gauge, Def Fuses
Master Electrical Component List
SP 109
Power, AM 1, Door, Tail, P/Point, ECU-B, Stop, OBD, INV Fuses