GM Service Manual Online
For 1990-2009 cars only
Makes
🢒
Pontiac
🢒
2005
🢒
Vibe - AWD
🢒
Driveline/Axle
🢒
Rear Drive Axle
🢒 Differential Carrier Assembly Disassembled Views
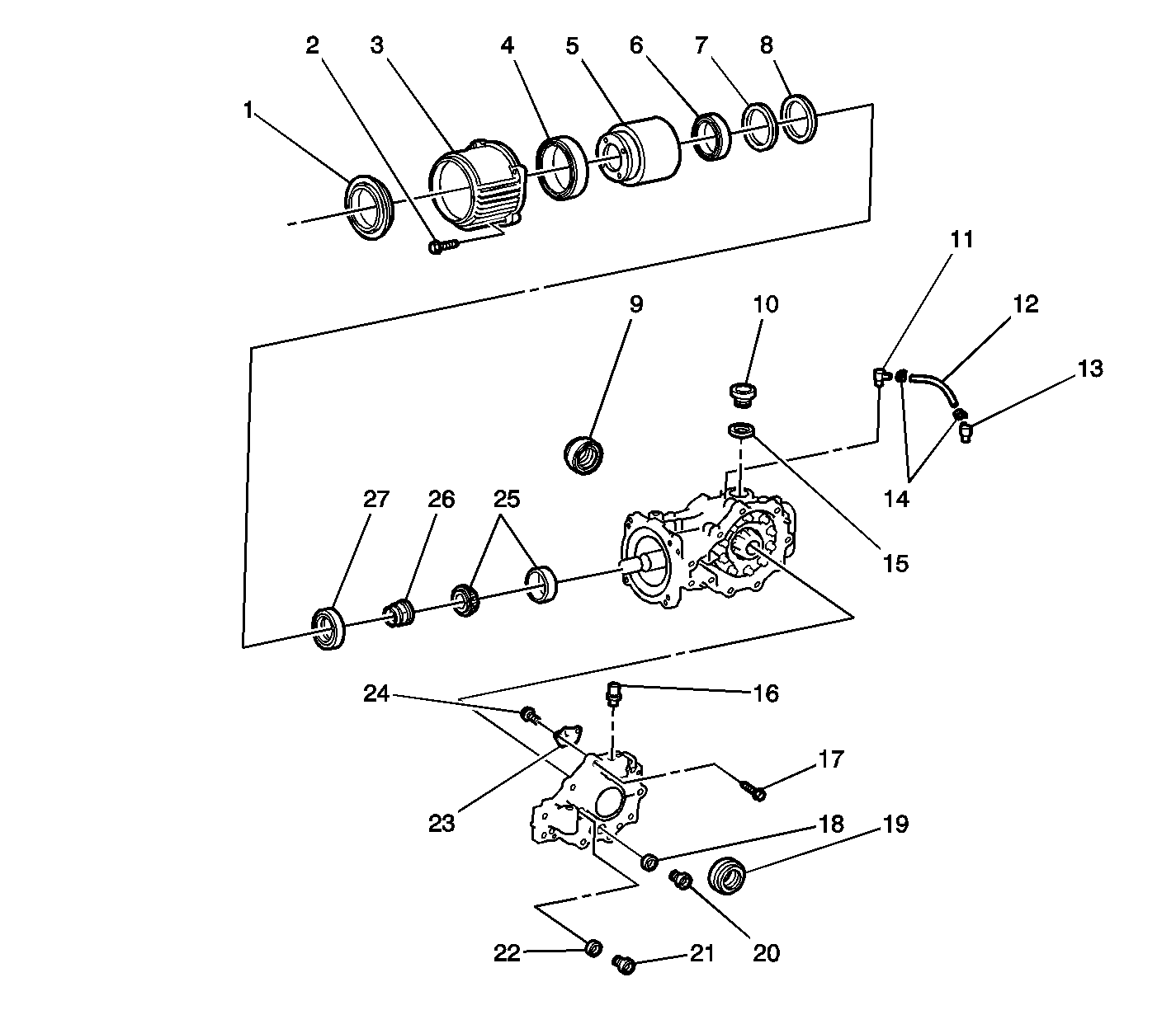
Figure
1:
Rear Axle Disassembled View
(1)
Dust Deflector
(2)
Coupling Housing Bolt
(3)
Coupling Housing
(4)
Coupling Front Bearing
(5)
Coupling
(6)
Coupling Rear Bearing
(7)
Washer
(8)
Shim
(9)
Side Gear Oil Seal
(10)
Inspection Plug
(11)
Vent Hose Elbow
(12)
Vent Hose
(13)
Vent Hose Elbow
(14)
Spring Clamp
(15)
Inspection Plug Gasket
(16)
Differential Carrier Vent
(17)
Differential Side Cover Bolt
(18)
Fill Plug Gasket
(19)
Side Gear Oil Seal
(20)
Fill Plug
(21)
Drain Plug
(22)
Drain Plug Gasket
(23)
Oil Baffle
(24)
Oil Baffle Bolt
(25)
Bearing Assembly
(26)
Drive Pinion Retaining Nut
(27)
Oil Seal
Figure
2:
Rear Axle Internal Components
(1)
Differential Carrier Housing
(2)
Side Bearing Shim
(3)
Side Bearing Assembly
(4)
Ring Gear
(5)
Differential Case
(6)
Ring Gear Retaining Bolt
(7)
Side Bearing Assembly
(8)
Side Bearing Shim
(9)
Differential Carrier Housing Cover
(10)
Side Gear Thust Washer
(11)
Side Gear
(12)
Pinion Gear Thrust Washer
(13)
Pinion Gear
(14)
Pinion Shaft
(15)
Roll Pin
(16)
Oil Slinger
(17)
Collapsible Space
(18)
Drive Pinion Bearing Assembly
(19)
Washer
(20)
Drive Pinion
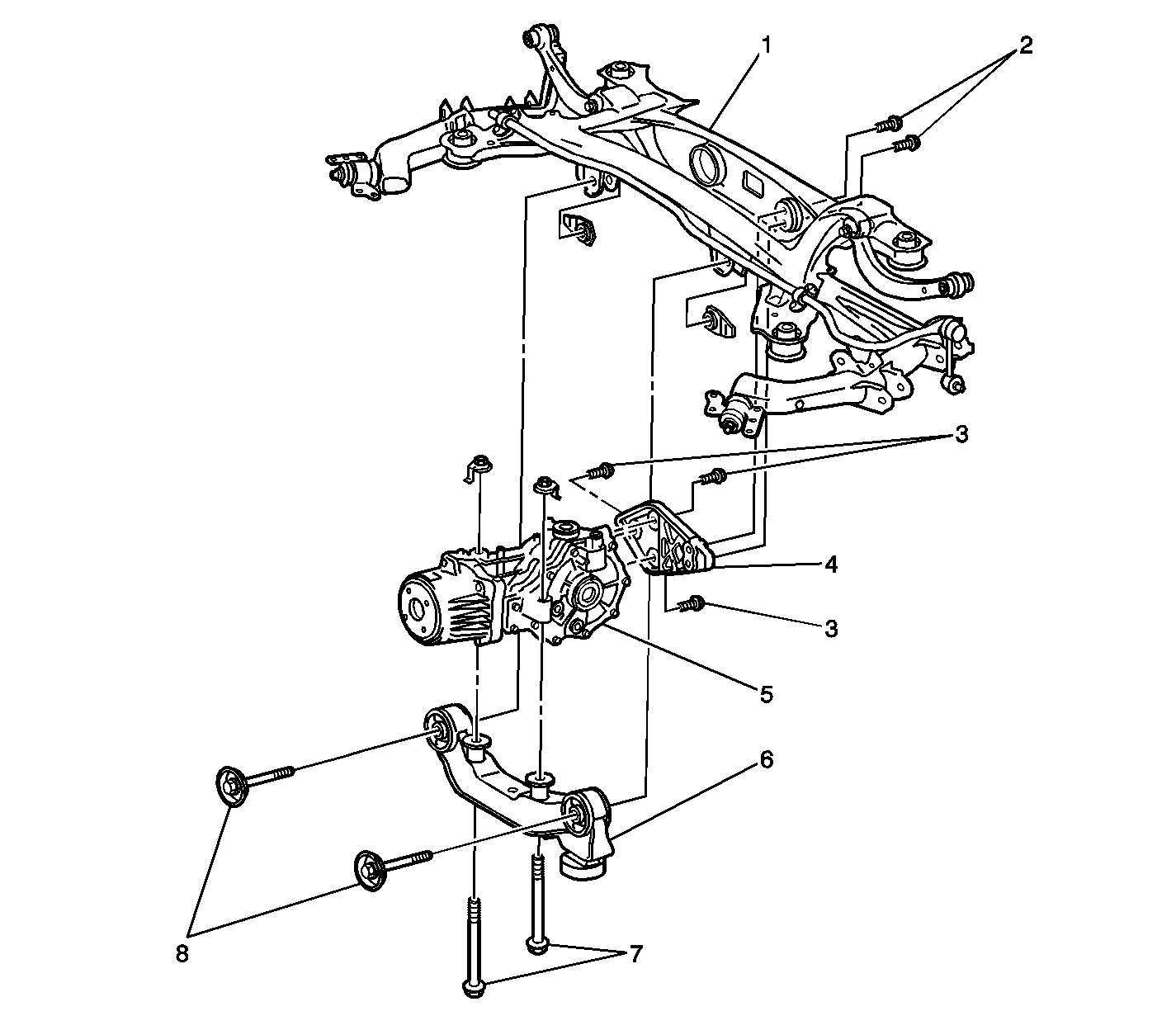
Figure
3:
Rear Axle Mounting Components
(1)
Crossmember
(2)
Rear Differential Support Bracket Retaining Bolts
(3)
Rear Differential Support Bracket Retaining Bolts
(4)
Rear Differential Support Bracket
(5)
Differential Carrier Assembly
(6)
Lower Differential Support
(7)
Differential Carrier Retaining Bolts
(8)
Lower Differential Support Retaining Bolts
Figure
4:
Rear Axle Carrier Coupling Cover
(1)
Porpeller Shaft Bolts
(2)
Coupling Cover Bolts
(3)
Washer
(4)
Oil Seal
(5)
Spacer
(6)
Coupling cover
(7)
Propeller Shaft