GM Service Manual Online
For 1990-2009 cars only
Makes
🢒
Pontiac
🢒
2005
🢒
Vibe - AWD
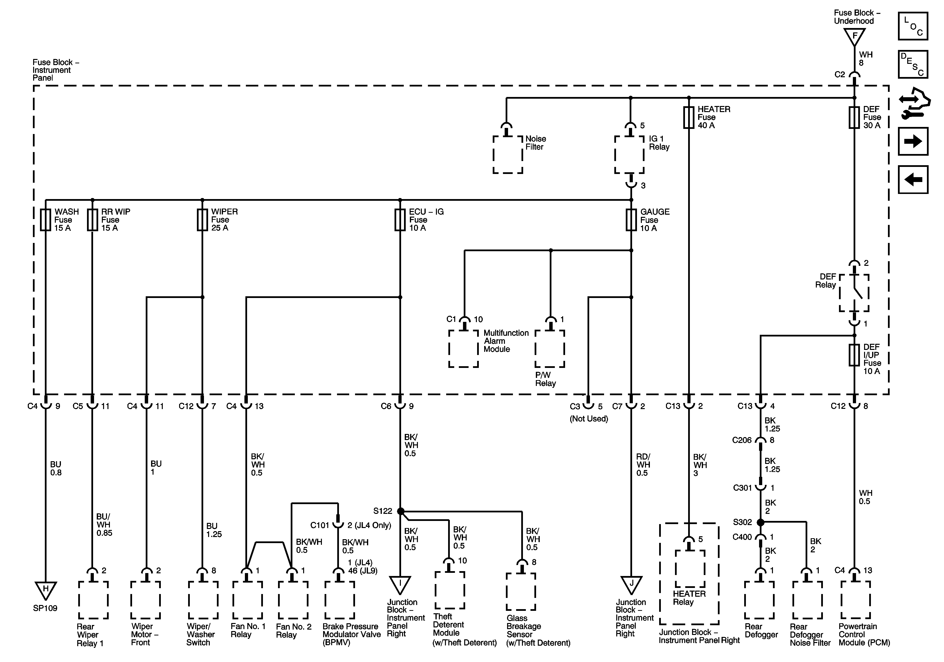
🢒 Wash, RR Wip, Wiper, ECU-IG, Gauge, Heater, DEF Fuses
Wash, RR Wip, Wiper, ECU-IG, Gauge, Heater, DEF Fuses
Wash, RR Wip, Wiper, ECU-IG, Gauge, Heater, DEF Fuses
Master Electrical Component List
Control Module References
P/W Relay, SP109
Power, AM 1, Door, Tail, P/Point, ECU-B, Stop, OBD, INV, Fuses