GM Service Manual Online
For 1990-2009 cars only
Makes
🢒
Pontiac
🢒
2005
🢒
Vibe - AWD
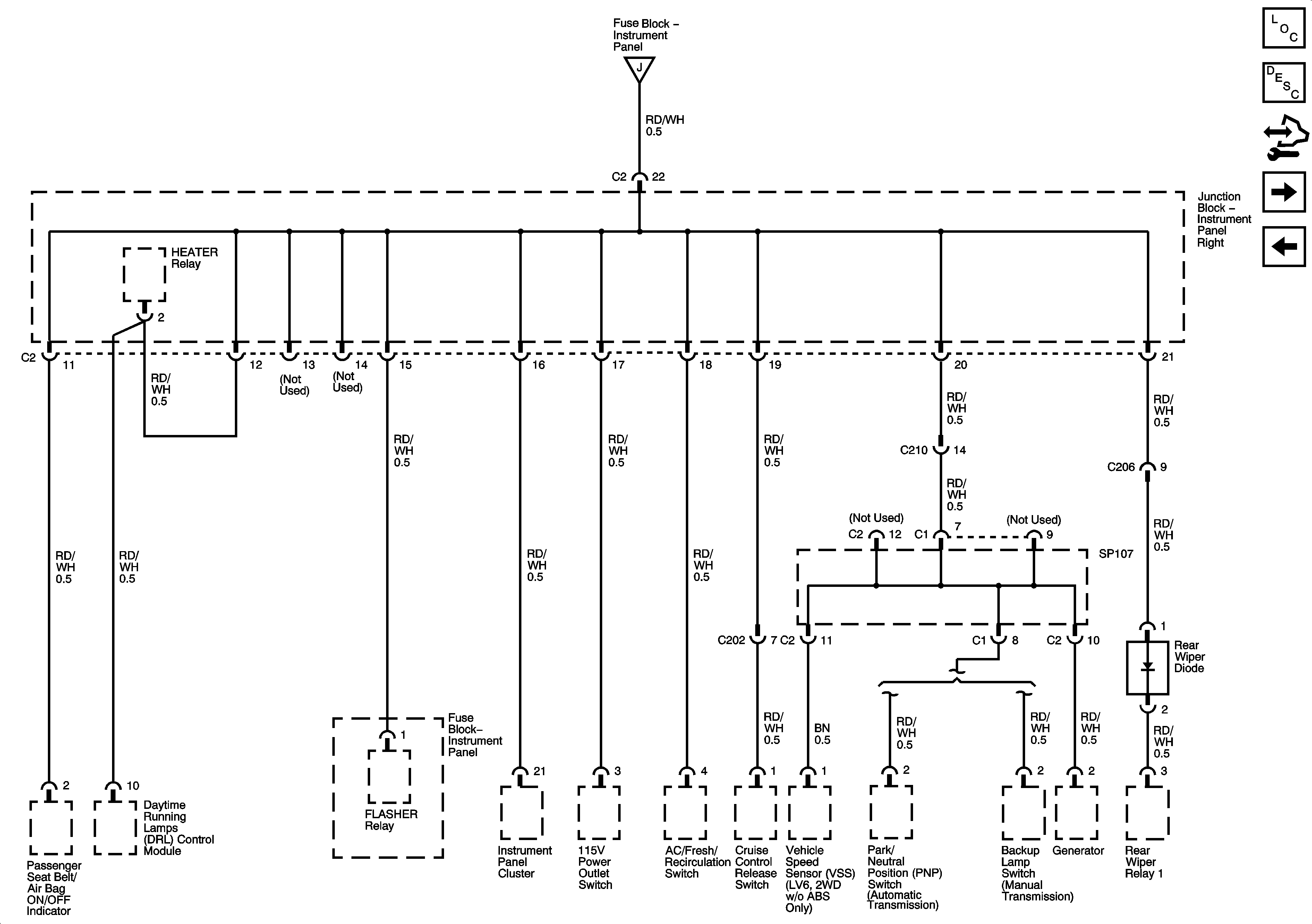
🢒 Junction Block - Instrument Panel Right
Junction Block - Instrument Panel Right
Junction Block - Instrument Panel Right
Master Electrical Component List
Control Module References
Ignition Switch (1 of 2)
P/W Relay, SP109