GM Service Manual Online
For 1990-2009 cars only
Makes
🢒
Pontiac
🢒
2005
🢒
Vibe - AWD
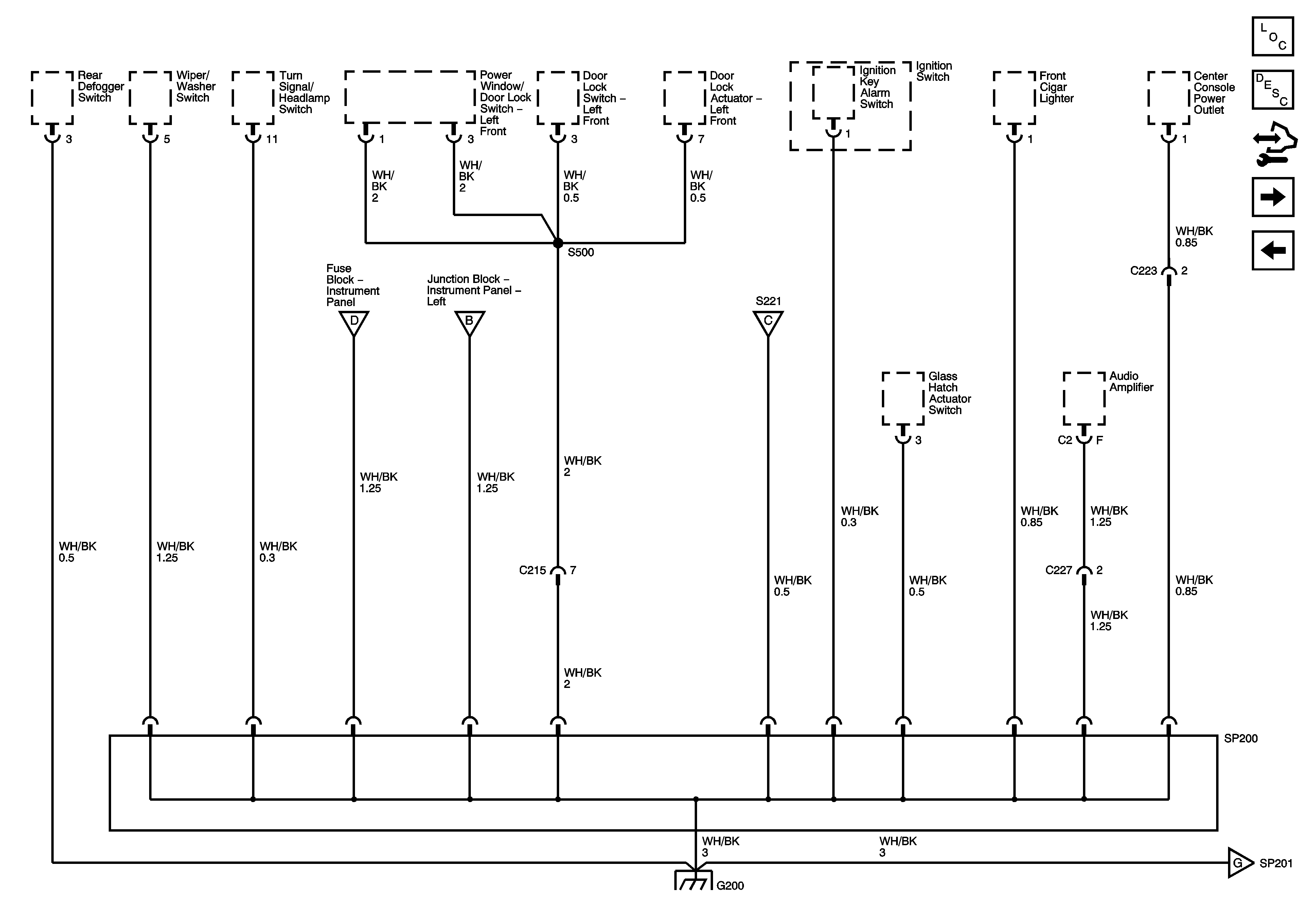
🢒 SP201 and G201
SP201 and G201
SP200 and G200
Master Electrical Component List
Control Module References
Junction Block - Instrument Panel Left
S105, SP107, G105, G106, G107, G108