GM Service Manual Online
For 1990-2009 cars only
Makes
🢒
Pontiac
🢒
2005
🢒
Vibe - AWD
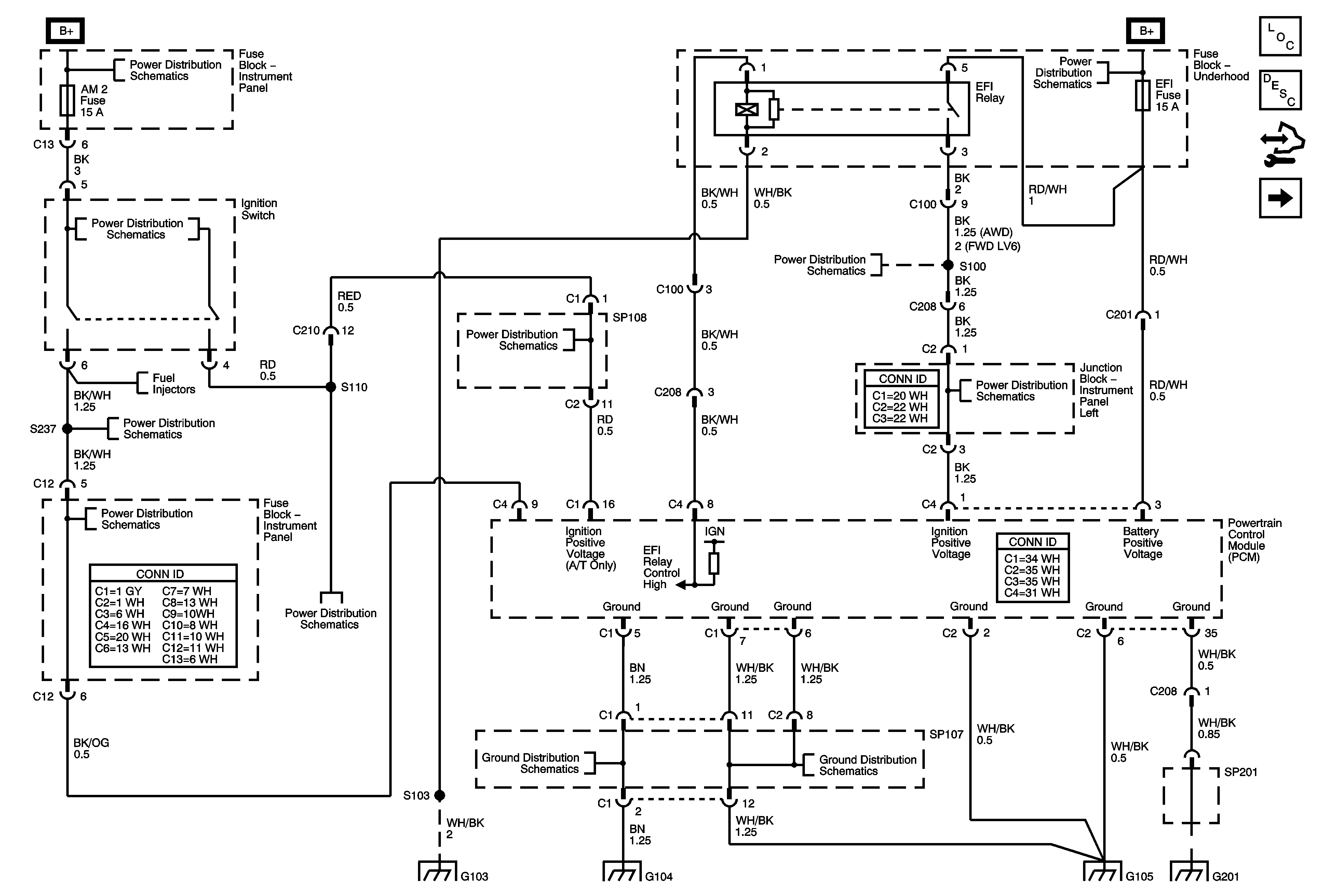
🢒 PCM Power and Ground
PCM Power and Ground
Powertrain Control Module (PCM) Power and Ground
Master Electrical Component List
Powertrain Control Module Description
Control Module References
EFI Relay S100
Air Pump, ETCS, Head, Alt S, EFI, Hazard EFT 2 Fuses
Air Pump, ETCS, Head, Alt S, EFI, Hazard EFT 2 Fuses
Air Pump, ETCS, Head, Alt S, EFI, Hazard EFT 2 Fuses
Air Pump, ETCS, Head, Alt S, EFI, Hazard EFT 2 Fuses
Air Pump, ETCS, Head, Alt S, EFI, Hazard EFT 2 Fuses
Fuel Injectors
Air Pump, ETCS, Head, Alt S, EFI, Hazard EFT 2 Fuses
Air Pump, ETCS, Head, Alt S, EFI, Hazard EFT 2 Fuses
Air Pump, ETCS, Head, Alt S, EFI, Hazard EFT 2 Fuses
Air Pump, ETCS, Head, Alt S, EFI, Hazard EFT 2 Fuses
G100, G101, G102
G100, G101, G102