GM Service Manual Online
For 1990-2009 cars only
Makes
🢒
Pontiac
🢒
2005
🢒
Vibe - AWD
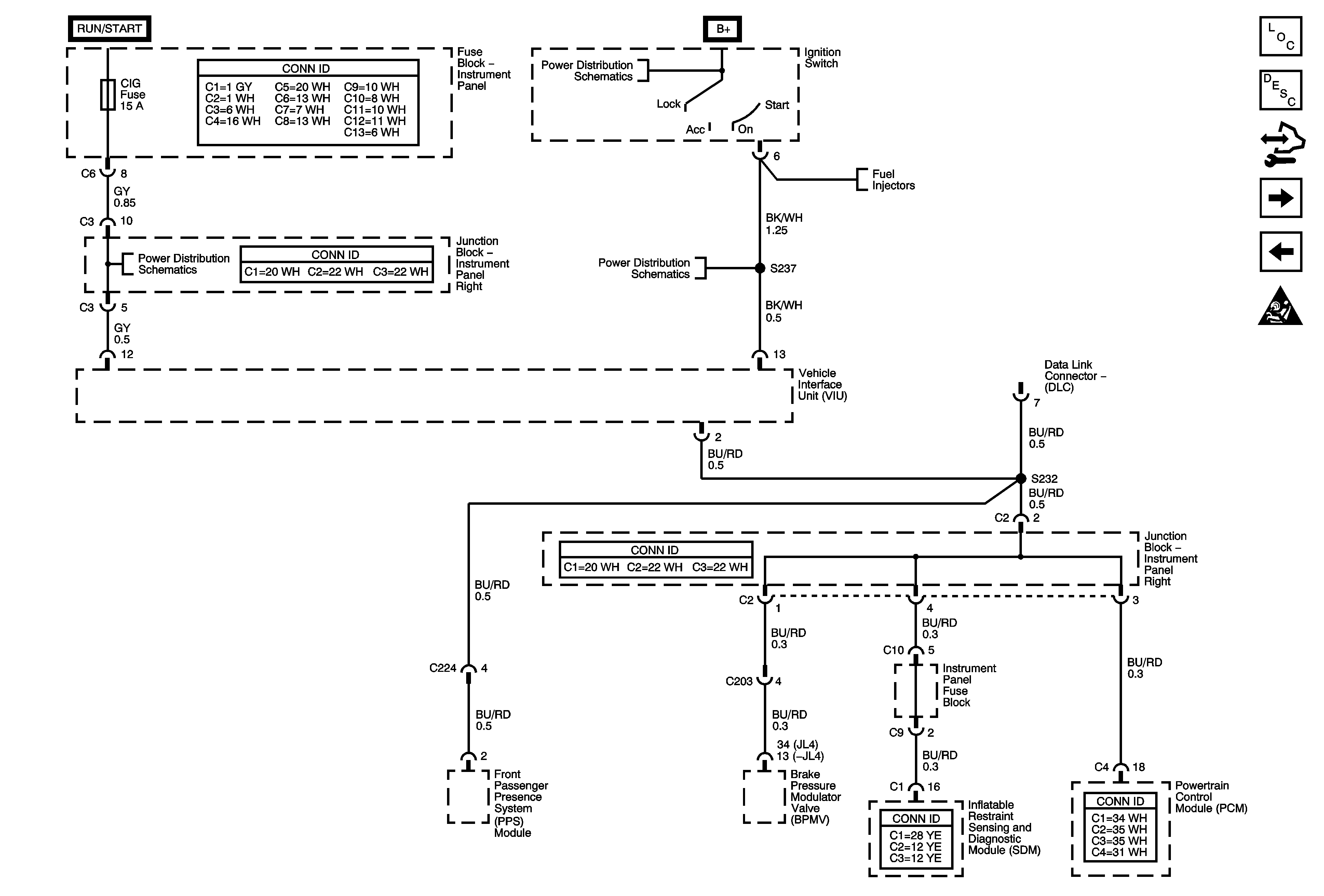
🢒 Vehicle Interface Unit (VIU), DLC
Vehicle Interface Unit (VIU), DLC
Vehicle Interface Unit (VIU), Data Link Connector (DLC)
Master Electrical Component List
OnStar Description and Operation
Control Module References
Vehicle Interface Unit (VIU)
VCIM, Power and Ground, Inside Rearview Mirror
Entertainment/Communication Schematic Icons
Air Pump, ETCS, Head, Alt S, EFI, Hazard EFT 2 Fuses
Air Pump, ETCS, Head, Alt S, EFI, Hazard EFT 2 Fuses
Fuel Injectors