GM Service Manual Online
For 1990-2009 cars only
Figure 1:

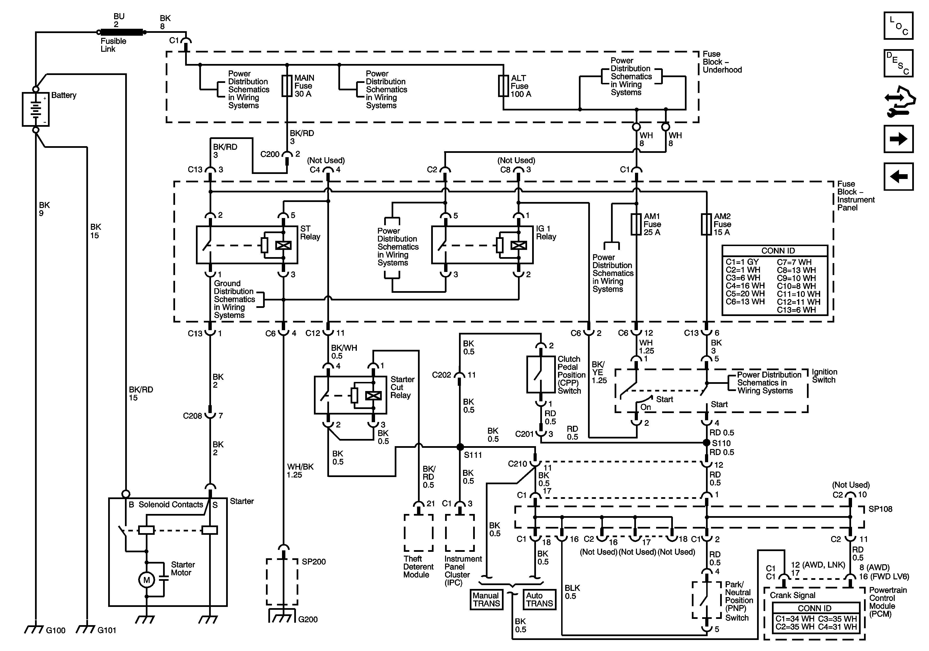
Starting System


Object Number: 1666826  Size: FS
Master Electrical Component List
Starting System Description and Operation
Control Module References
Starting System with Theft Deterrent
Horn, Dome, Main, Amp, OnStar Fuses
Horn, Dome, Main, Amp, OnStar Fuses
Alt, ABS 1 and 2, RDI Fan, Fog Fuses
Fuse Block - Instrument Panel
Wash, RR WIP, Wiper, ECU-IG, Gage, Heater, DEF Fuses
Power, AM 1, Door, Tail, P/Point, ECU-B, Stop, OBD, INV Fuses
Ignition Switch 1 of 2
SP200 and G200
Figure 2:

Starting System with Theft Deterrent


Object Number: 1666827  Size: FS
Master Electrical Component List
Starting System Description and Operation
Control Module References
Charging System
Starting System
Horn, Dome, Main, Amp, OnStar Fuses
Horn, Dome, Main, Amp, OnStar Fuses
Alt, ABS 1 and 2, RDI Fan, Fog Fuses
Fuse Block - Instrument Panel
Wash, RR WIP, Wiper, ECU-IG, Gage, Heater, DEF Fuses
Power, AM 1, Door, Tail, P/Point, ECU-B, Stop, OBD, INV Fuses
Ignition Switch 1 of 2
SP200 and G200
Figure 3:

Charging System


Object Number: 1424560  Size: FS
Master Electrical Component List
Charging System Description and Operation
Control Module References
Starting System with Theft Deterrent
Air Pump, ETCS, Head, Alt S, EFI, Hazard EFI 2 Fuses
Air Pump, ETCS, Head, Alt S, EFI, Hazard EFI 2 Fuses
Alt, ABS 1 and 2, RDI Fan, Fog Fuses
Wash, RR WIP, Wiper, ECU-IG, Gage, Heater, DEF Fuses
Horn, Dome, Main, Amp, OnStar Fuses
Ignition Switch 1 of 2
Junction Block - Instrument Panel Right
Fuel Injectors
Ignition Switch 2 0f 2
Ignition Switch 2 0f 2
Daytime Running Lamp (DRL) Control Module Power and Ground, Ambient Light Sensor
Junction Block - Instrument Panel Right
Charge, Air Bag, Malfunction, O/D OFF, Cruise Indicators