GM Service Manual Online
For 1990-2009 cars only
Figure 1:

Air Pump, ETCS, Head, Alt S, EFI, Hazard EFI 2 Fuses


Object Number: 1422166  Size: FS
Master Electrical Component List
Control Module References
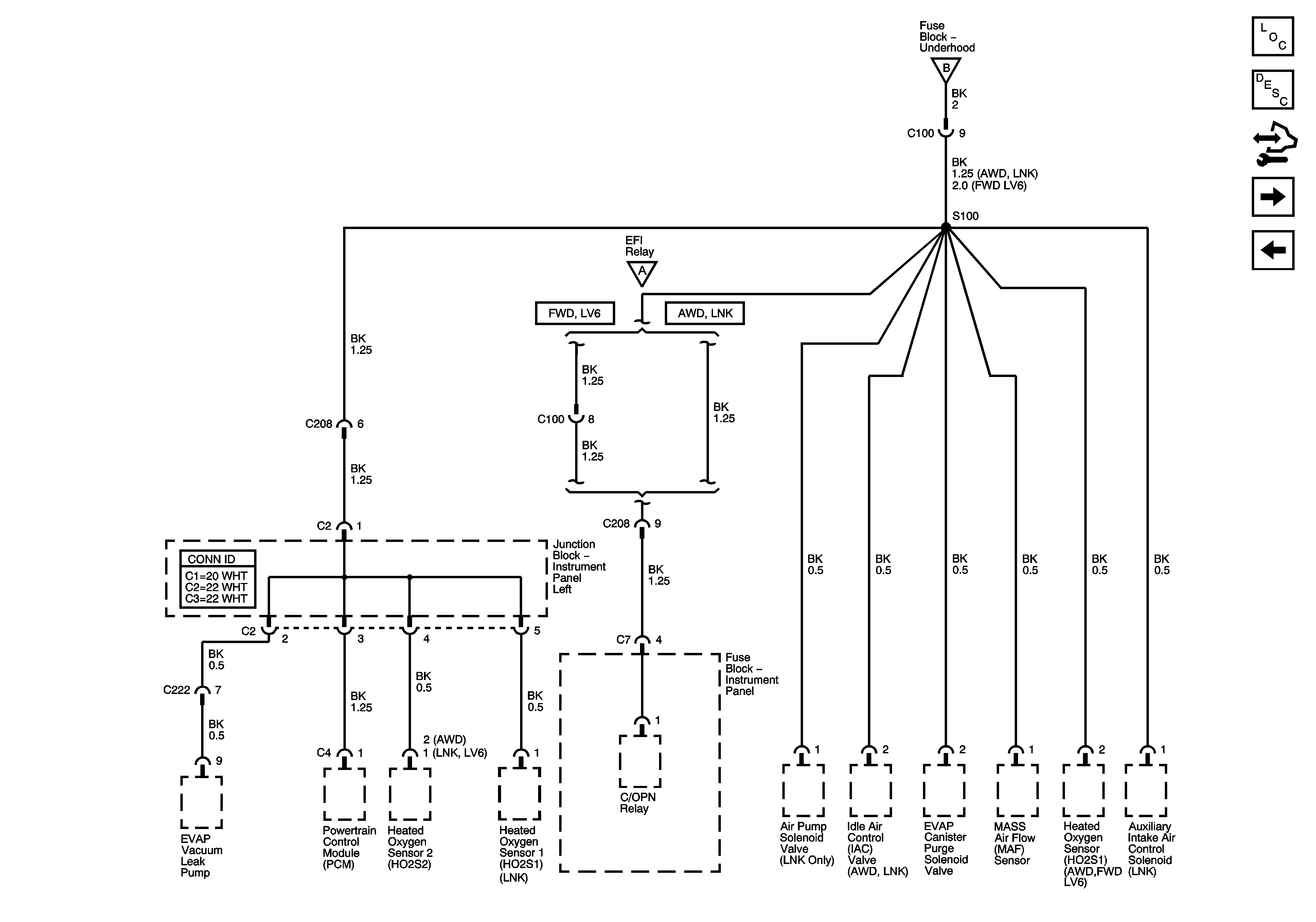
S100
Figure 2:

S100


Object Number: 1666776  Size: FS
Master Electrical Component List
Control Module References
Horn, Dome, Main, Amp, OnStar Fuses
Air Pump, ETCS, Head, Alt S, EFI, Hazard EFI 2 Fuses
Figure 3:

Horn, Dome, Main, Amp, OnStar Fuses


Object Number: 1422171  Size: FS
Master Electrical Component List
Control Module References
Alt, ABS 1 and 2, RDI Fan, Fog Fuses
S100
Figure 4:

Alt, ABS 1 and 2, RDI Fan, Fog Fuses


Object Number: 1422173  Size: FS
Master Electrical Component List
Control Module References
Power, AM 1, Door, Tail, P/Point, ECU-B, Stop, OBD, INV Fuses
Horn, Dome, Main, Amp, OnStar Fuses
Figure 5:

Power, AM 1, Door, Tail, P/Point, ECU-B, Stop, OBD, INV Fuses


Object Number: 1422174  Size: FS
Master Electrical Component List
Control Module References
Wash, RR WIP, Wiper, ECU-IG, Gage, Heater, DEF Fuses
Alt, ABS 1 and 2, RDI Fan, Fog Fuses
Figure 6:

Wash, RR WIP, Wiper, ECU-IG, Gage, Heater, DEF Fuses


Object Number: 1422175  Size: FS
Master Electrical Component List
Control Module References
P/W Relay, SP109, S230
Power, AM 1, Door, Tail, P/Point, ECU-B, Stop, OBD, INV Fuses
Figure 7:

P/W Relay, SP109, S230


Object Number: 1422176  Size: FS
Master Electrical Component List
Control Module References
Junction Block - Instrument Panel Right
Wash, RR WIP, Wiper, ECU-IG, Gage, Heater, DEF Fuses
Figure 8:

Junction Block - Instrument Panel Right


Object Number: 1422177  Size: FS
Master Electrical Component List
Control Module References
Ignition Switch 1 of 2
P/W Relay, SP109, S230
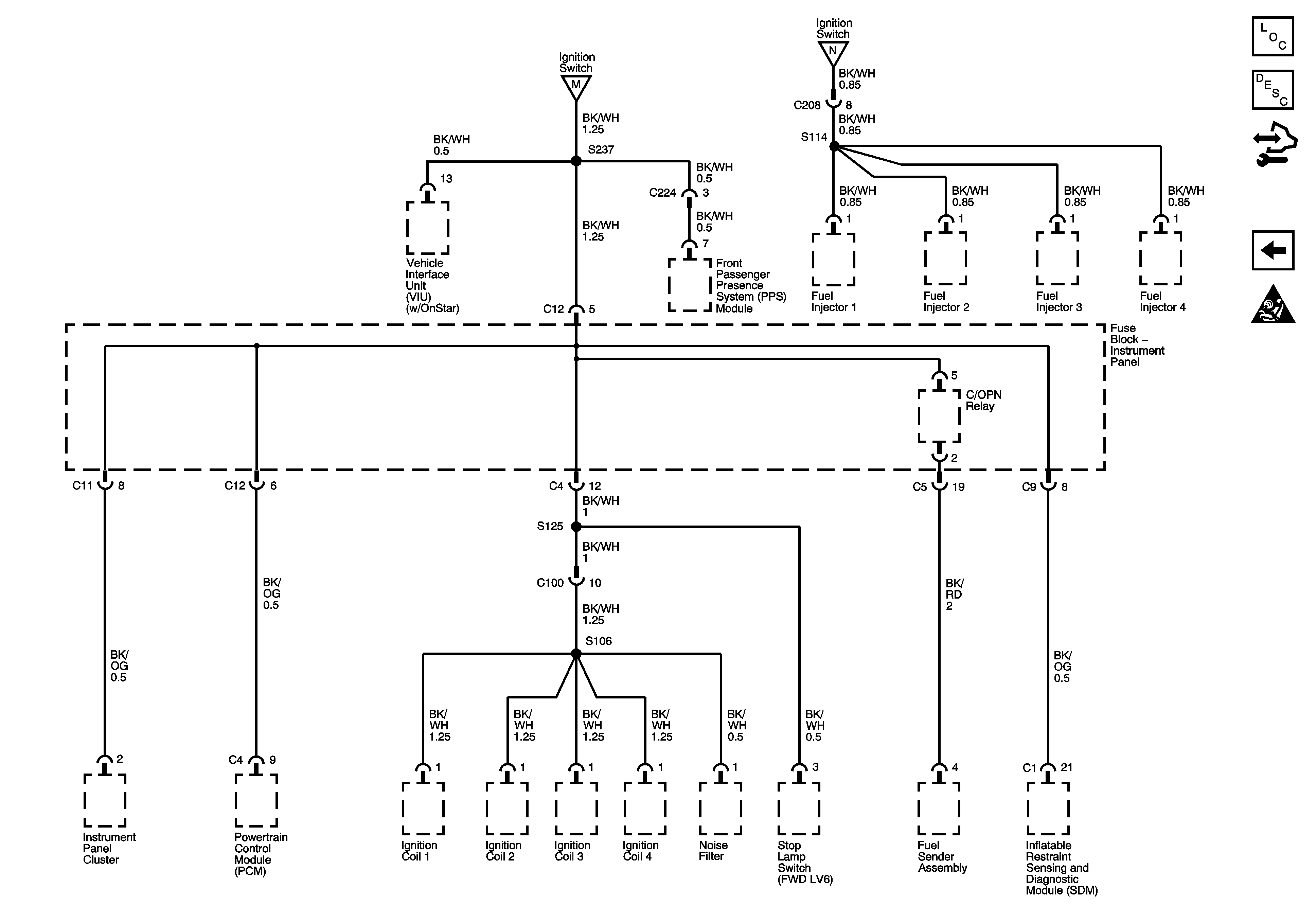
Figure 9:

Ignition Switch 1 of 2


Object Number: 1666777  Size: FS
Master Electrical Component List
Control Module References
Ignition Switch 2 0f 2
Junction Block - Instrument Panel Right
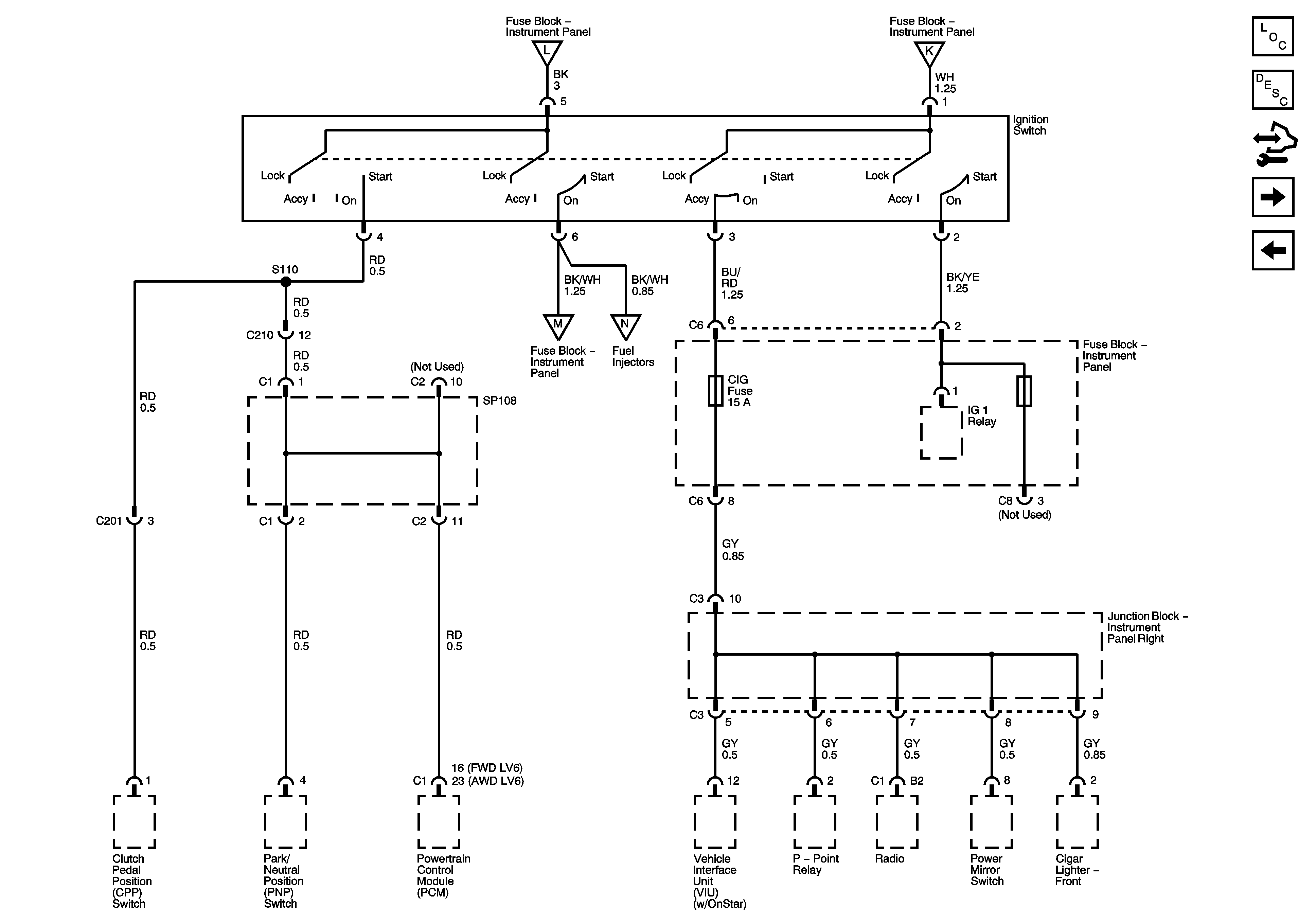
Figure 10:

Ignition Switch 2 of 2


Object Number: 1666778  Size: FS
Master Electrical Component List
Control Module References
Ignition Switch 1 of 2
Power and Grounding Schematic Icons