GM Service Manual Online
For 1990-2009 cars only
Figure 1:

G100, G101, G102


Object Number: 1422181  Size: FS
Master Electrical Component List
Control Module References
S103, G103
Figure 2:

S103, G103


Object Number: 1422182  Size: FS
Master Electrical Component List
Control Module References
SP107, SP108, G104
G100, G101, G102
Figure 3:

SP107, SP108, G104


Object Number: 1666779  Size: FS
Master Electrical Component List
Control Module References
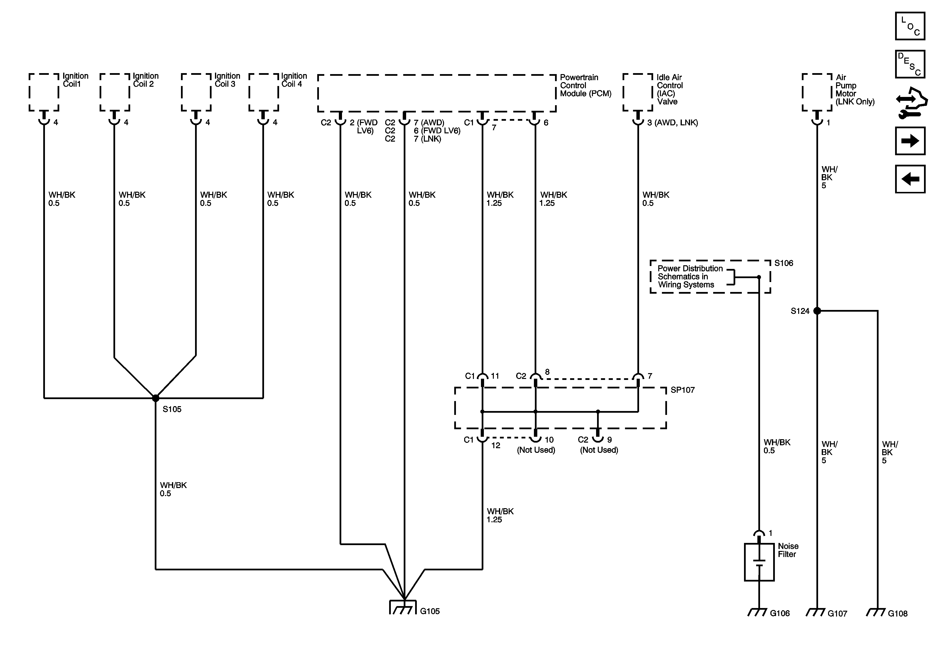
S105, G105, G106, G107, G108
S103, G103
Figure 4:

S105, G105, G106, G107, G108


Object Number: 1666783  Size: FS
Master Electrical Component List
Control Module References
SP200 and G200
SP107, SP108, G104
Figure 5:

SP200 and G200


Object Number: 1666784  Size: FS
Master Electrical Component List
Control Module References
Junction Block Instrument Panel - Left
S105, G105, G106, G107, G108
Figure 6:

Junction Block Instrument Panel - Left


Object Number: 1422186  Size: FS
Master Electrical Component List
Control Module References
S221
SP200 and G200
Power and Grounding Schematic Icons
Figure 7:

S221


Object Number: 1422187  Size: FS
Master Electrical Component List
Control Module References
Fuse Block - Instrument Panel
Junction Block Instrument Panel - Left
Figure 8:

Fuse Block - Instrument Panel


Object Number: 1422188  Size: FS
Master Electrical Component List
Control Module References
SP201 and G201
S221
Power and Grounding Schematic Icons
Figure 9:

SP201 and G201


Object Number: 1422189  Size: FS
Master Electrical Component List
Control Module References
Junction Block Instrument Panel - Right
Fuse Block - Instrument Panel
Figure 10:

Junction Block Instrument Panel - Right


Object Number: 1422190  Size: FS
Master Electrical Component List
Control Module References
G202, G300, G301, G302
SP201 and G201
Figure 11:

G202, G300, G301, G302


Object Number: 1666785  Size: FS
Master Electrical Component List
Control Module References
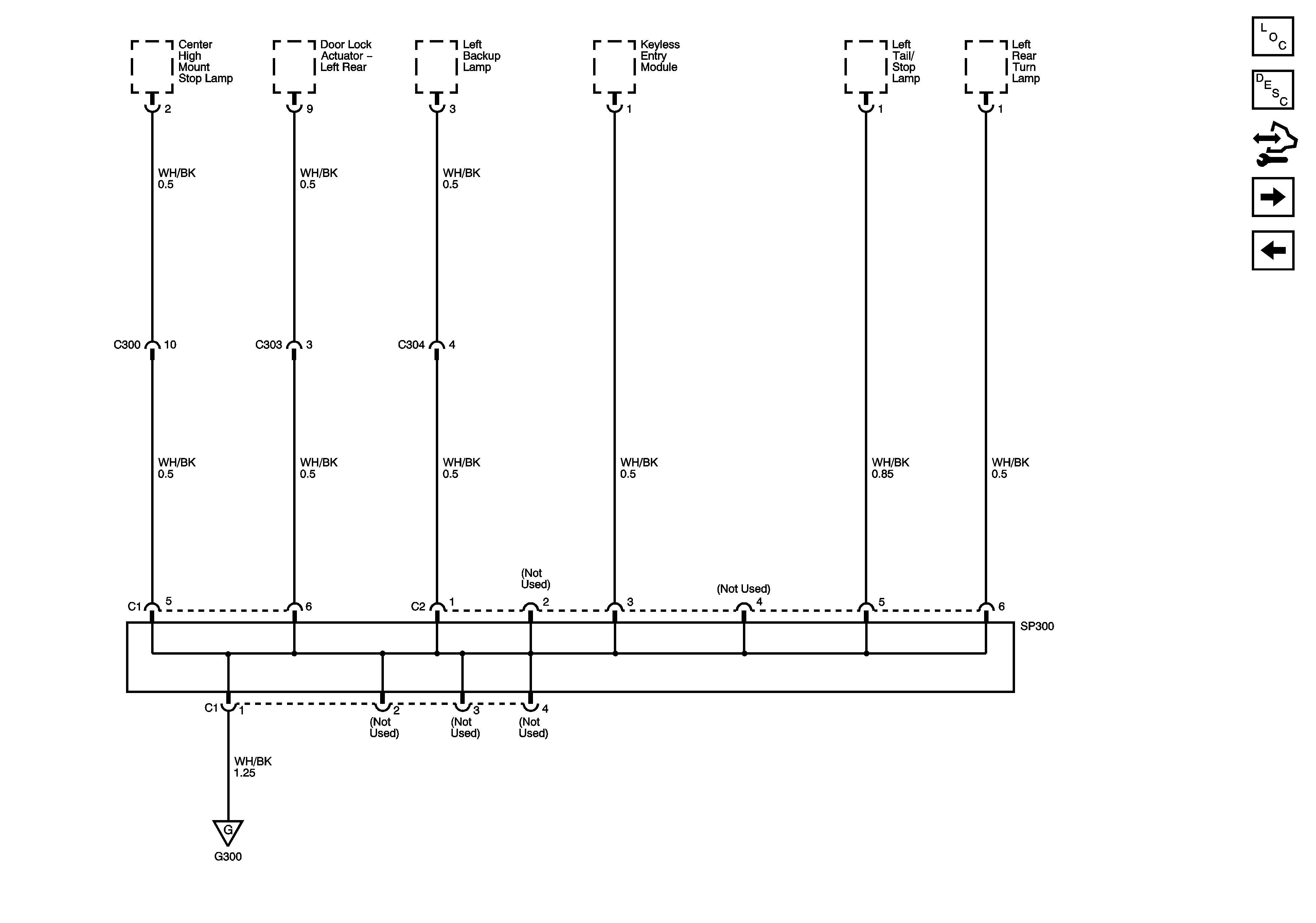
SP300
Junction Block Instrument Panel - Right
Figure 12:

SP300


Object Number: 1666786  Size: FS
Master Electrical Component List
Control Module References
SP400
G202, G300, G301, G302
Figure 13:

SP400


Object Number: 1422193  Size: FS
Master Electrical Component List
Control Module References
SP300