GM Service Manual Online
For 1990-2009 cars only
Makes
🢒
Pontiac
🢒
2006
🢒
Vibe - AWD
🢒
Body
🢒
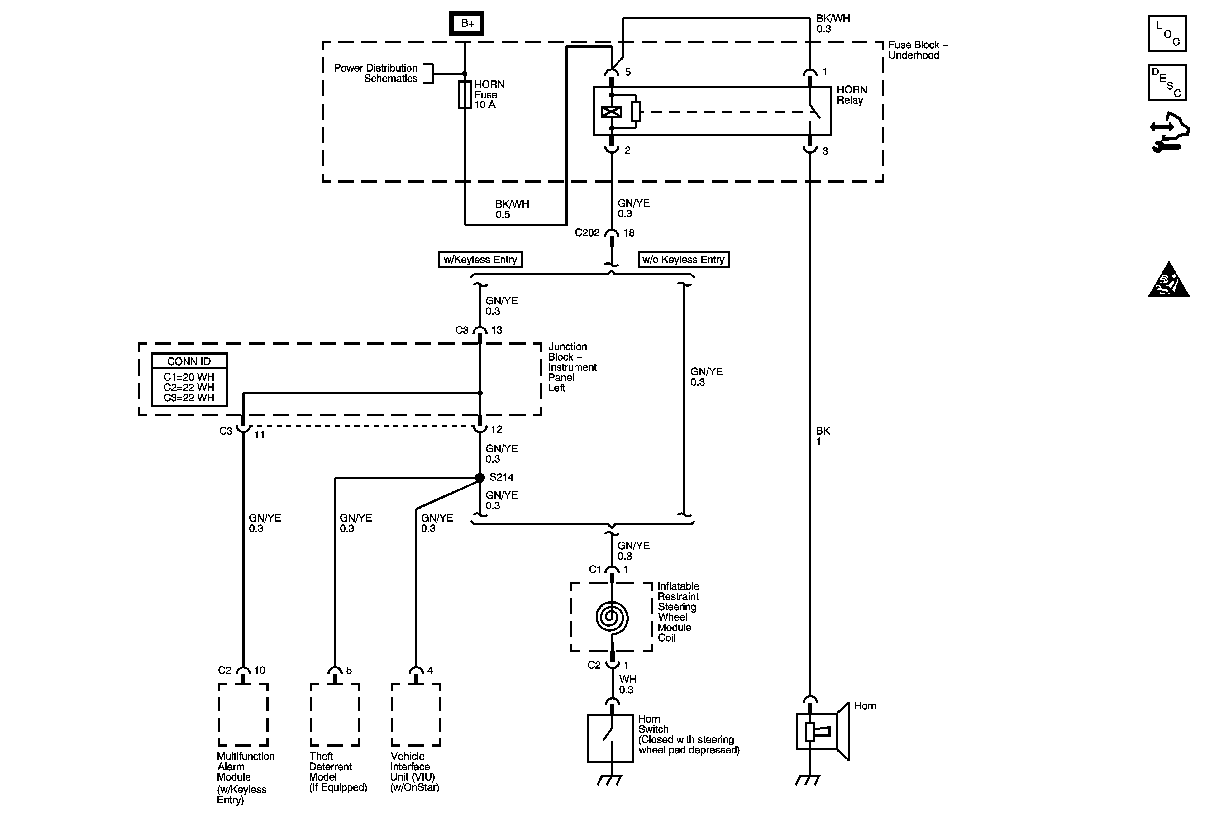
Horns
🢒 Horn Schematics
Master Electrical Component List
Horns System Description and Operation
Control Module References
Horn Schematic Icons
Horn, Dome, Main, Amp, OnStar Fuses