GM Service Manual Online
For 1990-2009 cars only
Makes
🢒
Pontiac
🢒
2006
🢒
Vibe - AWD
🢒
Body
🢒
Instrument Panel, Gages, and Console
🢒 Audible Warnings Schematics
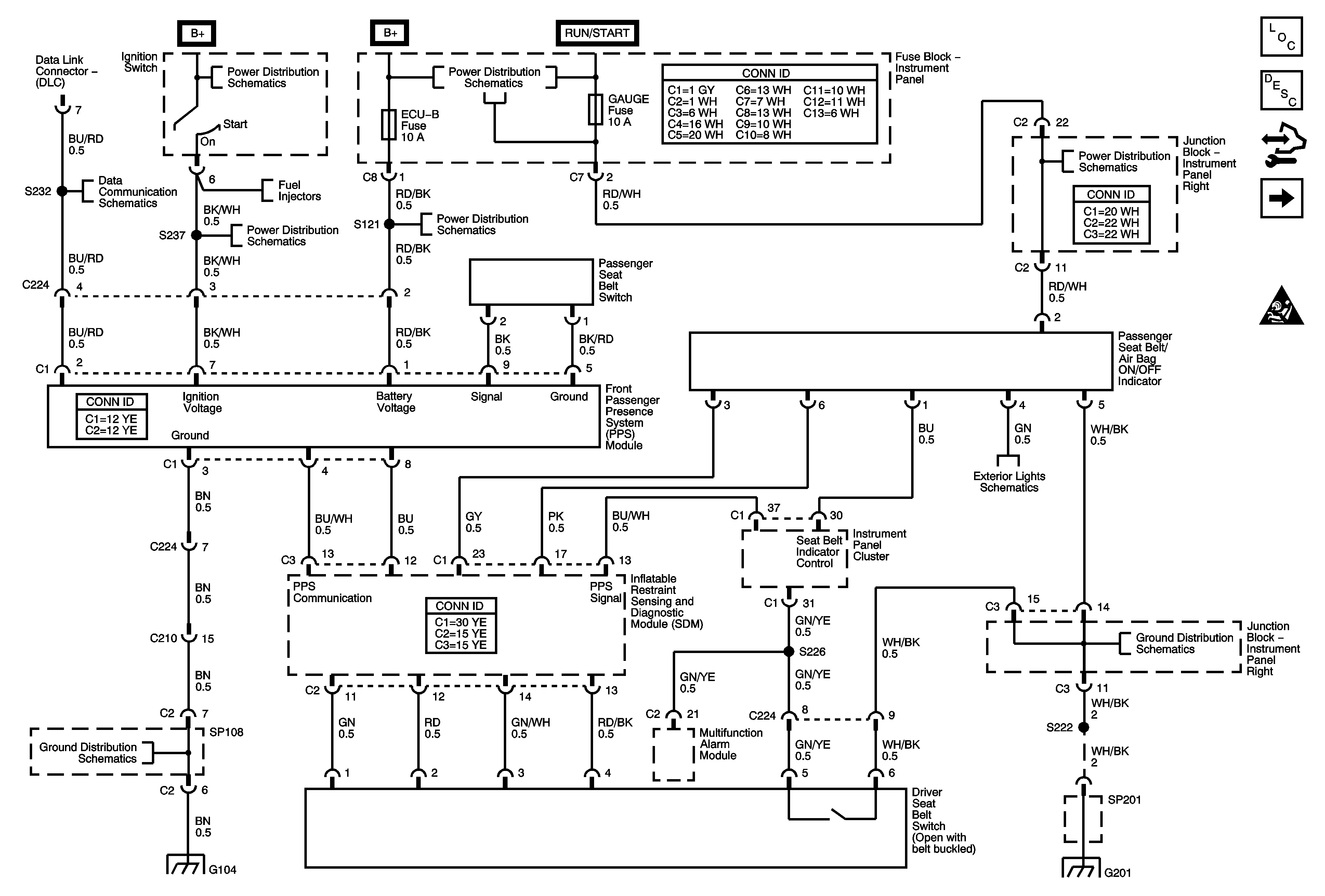
Figure
1:
Seat Belt Warning Indicator
Master Electrical Component List
Audible Warnings Description and Operation
Control Module References
Door Open Warning Indicator
Instrument Panel, Gages, and Console Schematic Icons
Ignition Switch 1 of 2
Wash, RR WIP, Wiper, ECU-IG, Gage, Heater, DEF Fuses
Fuel Injectors
Computer/Integrating Systems DLC Schematic Figure for Graphic 1666852
Headlamps ON Indicator, Crank Signal, Vehicle Speed Signal
Power, AM 1, Door, Tail, P/Point, ECU-B, Stop, OBD, INV Fuses
Junction Block - Instrument Panel Right
Tail Relay, Turn Signal/Headlamp Switch
Junction Block Instrument Panel - Right
SP107, SP108, G104
SP107, SP108, G104
SP201 and G201
Figure
2:
Door Open Warning Indicator
Master Electrical Component List
Audible Warnings Description and Operation
Control Module References
Headlamps ON, Ignition Key, Reverse Warning Indicators
Seat Belt Warning Indicator
Horn, Dome, Main, Amp, OnStar Fuses
S100
Horn, Dome, Main, Amp, OnStar Fuses
High Beam Door Open, Engine Coolant Temperature (ECT) Indicators
Wipers/Washer Systems Schematic Figure for Graphic 1666863
SP400
G202, G300, G301, G302
Figure
3:
Headlamps ON, Ignition Key, Reverse Warning Indicators
Master Electrical Component List
Audible Warnings Description and Operation
Control Module References
Door Open Warning Indicator
Tail Relay, Turn Signal/Headlamp Switch
Back Up Lamps
SP200 and G200