GM Service Manual Online
For 1990-2009 cars only
Makes
🢒
Pontiac
🢒
2006
🢒
Vibe - AWD
🢒
Body
🢒
Wipers/Washer Systems
🢒 Wiper/Washer Schematics
Figure
1:
Front Wiper System
Master Electrical Component List
Wiper/Washer System Description and Operation
Control Module References
Wipers/Washer Systems Schematic Figure for Graphic 1666863
Wash, RR WIP, Wiper, ECU-IG, Gage, Heater, DEF Fuses
Wash, RR WIP, Wiper, ECU-IG, Gage, Heater, DEF Fuses
Wash, RR WIP, Wiper, ECU-IG, Gage, Heater, DEF Fuses
Junction Block Instrument Panel - Right
Low Washer Fluid Level, Oil Pressure Indicators, IPC Illumination
SP200 and G200
S103, G103
G100, G101, G102
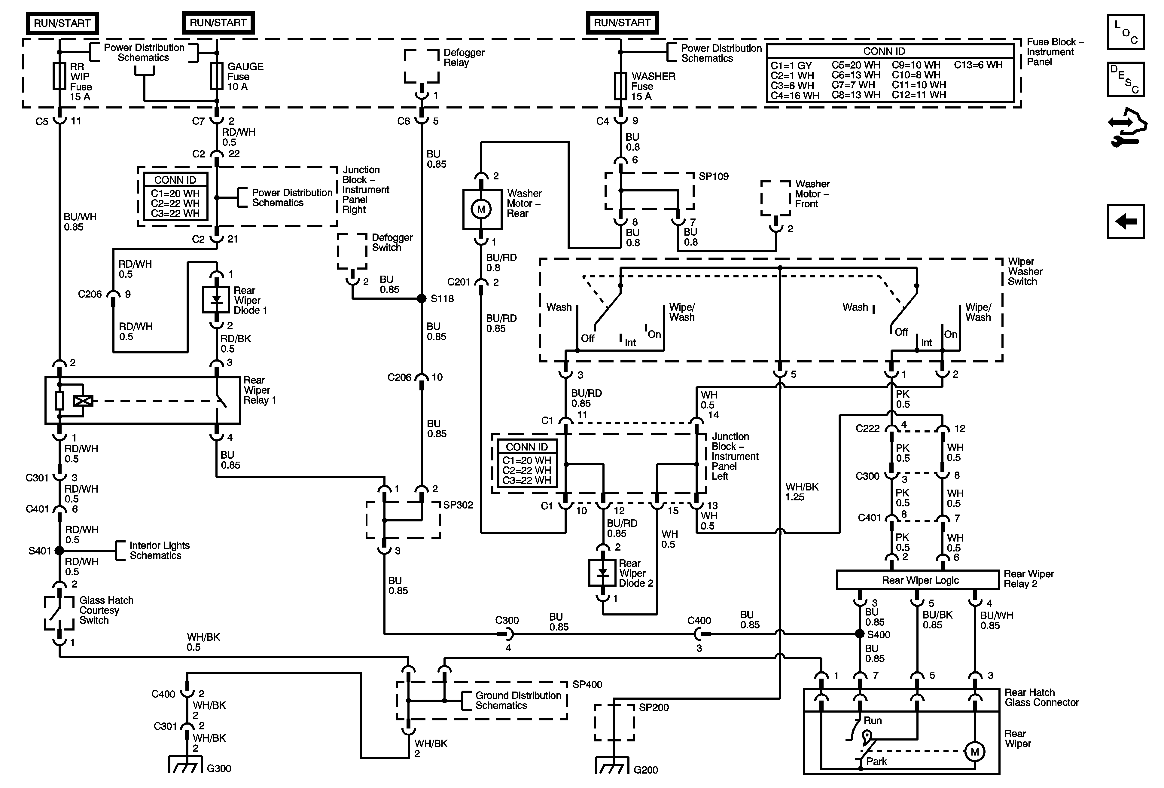
Figure
2:
Rear Wiper System with Prewash Function
Master Electrical Component List
Rear Wiper/Washer System Description and Operation
Control Module References
Wipers/Washer Systems Figure Schematic for Graphic 1426642
Wash, RR WIP, Wiper, ECU-IG, Gage, Heater, DEF Fuses
Wash, RR WIP, Wiper, ECU-IG, Gage, Heater, DEF Fuses
Ignition Switch 2 0f 2
Door Open Warning Indicator
SP400
G202, G300, G301, G302
SP200 and G200