GM Service Manual Online
For 1990-2009 cars only
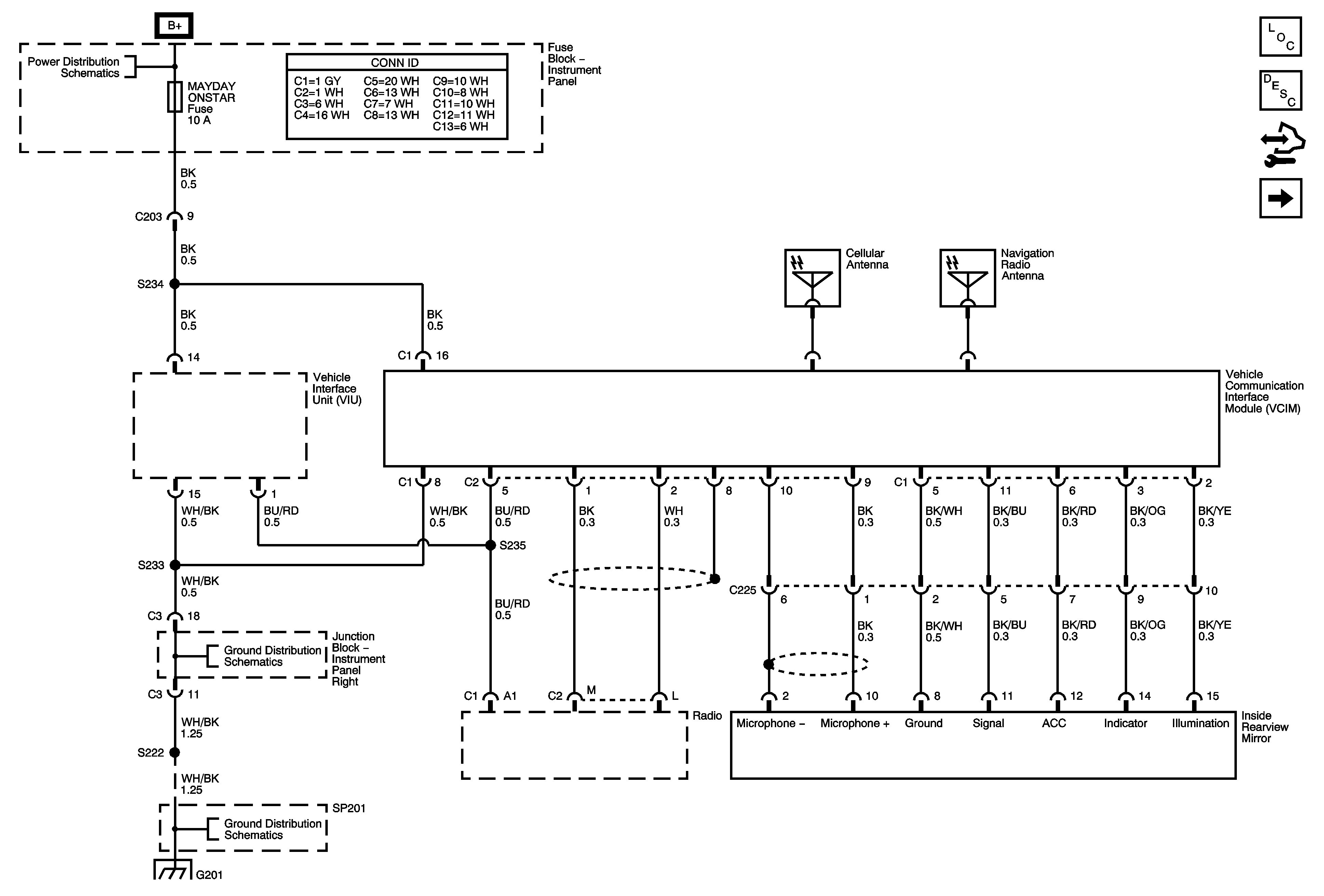
Figure 1:

Vehicle Communication Interface Module (VCIM), Power and Ground, Inside Rearview Mirror


Object Number: 1424554  Size: FS
Master Electrical Component List
OnStar Description and Operation
Control Module References
Cellular Communication OnStar Schematic Figure for Graphic 1666868
Horn, Dome, Main, Amp, OnStar Fuses
Junction Block Instrument Panel - Right
SP201 and G201
SP201 and G201
Figure 2:

Vehicle Interface Unit (VIU), Data Link Connector (DLC)


Object Number: 1666868  Size: FS
Master Electrical Component List
OnStar Description and Operation
Control Module References
Cellular Communication OnStar Schematic Figure for Graphic 1426731
Cellular Communication OnStar Schematic Figure for Graphic 1424554
Cellular Communication Schematic Icons
Ignition Switch 1 of 2
Fuel Injectors
Junction Block - Instrument Panel Right
Ignition Switch 1 of 2
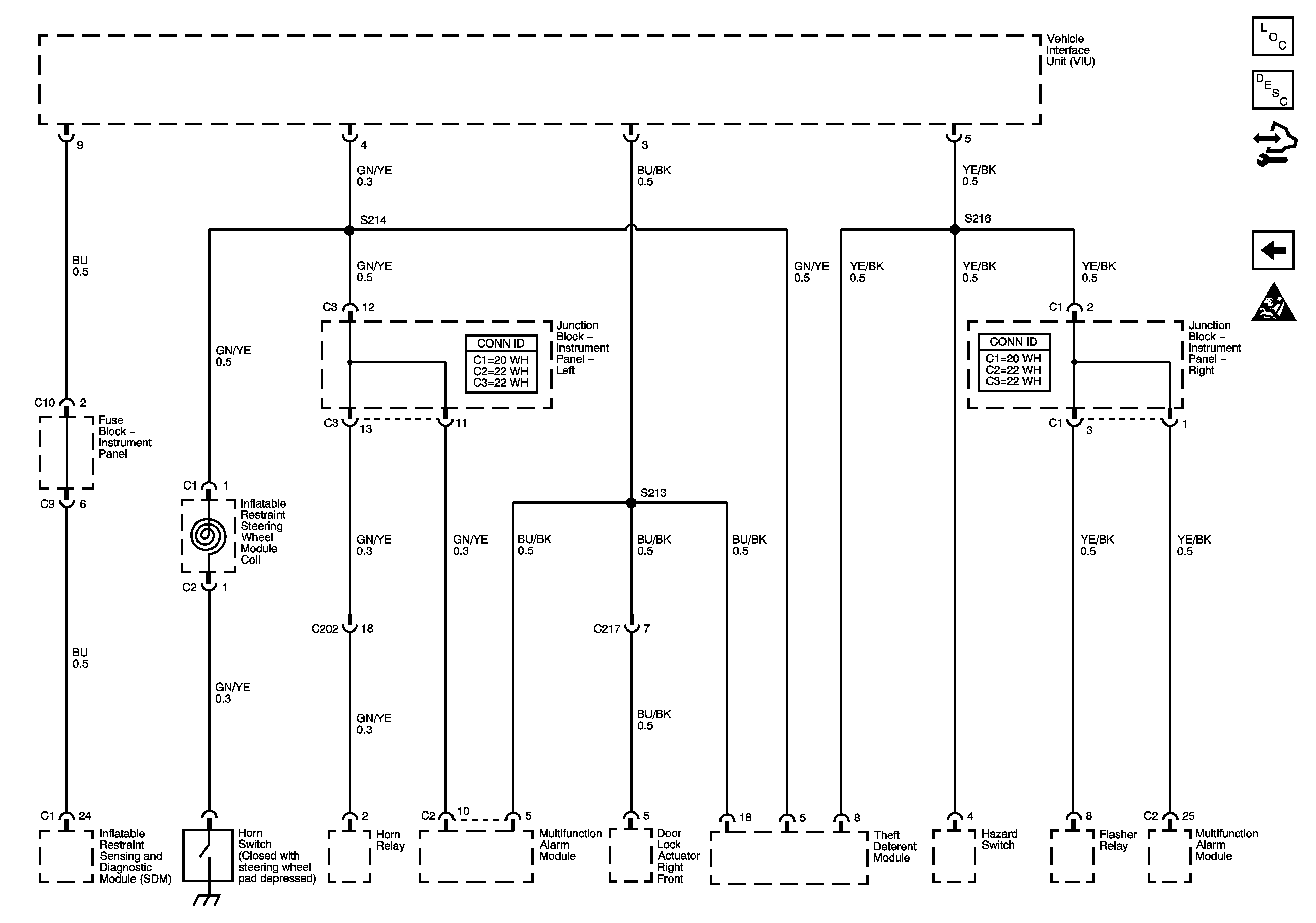
Figure 3:

Vehicle Interface Unit (VIU)


Object Number: 1426731  Size: FS
Master Electrical Component List
OnStar Description and Operation
Control Module References
Cellular Communication OnStar Schematic Figure for Graphic 1666868
Cellular Communication Schematic Icons