GM Service Manual Online
For 1990-2009 cars only
Makes
🢒
Pontiac
🢒
2006
🢒
Vibe - AWD
🢒
HVAC
🢒
HVAC Systems - Manual
🢒 HVAC Schematics
Figure
1:
Blower Controls
Master Electrical Component List
Air Delivery Description and Operation
Control Module References
A/C Compressor Controls
Wash, RR WIP, Wiper, ECU-IG, Gage, Heater, DEF Fuses
IP Lamp Dimmer
Junction Block - Instrument Panel Right
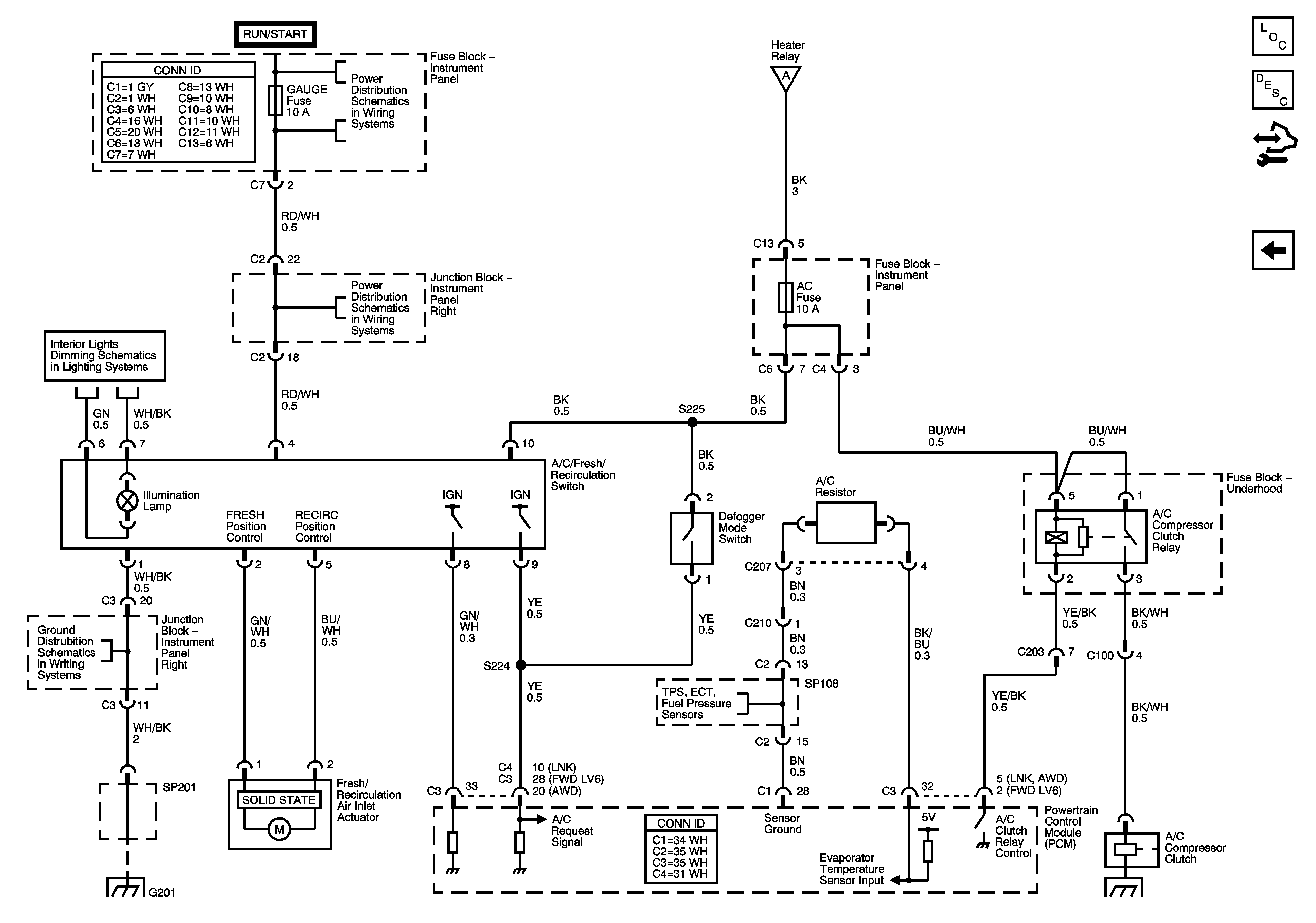
Figure
2:
A/C Compressor Controls
Master Electrical Component List
Air Delivery Description and Operation
Control Module References
Blower Controls
Wash, RR WIP, Wiper, ECU-IG, Gage, Heater, DEF Fuses
Junction Block - Instrument Panel Right
IP Lamp Dimmer
Junction Block Instrument Panel - Right
Engine Coolant Temperature (ECT) Sensor, Fuel Tank Pressure (FTP) Sensor, Throttle Actuator Control (TAC) Module (FWD)
SP201 and G201