GM Service Manual Online
For 1990-2009 cars only
Makes
🢒
Pontiac
🢒
2006
🢒
Vibe - AWD
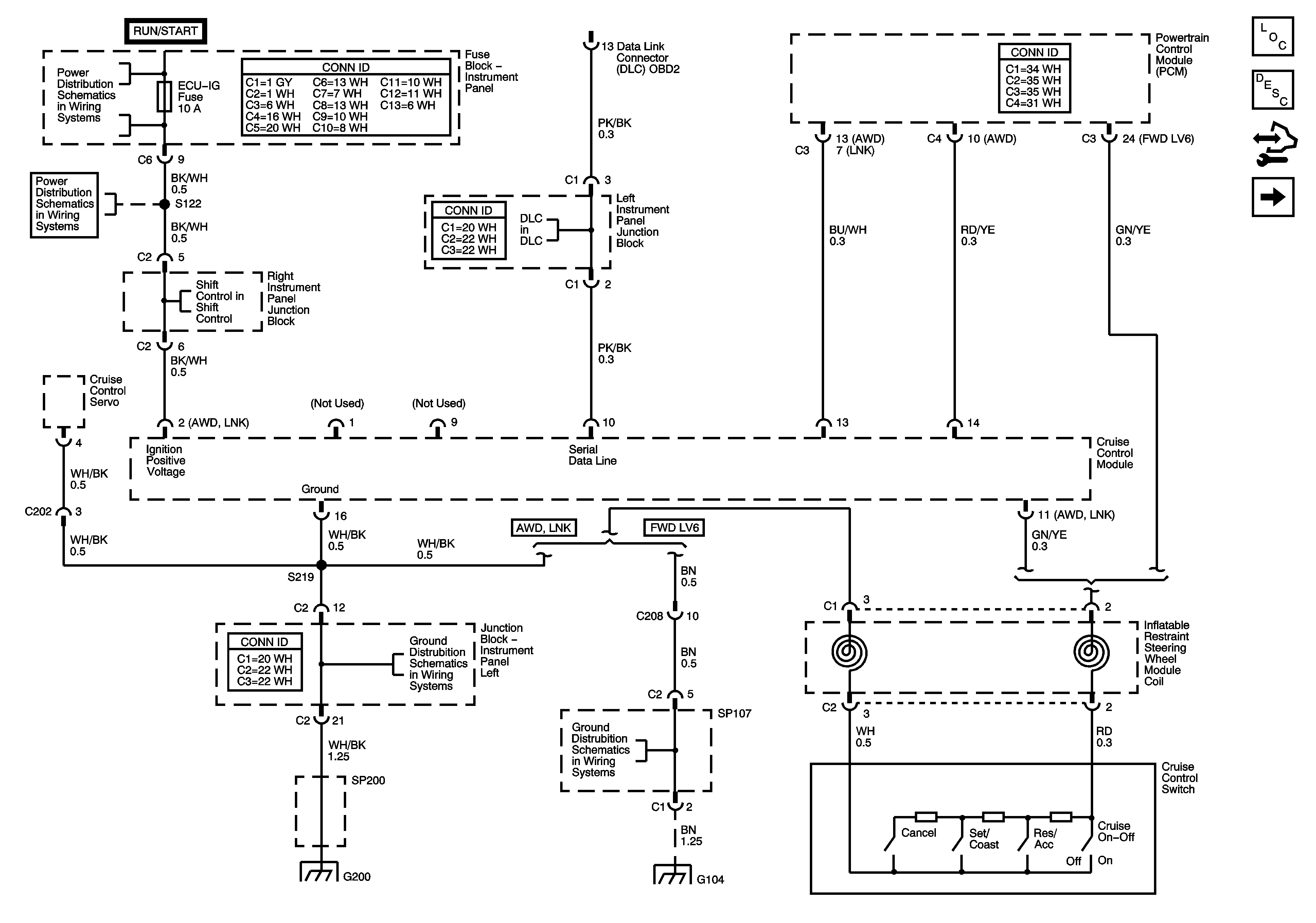
🢒 Cruise Control Schematic Figure for Graphic 1666849
Cruise Control Schematic Figure for Graphic 1666849
Cruise Control Module and Switch
Master Electrical Component List
Cruise Control Description and Operation
Control Module References
Cruise Control Schematic Figure for Graphic 1666850
Wash, RR WIP, Wiper, ECU-IG, Gage, Heater, DEF Fuses
Wash, RR WIP, Wiper, ECU-IG, Gage, Heater, DEF Fuses
Computer/Integrating Systems DLC Schematic Figure for Graphic 1666852
06 S Car Figure for Graphic 1424557 Shift Lock Control Schematic
Junction Block Instrument Panel - Left
SP107, SP108, G104
SP200 and G200
SP107, SP108, G104