GM Service Manual Online
For 1990-2009 cars only
Makes
🢒
Pontiac
🢒
2006
🢒
Vibe - AWD
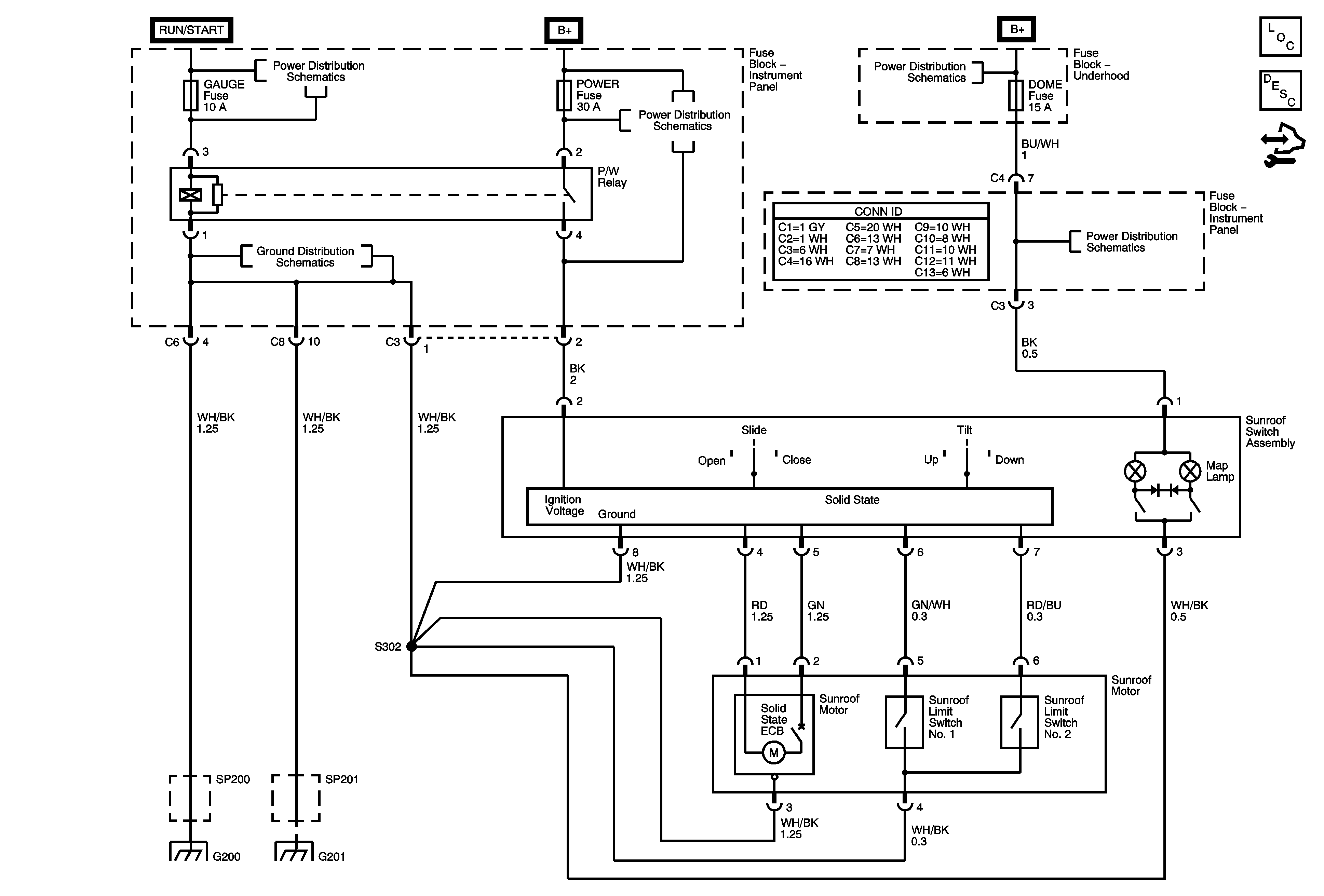
🢒 06 S Car Figure for Graphic 1426641 Roof Schematic
06 S Car Figure for Graphic 1426641 Roof Schematic
Master Electrical Component List
Sunroof Description and Operation
Control Module References
Wash, RR WIP, Wiper, ECU-IG, Gage, Heater, DEF Fuses
Horn, Dome, Main, Amp, OnStar Fuses
Power, AM 1, Door, Tail, P/Point, ECU-B, Stop, OBD, INV Fuses
Fuse Block - Instrument Panel
Horn, Dome, Main, Amp, OnStar Fuses
SP200 and G200
SP201 and G201