GM Service Manual Online
For 1990-2009 cars only
Figure 1:

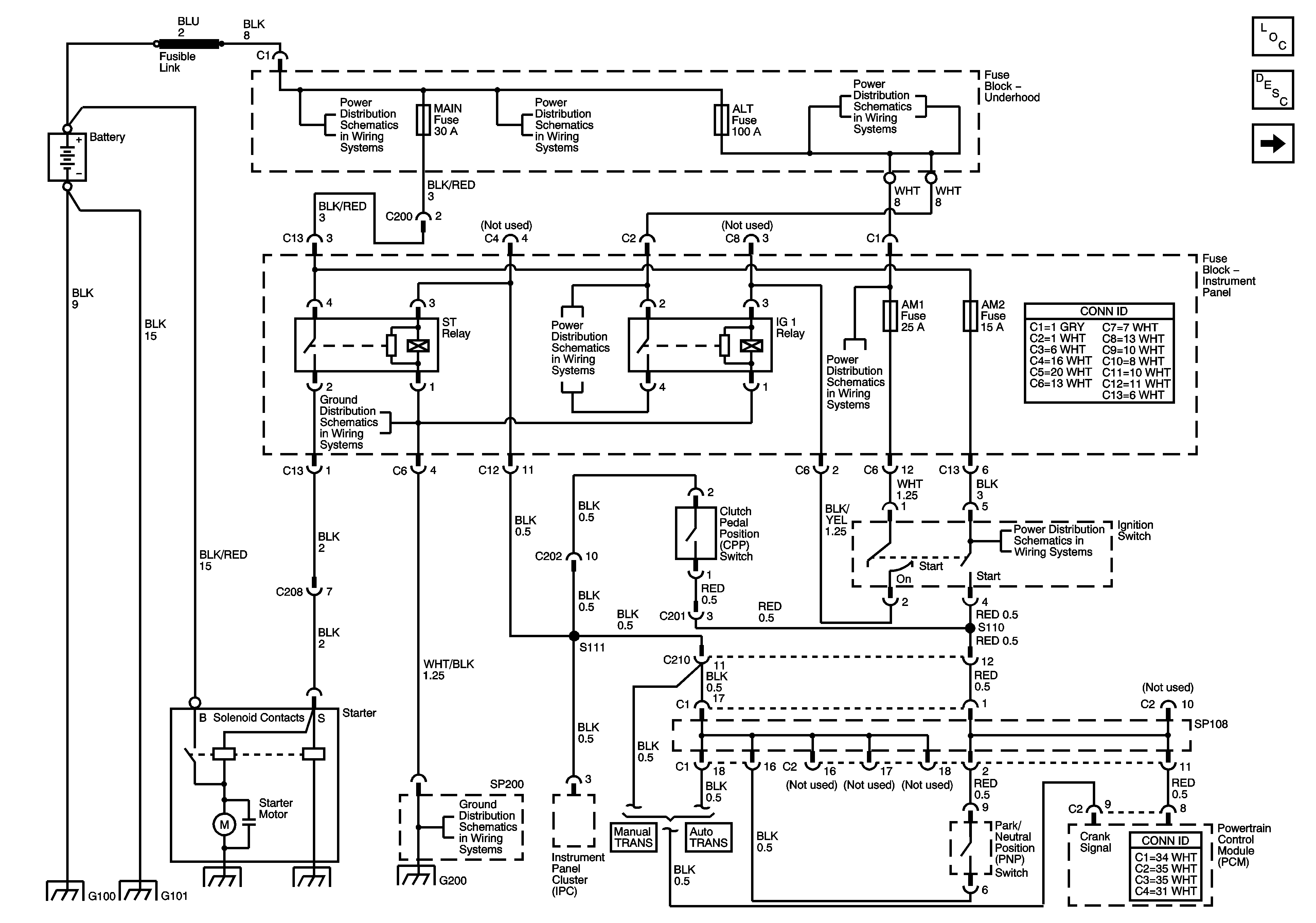
Starting System


Object Number: 785547  Size: FS
Master Electrical Component List
Starting System Description and Operation
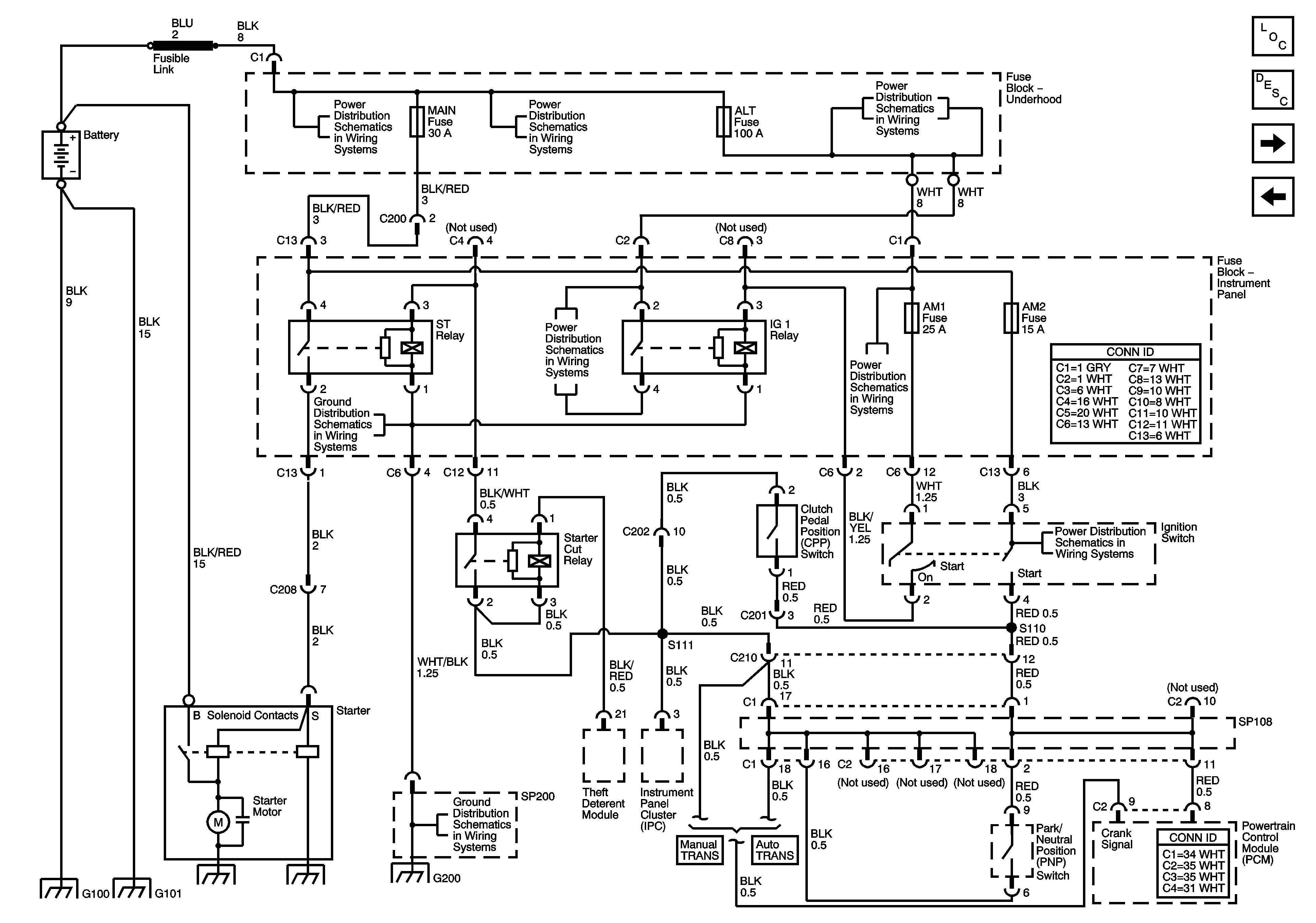
Starting System With Theft Deterent
HORN, DOME, MAIN and AMP Fuses
HORN, DOME, MAIN and AMP Fuses
ALT, ABS-2, RDI, ABS-1 and FR FOG Fuses
Instrument Panel Fuse Block
WASH, RR WIP, WIPER, ECU-IG, GAUGE, HEATER, and DEF Fuses
POWER, AM-1, DOOR, TAIL, P/POINT, ECU-B, STOP, OBD and INV Fuses
SP200 and G200
Ignition Switch, CIG and IG 1 Fuses
Figure 2:

Starting System with Theft Deterent


Object Number: 785626  Size: FS
Master Electrical Component List
Starting System Description and Operation
Charging System
Starting System
HORN, DOME, MAIN and AMP Fuses
HORN, DOME, MAIN and AMP Fuses
ALT, ABS-2, RDI, ABS-1 and FR FOG Fuses
WASH, RR WIP, WIPER, ECU-IG, GAUGE, HEATER, and DEF Fuses
POWER, AM-1, DOOR, TAIL, P/POINT, ECU-B, STOP, OBD and INV Fuses
SP200 and G200
Ignition Switch, CIG and IG 1 Fuses
Figure 3:

Charging System


Object Number: 785548  Size: FS
Master Electrical Component List
Charging System Description and Operation
Starting System With Theft Deterent
HORN, DOME, MAIN and AMP Fuses
HORN, DOME, MAIN and AMP Fuses
ALT, ABS-2, RDI, ABS-1 and FR FOG Fuses
HORN, DOME, MAIN and AMP Fuses
Ignition Switch and C/OPN Relay
Ignition Switch and C/OPN Relay
DRL Control Module, Ambient Light Sensor
WASH, RR WIP, WIPER, ECU-IG, GAUGE, HEATER, and DEF Fuses
Heater Relay, Right Instrument Panel Junction Block
Heater Relay, Right Instrument Panel Junction Block