GM Service Manual Online
For 1990-2009 cars only
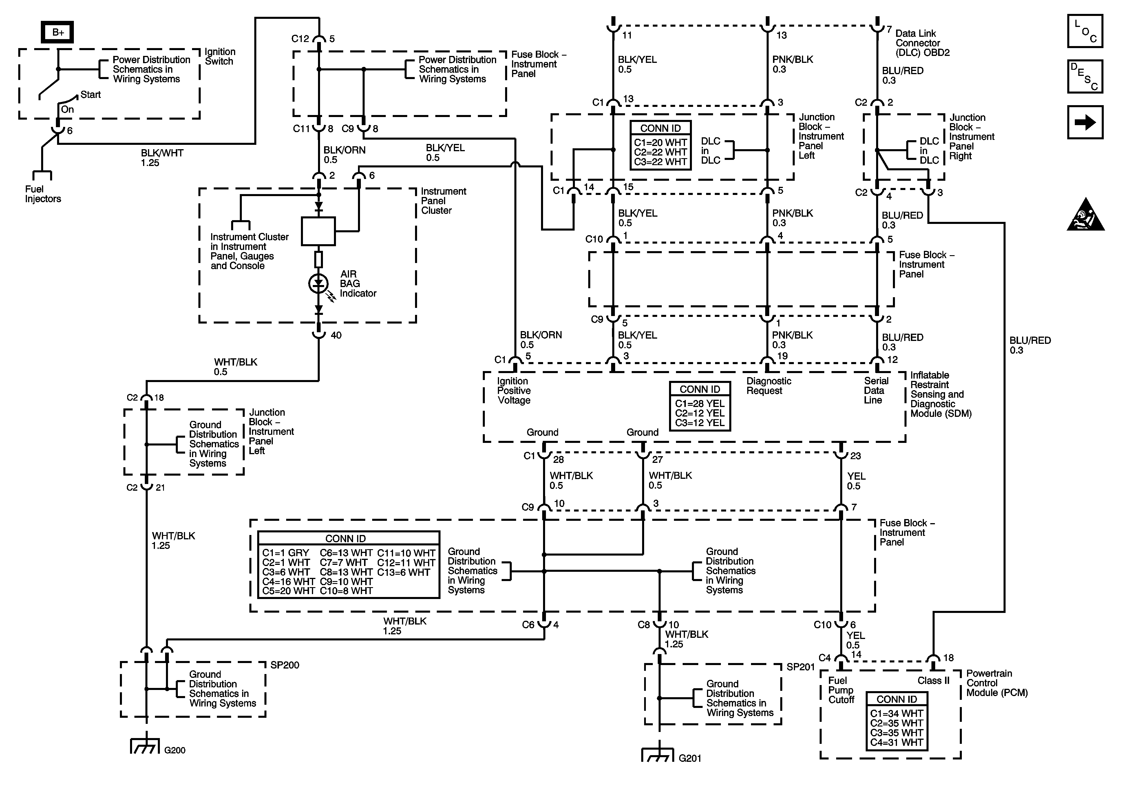
Figure 1:

Air Bag Indicator and Inflatable Restraint Sensing and Diagnostic Module (SDM)


Object Number: 785578  Size: FS
Master Electrical Component List
SIR System Description and Operation
SIR Handling Caution
Steering Wheel Module, IP Module, Front Discriminating Sensors, SDMSIR Steering Module Coil, Instrument Panel Module and Discriminating Sensors
Ignition Switch and C/OPN Relay
Charge, Air Bag, Malfunction, O/D Off, Cruise Indicators
Left Instrument Panel Junction Block
SP200 and G200
Ignition Switch and C/OPN Relay
Instrument Panel Fuse Block
Data Link Communications Schematics (2 of 2)
Data Link Communications Schematics (1 of 2)
Instrument Panel Fuse Block
SP200 and G200
SP201 and G201
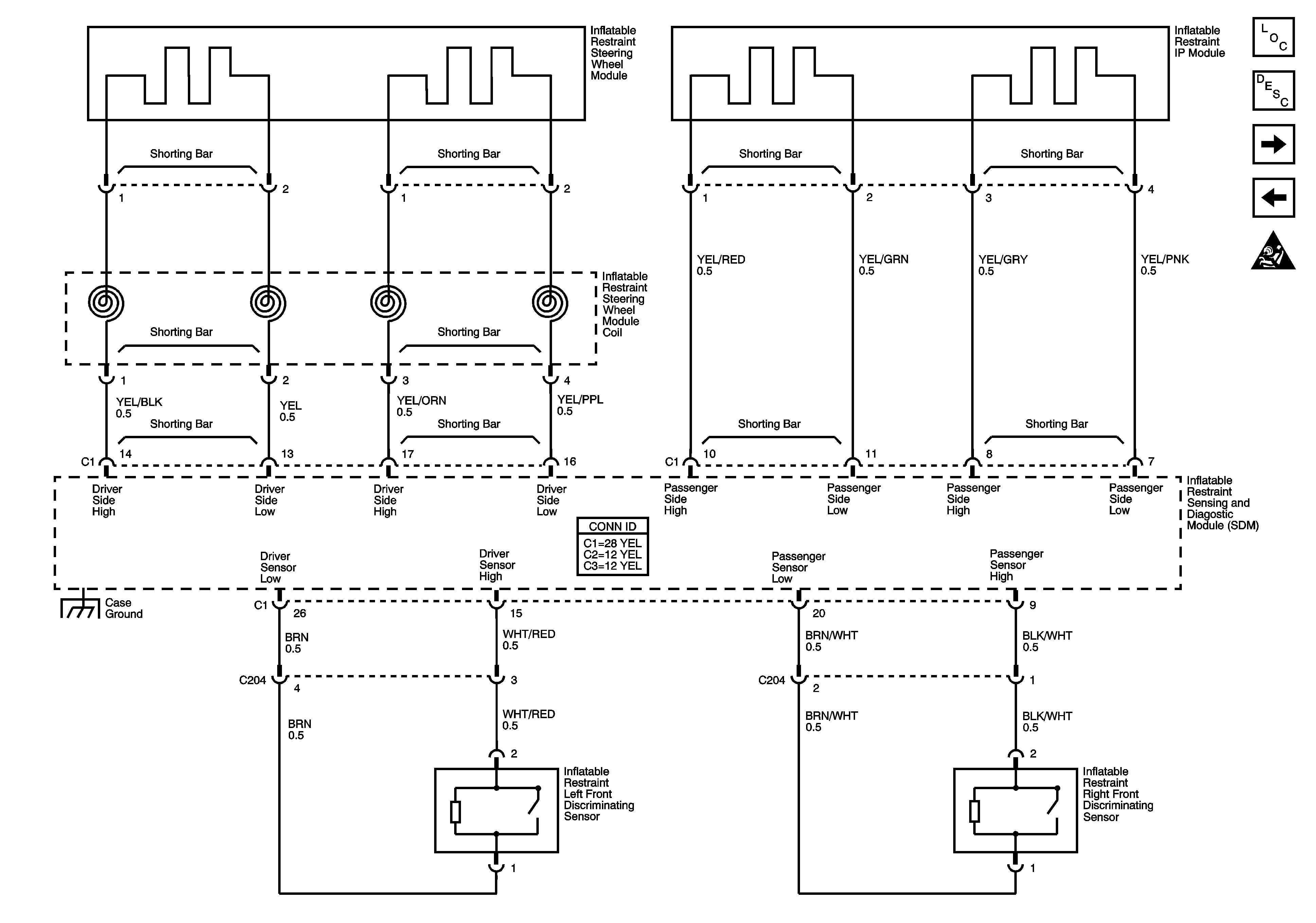
Figure 2:

Steering Wheel Module, IP Module, Front Discriminating Sensors, SDM


Object Number: 787240  Size: FS
Master Electrical Component List
SIR System Description and Operation
SIR Handling Caution
SDM, Side Impact Sensors and Seat Modules
Air Bag Indicator and Inflatable Restraint Sensing and Diagnostic Module (SDM)
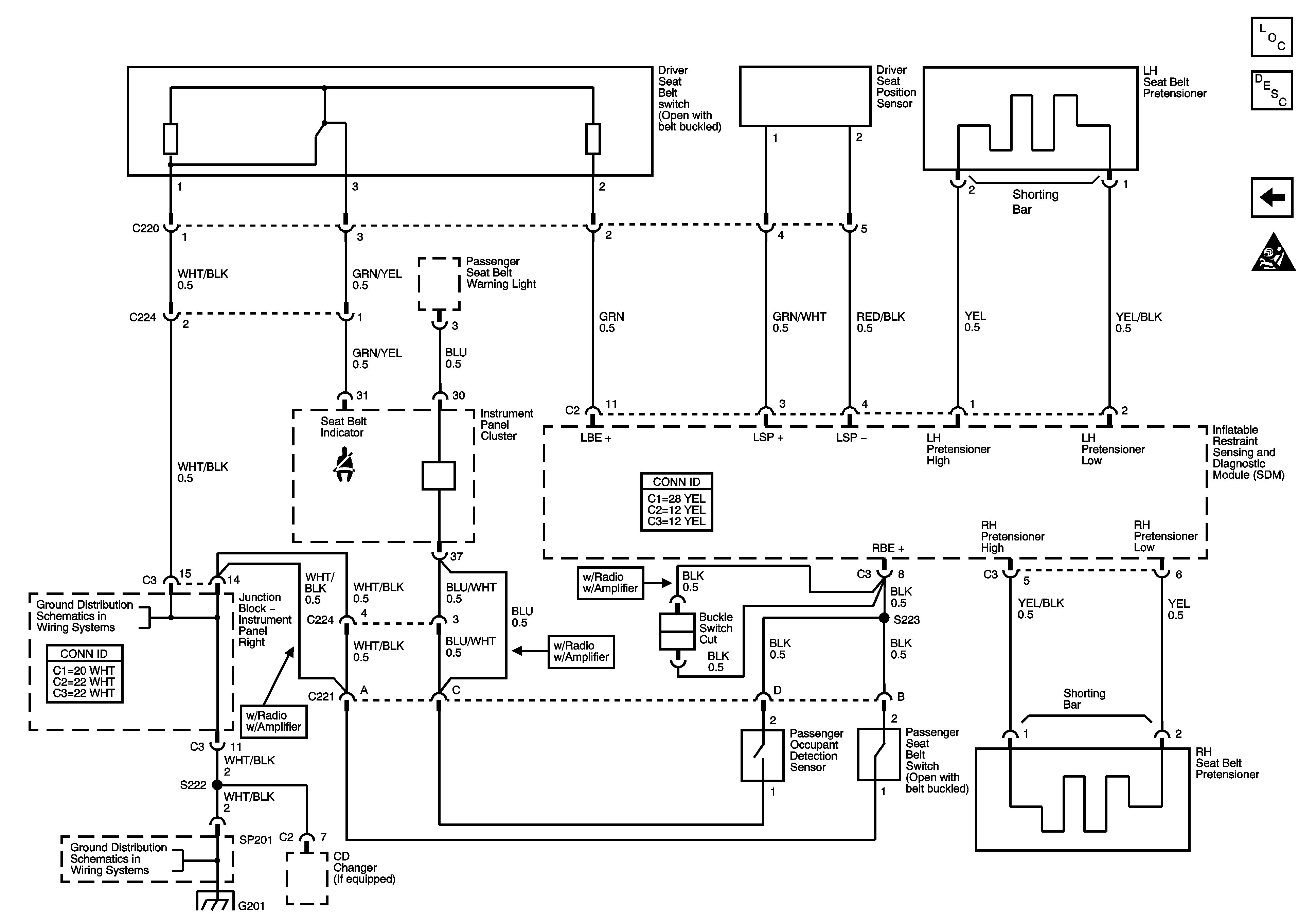
Figure 3:

SDM, Side Impact Sensors and Seat Modules


Object Number: 785580  Size: FS
Master Electrical Component List
SIR System Description and Operation
SIR Handling Caution
SDM, Driver Seat Belt Switch, Passenger Seat Belt Switch
Steering Wheel Module, IP Module, Front Discriminating Sensors, SDMSIR Steering Module Coil, Instrument Panel Module and Discriminating Sensors
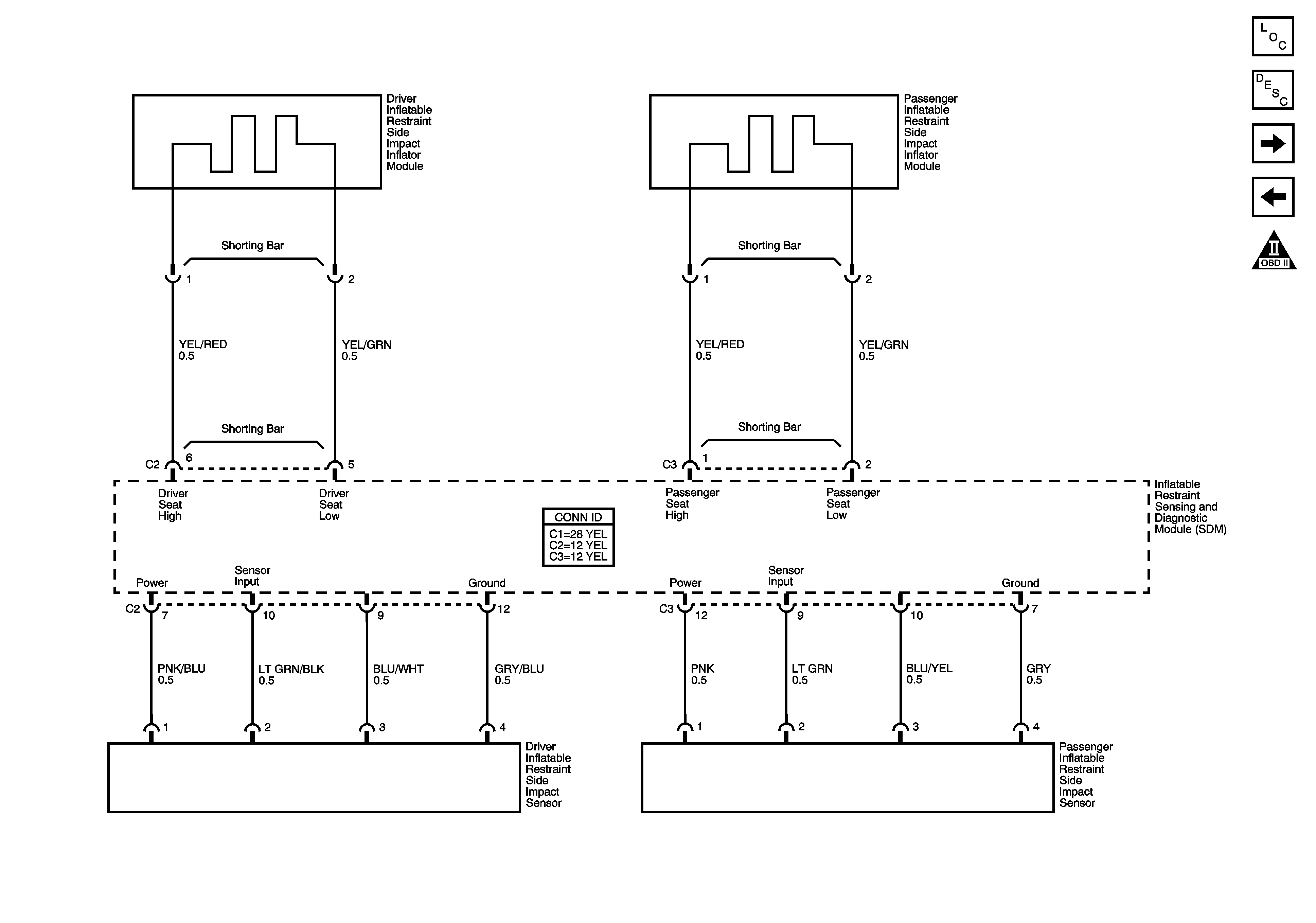
Figure 4:

SDM, Left and Right Pretensioners, Driver and Passenger Seat Belt Switches, Seat Position Sensor, Occupant Detection Sensor


Object Number: 787256  Size: FS
Master Electrical Component List
SIR System Description and Operation
SDM, Side Impact Sensors and Seat Modules
Right Instrument Panel Junction Block