GM Service Manual Online
For 1990-2009 cars only
Figure 1:

H Main, ALT S, EFI and HAZ Fuses


Object Number: 785401  Size: FS
Master Electrical Component List
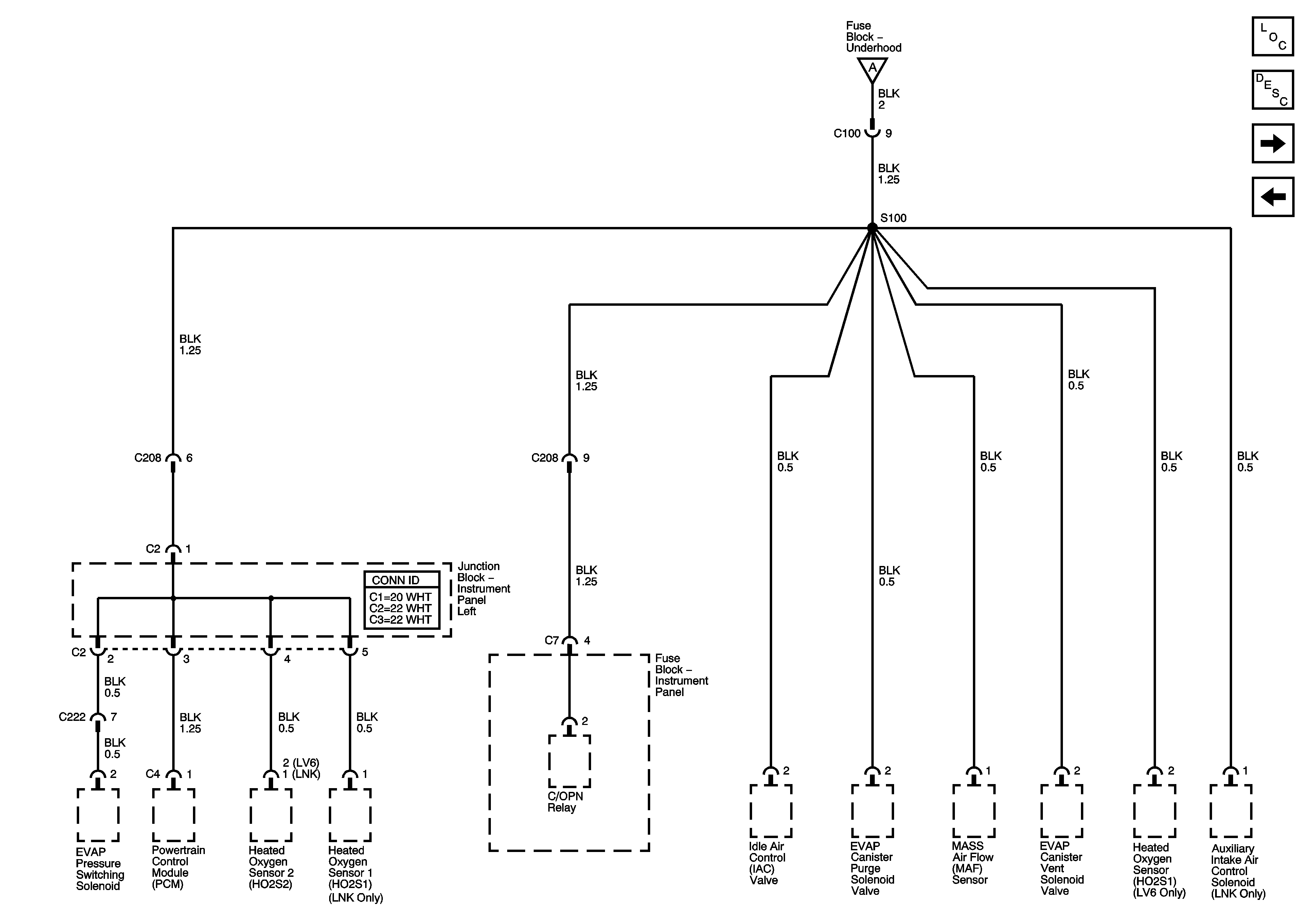
S100
Figure 2:

S100


Object Number: 787263  Size: FS
Master Electrical Component List
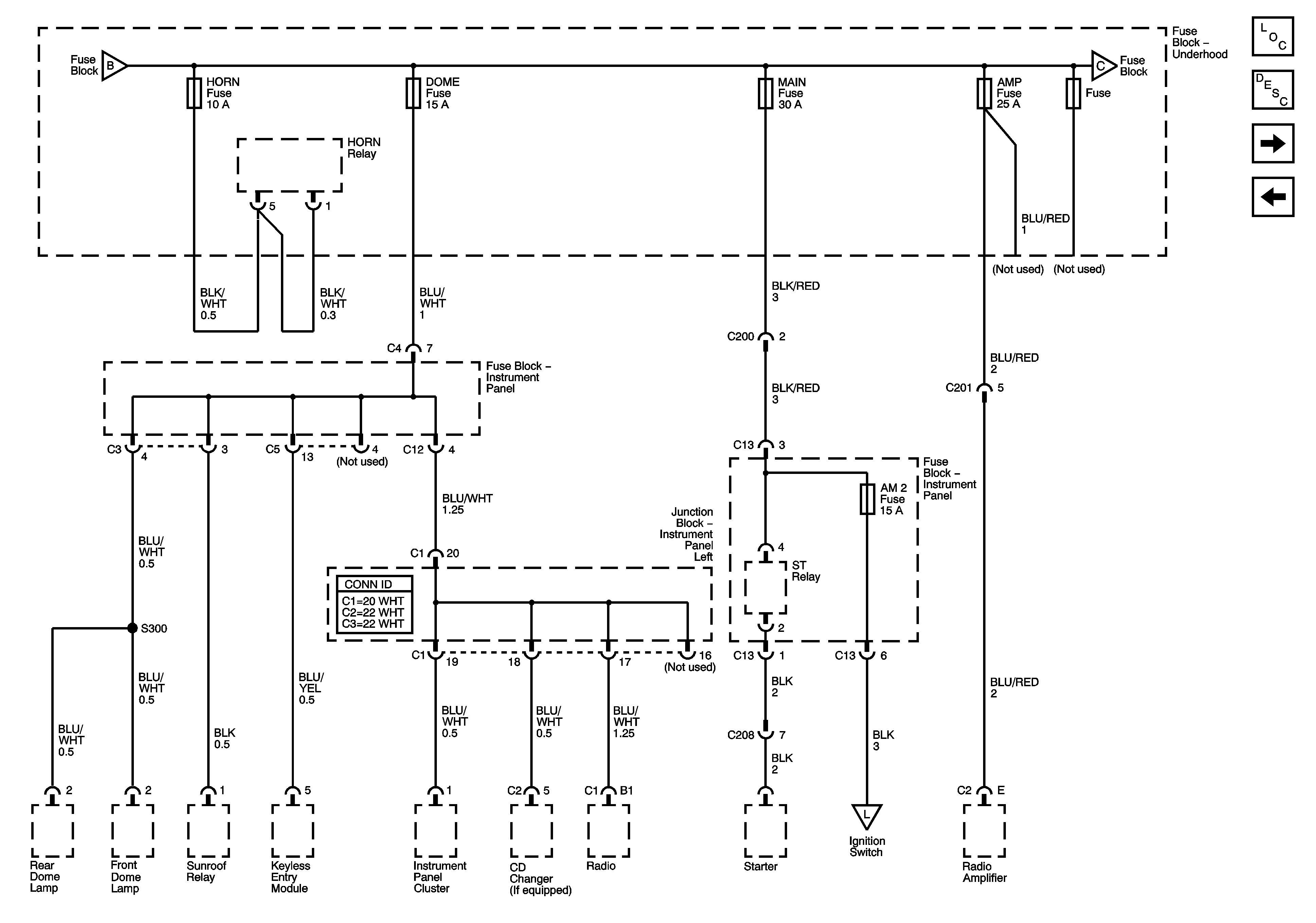
HORN, DOME, MAIN and AMP Fuses
H-MAIN, ALT-S, EFI and HAZ Fuses
Figure 3:

HORN, DOME, Main, AMP and AM2 Fuses


Object Number: 785402  Size: FS
Master Electrical Component List
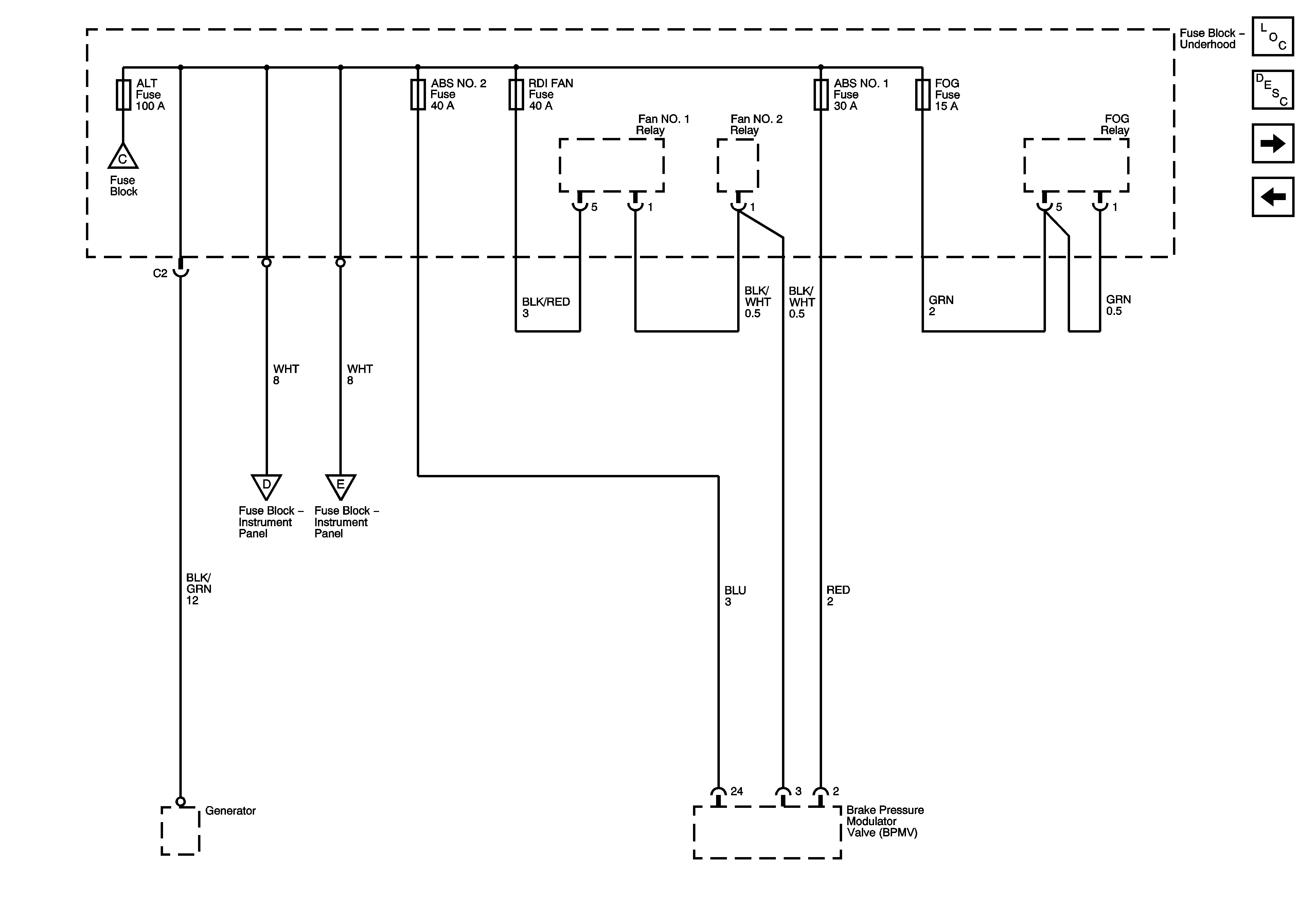
ALT, ABS-2, RDI, ABS-1 and FR FOG Fuses
S100
Figure 4:

ALT, ABS 2, RDI, ABS 1 and FR FOG Fuses


Object Number: 785404  Size: FS
Master Electrical Component List
POWER, AM-1, DOOR, TAIL, P/POINT, ECU-B, STOP, OBD and INV Fuses
HORN, DOME, MAIN and AMP Fuses
Figure 5:

POWER, AM 1, DOOR, TAIL, P/POINT, ECU-B, STOP, OBD and INV Fuses


Object Number: 785406  Size: FS
Master Electrical Component List
WASH, RR WIP, WIPER, ECU-IG, GAUGE, HEATER, and DEF Fuses
ALT, ABS-2, RDI, ABS-1 and FR FOG Fuses
Figure 6:

WASH, RR WIP, WIPER, ECU-IG, GAUGE, HEATER and DEF Fuses


Object Number: 785408  Size: FS
Master Electrical Component List
P/W Relay SP109 and SP302
POWER, AM-1, DOOR, TAIL, P/POINT, ECU-B, STOP, OBD and INV Fuses
Figure 7:

P/W Relay, SP100 and SP302


Object Number: 785410  Size: FS
Master Electrical Component List
Heater Relay, Right Instrument Panel Junction Block
WASH, RR WIP, WIPER, ECU-IG, GAUGE, HEATER, and DEF Fuses
Figure 8:

Heater Relay, Right Instrument Panel Junction Block


Object Number: 787269  Size: FS
Master Electrical Component List
Ignition Switch, CIG and IG 1 Fuses
P/W Relay SP109 and SP302
Figure 9:

Ignition Switch, CIG and IG 1 Fuses


Object Number: 787264  Size: FS
Master Electrical Component List
Ignition Switch and C/OPN Relay
Heater Relay, Right Instrument Panel Junction Block
Figure 10:

Ignition Switch and C/OPN Relay


Object Number: 787268  Size: FS
Master Electrical Component List
Ignition Switch, CIG and IG 1 Fuses