GM Service Manual Online
For 1990-2009 cars only
Makes
🢒
Pontiac
🢒
2003
🢒
Vibe - FWD
🢒
Body and Accessories
🢒
Data Link Communications
🢒 Antilock Brake System Schematics
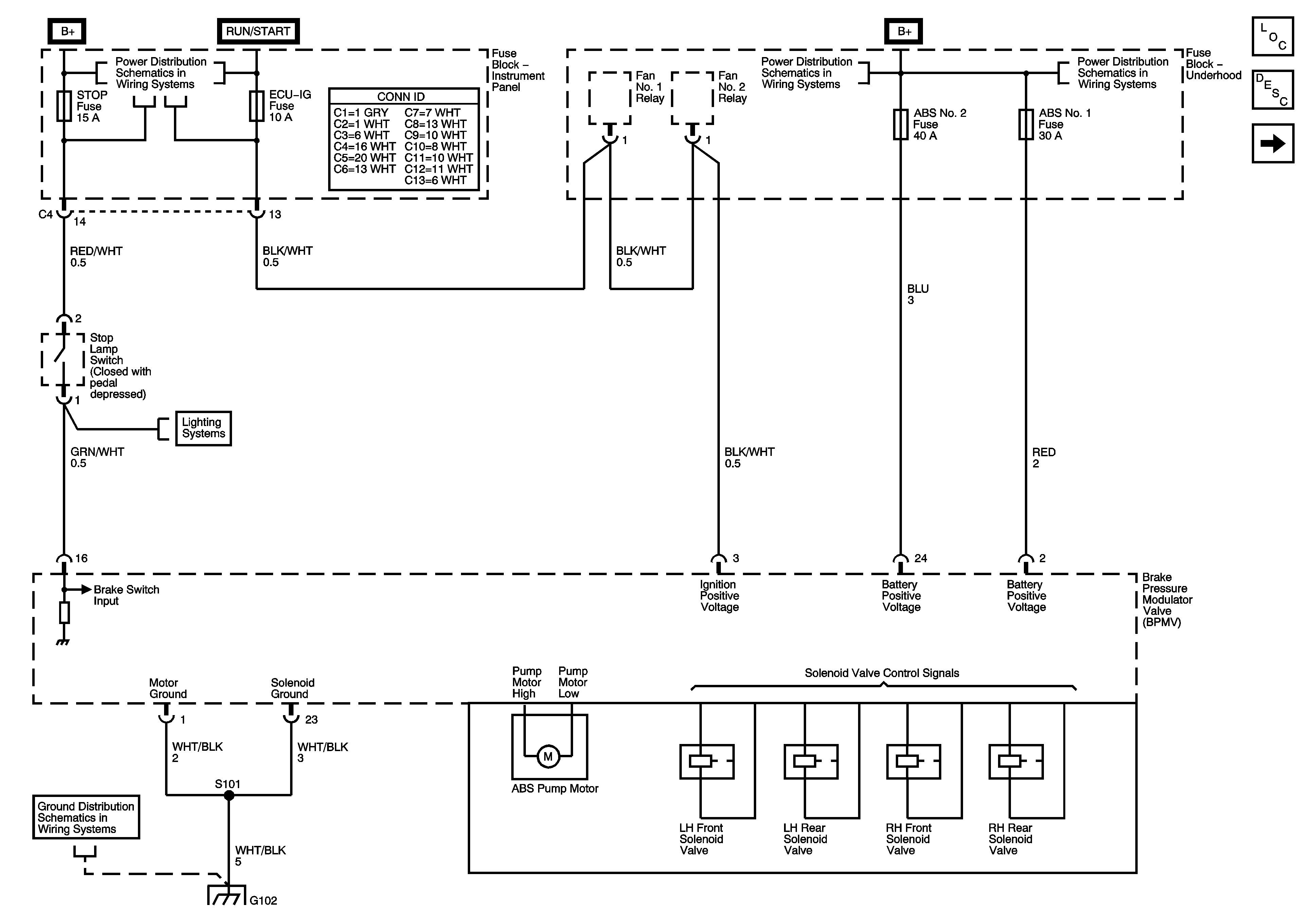
Figure
1:
Brake Pressure Modulator Valve (BPMV) Power and Ground
Master Electrical Component List
ABS Description and Operation
Accelerometer, BPMV, Data Link Connector (DLC)
POWER, AM-1, DOOR, TAIL, P/POINT, ECU-B, STOP, OBD and INV Fuses
WASH, RR WIP, WIPER, ECU-IG, GAUGE, HEATER, and DEF Fuses
G100, G101, G102 and G103
ALT, ABS-2, RDI, ABS-1 and FR FOG Fuses
ALT, ABS-2, RDI, ABS-1 and FR FOG Fuses
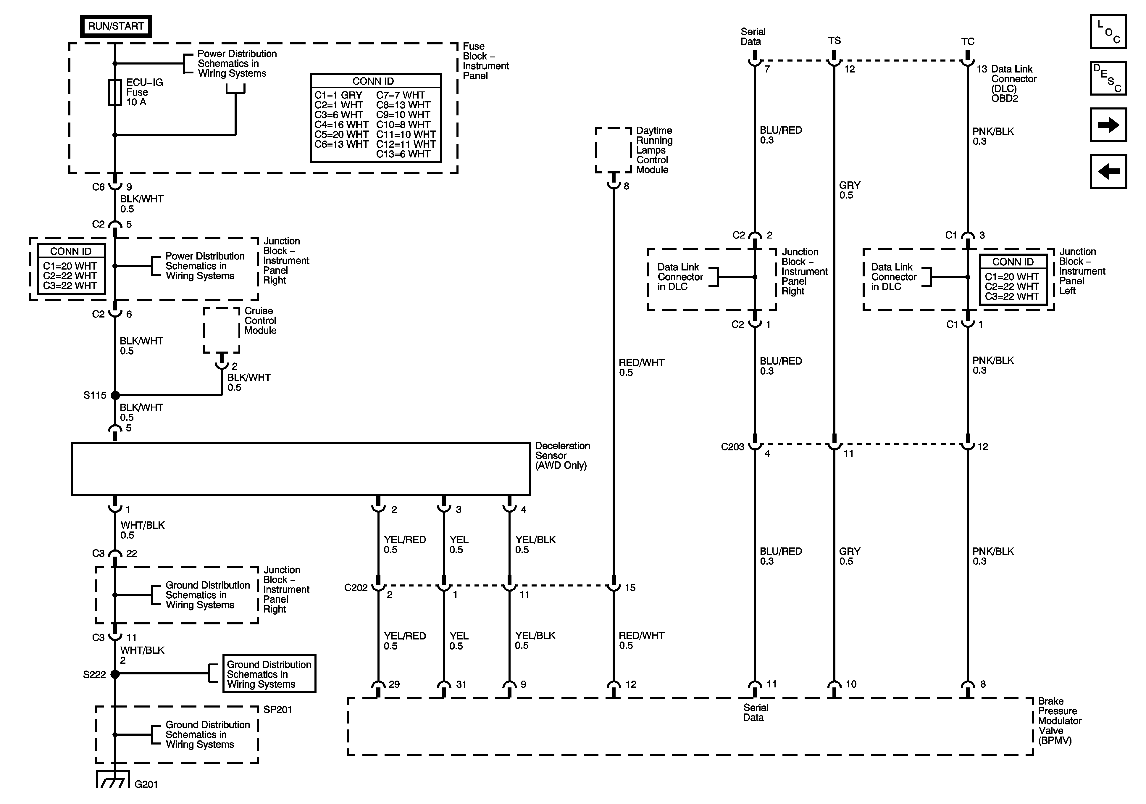
Figure
2:
Accelerometer, BPMV, Data LInk Connector (DLC)
Master Electrical Component List
ABS Description and Operation
BRAKE Indicator and Control, ABS Indicator and Control
Brake Pressure Modulator Valve (BPMV) Power and Ground
WASH, RR WIP, WIPER, ECU-IG, GAUGE, HEATER, and DEF Fuses
P/W Relay SP109 and SP302
P/W Relay SP109 and SP302
Right Instrument Panel Junction Block
SP201 and G201
Data Link Communications Schematics (1 of 2)
Data Link Communications Schematics (2 of 2)
Figure
3:
BRAKE Indicator and Control, ABS Indicator and Control
Master Electrical Component List
ABS Description and Operation
Wheel Speed Sensors
Accelerometer, BPMV, Data Link Connector (DLC)
WASH, RR WIP, WIPER, ECU-IG, GAUGE, HEATER, and DEF Fuses
Heater Relay, Right Instrument Panel Junction Block
Brake, ABS Indicators, Turn Indicators
Left Instrument Panel Junction Block
SP200 and G200
Ignition Switch and C/OPN Relay
Ignition Switch and C/OPN Relay
Brake, ABS Indicators, Turn Indicators
Figure
4:
Wheel Speed Sensors
Master Electrical Component List
ABS Description and Operation
BRAKE Indicator and Control, ABS Indicator and Control