GM Service Manual Online
For 1990-2009 cars only
Makes
🢒
Pontiac
🢒
2003
🢒
Vibe - FWD
🢒
Body and Accessories
🢒
Lighting Systems
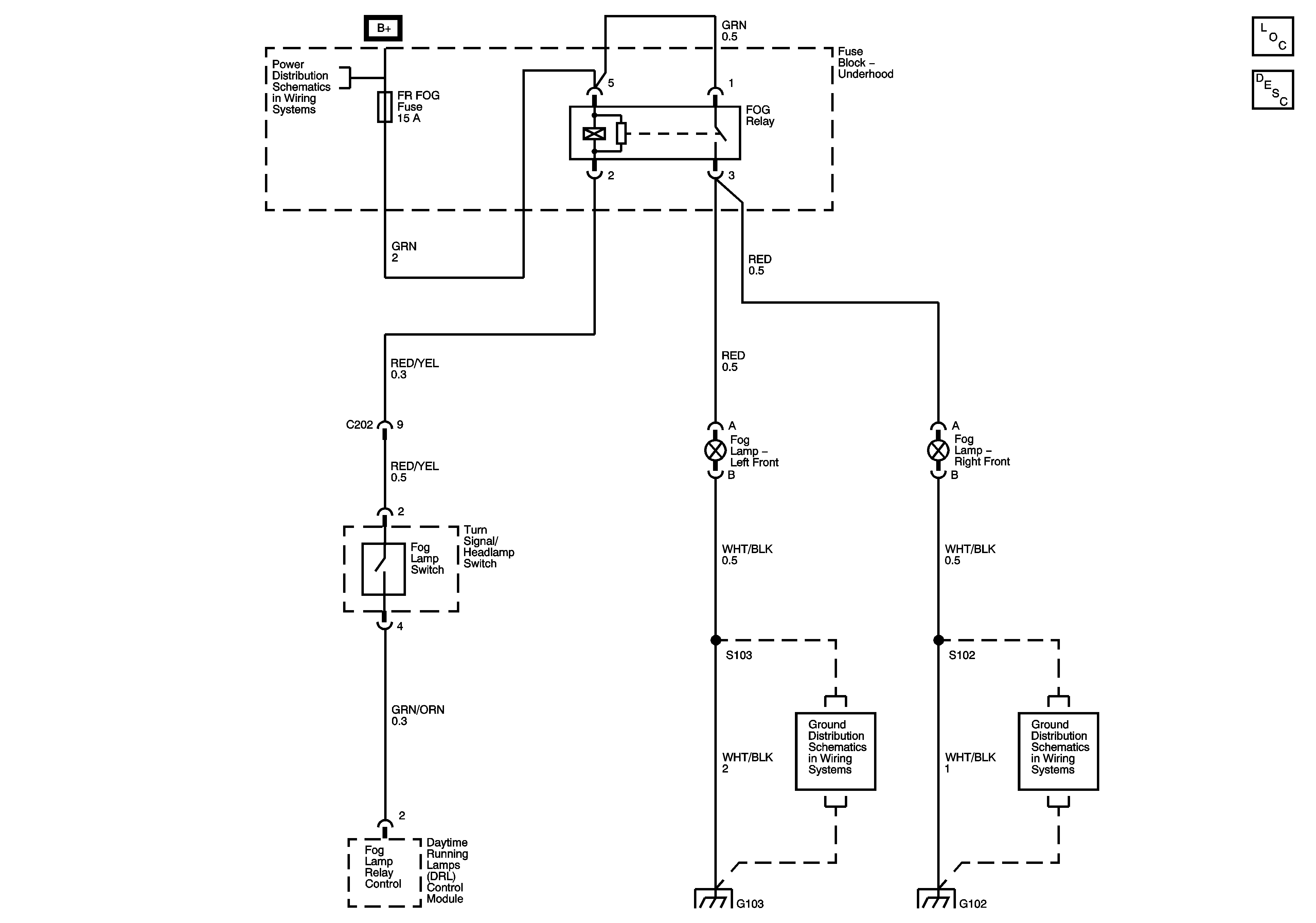
🢒 Fog Lights Schematics
Master Electrical Component List
Exterior Lighting Systems Description and Operation
ALT, ABS-2, RDI, ABS-1 and FR FOG Fuses
S103 and G103
G100, G101, G102 and G103