GM Service Manual Online
For 1990-2009 cars only
Makes
🢒
Pontiac
🢒
2003
🢒
Vibe - FWD
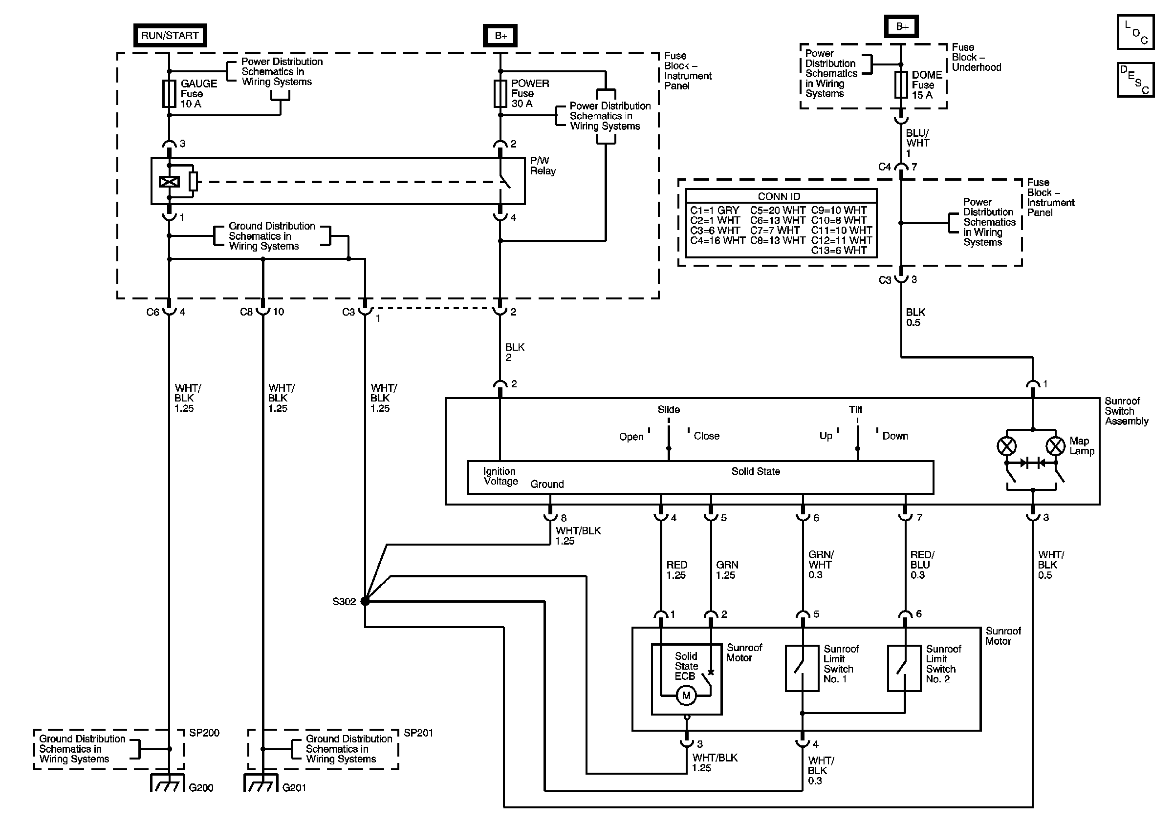
🢒 Sunroof Schematics
Sunroof Schematics
Master Electrical Component List
Sunroof Description and Operation
WASH, RR WIP, WIPER, ECU-IG, GAUGE, HEATER, and DEF Fuses
POWER, AM-1, DOOR, TAIL, P/POINT, ECU-B, STOP, OBD and INV Fuses
Instrument Panel Fuse Block
HORN, DOME, MAIN and AMP Fuses
HORN, DOME, MAIN and AMP Fuses
Instrument Panel Fuse Block
SP200 and G200